SLVSE06B January   2018  – JANUARY 2019 TPSM846C24

PRODUCTION DATA.  

  1. Features
  2. Applications
  3. Description
    1.     Device Images
      1.      Simplified Schematic
      2.      Efficiency vs Output Current
  4. Revision History
  5. Pin Configuration and Functions
    1.     Pin Functions
  6. Specifications
    1. 6.1 Absolute Maximum Ratings
    2. 6.2 ESD Ratings
    3. 6.3 Recommended Operating Conditions
    4. 6.4 Thermal Information
    5. 6.5 Electrical Characteristics
    6. 6.6 Switching Characteristics
    7. 6.7 Typical Characteristics (VIN = 12 V)
    8. 6.8 Typical Characteristics (VIN = 5 V)
  7. Detailed Description
    1. 7.1 Overview
    2. 7.2 Functional Block Diagram
    3. 7.3 Feature Description
      1. 7.3.1  Minimum Capacitance Requirements
      2. 7.3.2  Setting the Compensation Network
      3. 7.3.3  Transient Response
      4. 7.3.4  Setting the Output Voltage
      5. 7.3.5  Differential Remote Sense
      6. 7.3.6  Switching Frequency and Synchronization
        1. 7.3.6.1 Setting the Switching Frequency
        2. 7.3.6.2 Synchronization
          1. 7.3.6.2.1 Stand-Alone Device Synchronization
          2. 7.3.6.2.2 Paralleled Devices Synchronization
      7. 7.3.7  Prebiased Output Start-Up
      8. 7.3.8  Power-Good (PGOOD) Indicator
      9. 7.3.9  Linear Regulators BP3 and BP6
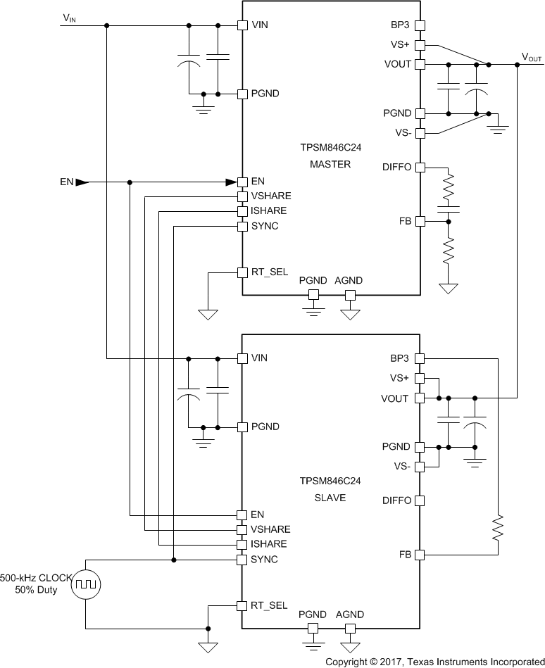
      10. 7.3.10 Parallel Application
      11. 7.3.11 Parallel Operation
      12. 7.3.12 Overtemperature Protection
      13. 7.3.13 Overcurrent Protection
      14. 7.3.14 Output Overvoltage and Undervoltage Protection
    4. 7.4 Device Functional Modes
      1. 7.4.1 Active Mode
      2. 7.4.2 Shutdown Mode
  8. Application and Implementation
    1. 8.1 Typical Application
      1. 8.1.1 Design Requirements
      2. 8.1.2 Detailed Design Procedure
        1. 8.1.2.1 Custom Design With WEBENCH® Tools
        2. 8.1.2.2 Setting the Output Voltage
        3. 8.1.2.3 Input and Output Capacitance
        4. 8.1.2.4 Selecting the Compensation Components
        5. 8.1.2.5 Setting the Switching Frequency
        6. 8.1.2.6 Power Good (PGOOD)
        7. 8.1.2.7 ON/OFF Control (EN)
      3. 8.1.3 Application Curves
  9. Power Supply Recommendations
  10. 10Layout
    1. 10.1 Layout Guidelines
    2. 10.2 Layout Example
    3. 10.3 Package Specifications
    4. 10.4 EMI
    5. 10.5 Mounting and Thermal Profile Recommendation
  11. 11Device and Documentation Support
    1. 11.1 Device Support
      1. 11.1.1 Development Support
        1. 11.1.1.1 Custom Design With WEBENCH® Tools
    2. 11.2 Receiving Notification of Documentation Updates
    3. 11.3 Community Resources
    4. 11.4 Trademarks
    5. 11.5 Electrostatic Discharge Caution
    6. 11.6 Glossary
  12. 12Mechanical, Packaging, and Orderable Information
    1. 12.1 Tape and Reel Information

Package Options

Mechanical Data (Package|Pins)
Thermal pad, mechanical data (Package|Pins)
Orderable Information

Parallel Application

Two TPSM846C24 devices can be paralleled for increased output current up to 70 A. Multiple connections must be made between the paralleled devices and the component selection is slightly different than for a stand-alone TPSM846C24 device. Figure 16 shows a typical schematic for two TPSM846C24 devices in parallel. Parallel operation can be evaluated using the TPSM846C24DEVM-007 evaluation board.

TPSM846C24 ASegerParallel1.gifFigure 16. TPSM846C24 Parallel