SLLSET7C May   2016  – May 2016 TRS3122E

PRODUCTION DATA.  

  1. Features
  2. Applications
  3. Description
  4. Revision History
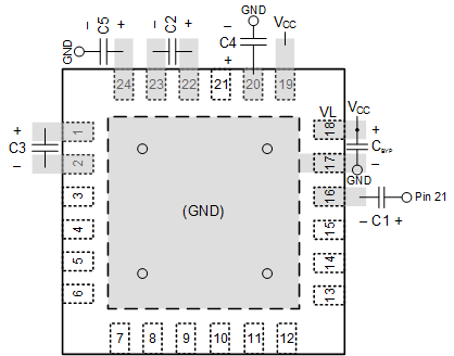
  5. Pin Configuration and Functions
  6. Specifications
    1. 6.1  Absolute Maximum Ratings
    2. 6.2  ESD Ratings
    3. 6.3  Recommended Operating Conditions
    4. 6.4  Thermal Characteristics
    5. 6.5  Power and Status Electrical Characteristics
    6. 6.6  Driver Electrical Characteristics
    7. 6.7  Receiver Electrical Characteristics
    8. 6.8  Driver Switching Characteristics
    9. 6.9  Receiver Switching Characteristics
    10. 6.10 Power and Status Switching Characteristics
    11. 6.11 Typical Characteristics
  7. Parameter Measurement Information
  8. Detailed Description
    1. 8.1 Overview
    2. 8.2 Functional Block Diagram
    3. 8.3 Feature Description
      1. 8.3.1 Charge Pump
        1. 8.3.1.1 Doubler Mode
        2. 8.3.1.2 Tripler Mode
      2. 8.3.2 Drivers
      3. 8.3.3 Receivers
      4. 8.3.4 ESD Protection
      5. 8.3.5 Auto Powerdown Plus
        1. 8.3.5.1 Automatic Powerdown
        2. 8.3.5.2 Manual Powerdown
        3. 8.3.5.3 Forced On
    4. 8.4 Device Functional Modes
      1. 8.4.1 Each Driver
      2. 8.4.2 Each Receiver
      3. 8.4.3 INVALID Status Truth Table
      4. 8.4.4 Capacitor Selection Table
  9. Application and Implementation
    1. 9.1 Application Information
    2. 9.2 Typical 1.8-V Application
      1. 9.2.1 Design Requirements
      2. 9.2.2 Detailed Design Procedure
        1. 9.2.2.1 Data-Rate and Cable Length
        2. 9.2.2.2 Capacitor Selection
      3. 9.2.3 Application Curves
  10. 10Power Supply Recommendations
  11. 11Layout
    1. 11.1 Layout Guidelines
    2. 11.2 Layout Example
  12. 12Device and Documentation Support
    1. 12.1 Device Support
      1. 12.1.1 Third-Party Products Disclaimer
    2. 12.2 Community Resources
    3. 12.3 Trademarks
    4. 12.4 Electrostatic Discharge Caution
    5. 12.5 Glossary
  13. 13Mechanical, Packaging, and Orderable Information

Package Options

Mechanical Data (Package|Pins)
Thermal pad, mechanical data (Package|Pins)
Orderable Information

11 Layout

11.1 Layout Guidelines

Minimize the length of all capacitor traces to ensure the device can maintain quick rising and falling transitions. Vias are recommended to accommodate layouts for the capacitors.

11.2 Layout Example

TRS3122E layout.gif Figure 16. TRS3122E Typical Layout