SLUSF10B february   2023  – june 2023 UCC14141-Q1

PRODUCTION DATA  

  1.   1
  2. Features
  3. Applications
  4. Description
  5. Revision History
  6. Device Comparison
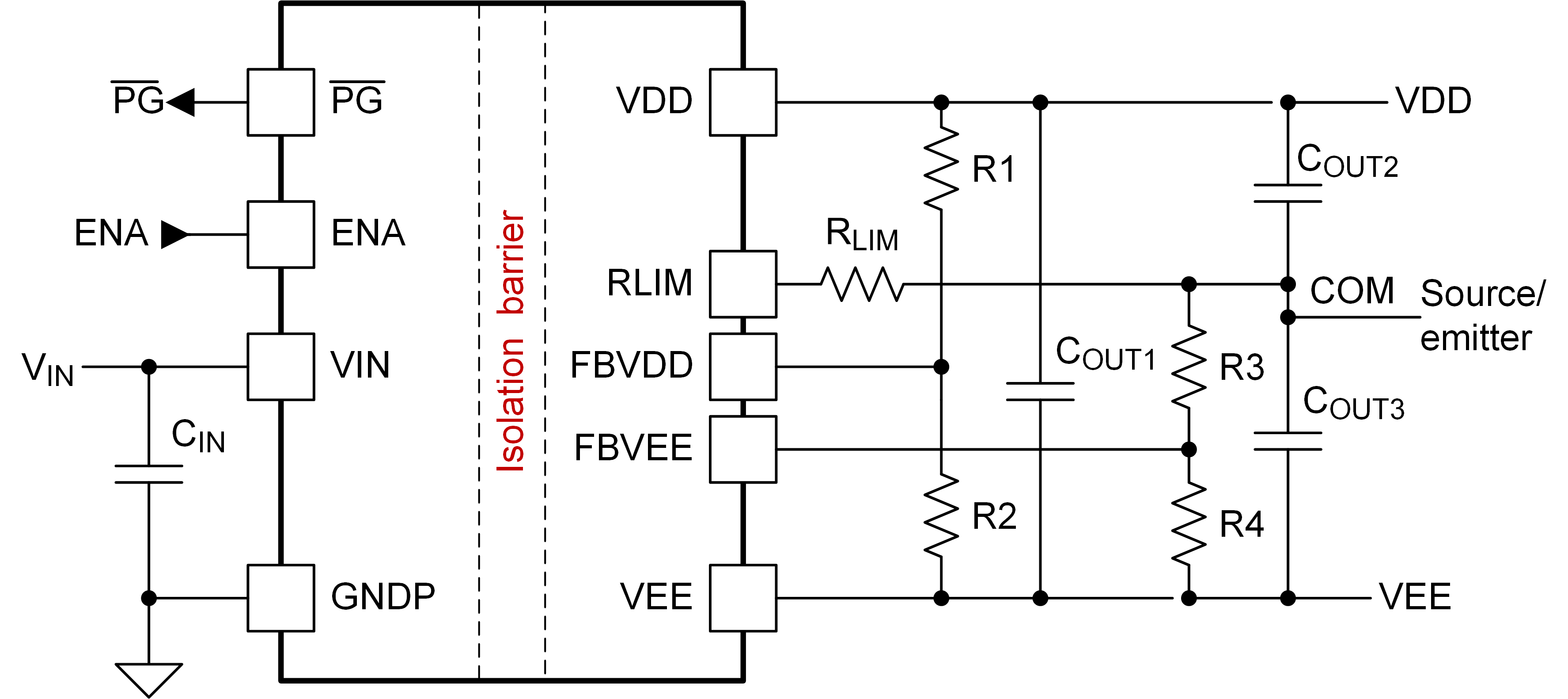
  7. Pin Configuration and Functions
  8. Specifications
    1. 7.1  Absolute Maximum Ratings
    2. 7.2  ESD Ratings
    3. 7.3  Recommended Operating Conditions
    4. 7.4  Thermal Information
    5. 7.5  Insulation Specifications
    6. 7.6  Safety-Related Certifications
    7. 7.7  Electrical Characteristics
    8. 7.8  Safety Limiting Values
    9. 7.9  Insulation Characteristics
    10. 7.10 Typical Characteristics
  9. Detailed Description
    1. 8.1 Overview
    2. 8.2 Functional Block Diagram
    3. 8.3 Feature Description
      1. 8.3.1 Power Stage Operation
        1. 8.3.1.1 VDD-VEE Voltage Regulation
        2. 8.3.1.2 COM-VEE Voltage Regulation
        3. 8.3.1.3 Power Handling Capability
      2. 8.3.2 Output Voltage Soft Start
      3. 8.3.3 ENA and PG
      4. 8.3.4 Protection Functions
        1. 8.3.4.1 Input Undervoltage Lockout
        2. 8.3.4.2 Input Overvoltage Lockout
        3. 8.3.4.3 Output Undervoltage Protection
        4. 8.3.4.4 Output Overvoltage Protection
        5. 8.3.4.5 Overpower Protection
        6. 8.3.4.6 Overtemperature Protection
    4. 8.4 Device Functional Modes
  10. Application and Implementation
    1. 9.1 Application Information
    2. 9.2 Typical Application
      1. 9.2.1 Design Requirements
      2. 9.2.2 Detailed Design Procedure
        1. 9.2.2.1 Capacitor Selection
        2. 9.2.2.2 Single RLIM Resistor Selection
        3. 9.2.2.3 RDR Circuit Component Selection
    3. 9.3 System Examples
    4. 9.4 Power Supply Recommendations
    5. 9.5 Layout
      1. 9.5.1 Layout Guidelines
      2. 9.5.2 Layout Example
  11. 10Device and Documentation Support
    1. 10.1 Documentation Support
      1. 10.1.1 Related Documentation
    2. 10.2 Receiving Notification of Documentation Updates
    3. 10.3 Support Resources
    4. 10.4 Trademarks
    5. 10.5 Electrostatic Discharge Caution
    6. 10.6 Glossary
  12. 11Mechanical, Packaging, and Orderable Information

Package Options

Mechanical Data (Package|Pins)
Thermal pad, mechanical data (Package|Pins)
Orderable Information

Description

UCC14141-Q1 is an automotive qualified high isolation voltage DC/DC power module designed to provide power to IGBT or SiC gate drivers. The UCC14141-Q1 integrates a transformer and DC/DC controller with a proprietary architecture to achieve high density with very low emissions. The high-accuracy output voltages provide better channel enhancement for higher system efficiency without over-stressing the power device gate. The input voltage of UCC14141-Q1 supports both wide LiFePO4 battery voltage of electric vehicle (8 V-18 V) and regulated 12-V rail (10.8 V-13.2 V), with different output power.

The fully integrated module with on-chip device protection requires a minimum of external components, and provides extra features such as input under-voltage lockout, over-voltage lockout, output voltage power-good comparators, over-temperature shutdown, soft-start time-out, adjustable isolated positive and negative output voltage, an enable pin, and an open-drain output power-good pin.

Device Information
ORDERABLE PART NUMBER(1)PACKAGEBODY SIZE (NOM)
UCC14141QDWNRQ1SSOP12.83 mm × 7.50 mm
For all available packages, see the orderable addendum at the end of the data sheet.
GUID-9B919D47-5616-448C-8F2D-DAE34CC73A09-low.gifSimplified Application
GUID-1D74E6CC-C6F7-4681-B3DB-192406F232B1-low.svgTypical Power-up Sequence