SBOS375D October   2006  – October 2024 XTR111

PRODUCTION DATA  

  1.   1
  2. Features
  3. Applications
  4. Description
  5. Pin Configurations and Functions
  6. Specifications
    1. 5.1 Absolute Maximum Ratings
    2. 5.2 ESD Ratings
    3. 5.3 Recommended Operating Conditions
    4. 5.4 Thermal Information
    5. 5.5 Electrical Characteristics
    6. 5.6 Typical Characteristics
  7. Detailed Description
    1. 6.1 Overview
    2. 6.2 Functional Block Diagram
    3. 6.3 Feature Description
      1. 6.3.1 Explanation of Pin Functions
      2. 6.3.2 Dynamic Performance
      3. 6.3.3 External Current Limit
      4. 6.3.4 External MOSFET
      5. 6.3.5 Output Error Flag and Disable Input
      6. 6.3.6 Voltage Regulator
      7. 6.3.7 Level Shift of 0V Input and Transconductance Trim
    4. 6.4 Device Functional Modes
  8. Application and Implementation
    1. 7.1 Application Information
      1. 7.1.1 Input Voltage
      2. 7.1.2 Error Flag Delay
      3. 7.1.3 Voltage Output Configuration
      4. 7.1.4 4mA-to-20mA Output
    2. 7.2 Typical Applications
      1. 7.2.1 0mA–20mA Voltage-to-Current Converter
        1. 7.2.1.1 Design Requirements
        2. 7.2.1.2 Detailed Design Procedure
        3. 7.2.1.3 Application Curve
      2. 7.2.2 Additional Applications
    3. 7.3 Power Supply Recommendations
    4. 7.4 Layout
      1. 7.4.1 Layout Guidelines
        1. 7.4.1.1 Package and Heat Dissipation
        2. 7.4.1.2 Thermal Pad Guidelines
      2. 7.4.2 Layout Example
  9. Device and Documentation Support
    1. 8.1 Device Support
      1. 8.1.1 Third-Party Products Disclaimer
    2. 8.2 Documentation Support
      1. 8.2.1 Related Documentation
    3. 8.3 Receiving Notification of Documentation Updates
    4. 8.4 Support Resources
    5. 8.5 Trademarks
    6. 8.6 Electrostatic Discharge Caution
    7. 8.7 Glossary
  10. Revision History
  11. 10Mechanical, Packaging, and Orderable Information

Package Options

Refer to the PDF data sheet for device specific package drawings

Mechanical Data (Package|Pins)
  • DRC|10
  • DGQ|10
Thermal pad, mechanical data (Package|Pins)
Orderable Information

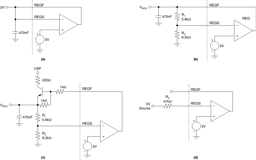
Voltage Regulator

The externally adjustable voltage regulator provides up to 5mA of current and offers drive (REGF) and sense (REGS) to allow external setting of the output voltage. Figure 6-7 shows the voltage regulator basic connections. The sense input (REGS) is referenced to 3.0V representing the lowest adjustable voltage level. An external resistor divider sets VREGF.

Equation 3. V R E G F = V R E G S × ( R 1 + R 2 ) R 2
XTR111 Basic Connections of the
                    Voltage Regulator Figure 6-7 Basic Connections of the Voltage Regulator

Table 6-2 provides example values for the regulator adjustment resistors.

Table 6-2 Example Resistor Values for Setting the Regulator Voltage
VREGF R1 R2
3V 0kΩ
3.3V 3.3kΩ 33kΩ
5V 5.6kΩ 8.2kΩ
12.4V 27kΩ 8.6kΩ

The voltage at REGF is limited by the supply voltage. If the supply voltage drops close to the set voltage, the driver output saturates and follows the supply with a voltage drop of less than 1V (depending on load current and temperature).

For good stability and transient response, use a load capacitance of 470nF or greater. The bias current into the sense input (REGS) is typically less than 1μA. Consider the bias current when selecting high resistance values for the voltage setting because the bias current lowers the voltage and produces additional temperature dependence.

The REGF output cannot sink current. In case of supply-voltage loss, the output is protected against the discharge currents from load capacitors by internal protection diodes; the peak current must not exceed 25mA.

If the voltage regulator output is not used, connect REGF to REGS (3V mode) loaded with a 2.2nF capacitor. Alternatively, overdrive the loop pulling REGS high; Figure 6-7d shows this method.