JAJSG65B September   2018  – December 2018 ADS1278-SP

PRODUCTION DATA.  

  1. 特長
  2. アプリケーション
  3. 概要
    1.     Device Images
      1.      概略回路図
  4. 改訂履歴
  5. 概要(続き)
  6. Pin Configuration and Functions
    1.     Pin Functions
  7. Specifications
    1. 7.1 Absolute Maximum Ratings
    2. 7.2 ESD Ratings
    3. 7.3 Recommended Operating Conditions
    4. 7.4 Thermal Information
    5. 7.5 Electrical Characteristics
    6. 7.6 Timing Requirements: SPI Format
    7. 7.7 Timing Requirements: Frame-Sync Format
    8. 7.8 Quality Conformance Inspection
    9. 7.9 Typical Characteristics
  8. Detailed Description
    1. 8.1 Overview
    2. 8.2 Functional Block Diagram
    3. 8.3 Feature Description
      1. 8.3.1  Sampling Aperture Matching
      2. 8.3.2  Frequency Response
        1. 8.3.2.1 High-Speed, Low-Power, And Low-Speed Modes
        2. 8.3.2.2 High-Resolution Mode
      3. 8.3.3  Phase Response
      4. 8.3.4  Settling Time
      5. 8.3.5  Data Format
      6. 8.3.6  Analog Inputs (AINP, AINN)
      7. 8.3.7  Voltage Reference Inputs (VREFP, VREFN)
      8. 8.3.8  Clock Input (CLK)
      9. 8.3.9  Mode Selection (MODE)
      10. 8.3.10 Synchronization (SYNC)
      11. 8.3.11 Power-Down (PWDN)
      12. 8.3.12 Format[2:0]
      13. 8.3.13 Serial Interface Protocols
      14. 8.3.14 SPI Serial Interface
        1. 8.3.14.1 SCLK
        2. 8.3.14.2 DRDY/FSYNC (SPI Format)
        3. 8.3.14.3 DOUT
        4. 8.3.14.4 DIN
      15. 8.3.15 Frame-Sync Serial Interface
        1. 8.3.15.1 SCLK
        2. 8.3.15.2 DRDY/FSYNC (Frame-Sync Format)
        3. 8.3.15.3 DOUT
        4. 8.3.15.4 DIN
      16. 8.3.16 DOUT Modes
        1. 8.3.16.1 TDM Mode
        2. 8.3.16.2 TDM Mode, Fixed-Position Data
        3. 8.3.16.3 TDM Mode, Dynamic Position Data
        4. 8.3.16.4 Discrete Data Output Mode
      17. 8.3.17 Daisy-Chaining
      18. 8.3.18 Modulator Output
      19. 8.3.19 Pin Test Using Test[1:0] Inputs
      20. 8.3.20 VCOM Output
    4. 8.4 Device Functional Modes
  9. Application and Implementation
    1. 9.1 Application Information
    2. 9.2 Typical Application
      1. 9.2.1 Design Requirements
      2. 9.2.2 Detailed Design Procedure
      3. 9.2.3 Application Curve
  10. 10Power Supply Recommendations
  11. 11Layout
    1. 11.1 Layout Guidelines
    2. 11.2 Layout Example
  12. 12デバイスおよびドキュメントのサポート
    1. 12.1 ドキュメントの更新通知を受け取る方法
    2. 12.2 コミュニティ・リソース
    3. 12.3 商標
    4. 12.4 静電気放電に関する注意事項
    5. 12.5 Glossary
  13. 13メカニカル、パッケージ、および注文情報

パッケージ・オプション

メカニカル・データ(パッケージ|ピン)
サーマルパッド・メカニカル・データ
発注情報

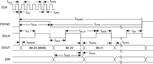
Timing Requirements: Frame-Sync Format(4)

over operating free-air temperature range (unless otherwise noted)
SYMBOL PARAMETER MIN TYP MAX UNIT
tCLK CLK period (1 / fCLK) All modes 37 10,000 ns
High-Speed mode only 30.5 ns
tCPW CLK positive or negative pulse width 12 ns
tCS Falling edge of CLK to falling edge of SCLK –0.25 0.25 tCLK
tFRAME Frame period (1 / fDATA)(1) 256 2560 tCLK
tFPW FSYNC positive or negative pulse width 1 tSCLK
tFS Rising edge of FSYNC to rising edge of SCLK 5 ns
tSF Rising edge of SCLK to rising edge of FSYNC 5 ns
tSCLK SCLK period(2) 1 tCLK
tSPW SCLK positive or negative pulse width 0.4 tCLK
tDOHD(5)(3) SCLK falling edge to old DOUT invalid (hold time) 10 ns
tDOPD(3) SCLK falling edge to new DOUT valid (propagation delay) 31 ns
tMSBPD FSYNC rising edge to DOUT MSB valid (propagation delay) 31 ns
tDIST New DIN valid to falling edge of SCLK (setup time) 6 ns
tDIHD(5) Old DIN valid to falling edge of SCLK (hold time) 6 ns
Depends on MODE[1:0] and CLKDIV selection. See Table 5 (fCLK / fDATA).
SCLK must be continuously running and limited to ratios of 1, 1/2, 1/4, and 1/8 of fCLK.
Load on DOUT = 20 pF.
Timing parameters are characterized or assured by design for specified temperature but not production tested.
tDOHD (DOUT hold time) and tDIHD (DIN hold time) are specified under opposite worst-case conditions (digital supply voltage and ambient temperature). Under equal conditions, with DOUT connected directly to DIN, the timing margin is > 4 ns.
ADS1278-SP fs_time-bas367.gifFigure 2. Frame-Sync Format Timing Characteristics