JAJSJ32C December   2019  – September 2023 AM6526 , AM6528 , AM6546 , AM6548

PRODUCTION DATA  

  1.   1
  2. 特長
  3. アプリケーション
  4. 概要
    1. 3.1 機能ブロック図
  5. Device Comparison
    1. 4.1 Related Products
  6. Terminal Configuration and Functions
    1. 5.1 Pin Diagram
    2. 5.2 Pin Attributes
    3. 5.3 Signal Descriptions
      1. 5.3.1  ADC
        1. 5.3.1.1 MCU Domain
      2. 5.3.2  CAL
        1. 5.3.2.1 MAIN Domain
      3. 5.3.3  CPSW2G
        1. 5.3.3.1 MCU Domain
      4. 5.3.4  DDRSS
        1. 5.3.4.1 MAIN Domain
        2. 5.3.4.2 DDRSS Mapping
      5. 5.3.5  DMTIMER
        1. 5.3.5.1 MAIN Domain
        2. 5.3.5.2 MCU Domain
      6. 5.3.6  DSS
        1. 5.3.6.1 MAIN Domain
      7. 5.3.7  ECAP
        1. 5.3.7.1 MAIN Domain
      8. 5.3.8  EHRPWM
        1. 5.3.8.1 MAIN Domain
      9. 5.3.9  EQEP
        1. 5.3.9.1 MAIN Domain
      10. 5.3.10 GPIO
        1. 5.3.10.1 MAIN Domain
        2. 5.3.10.2 WKUP Domain
      11. 5.3.11 GPMC
        1. 5.3.11.1 MAIN Domain
      12. 5.3.12 HyperBus
        1. 5.3.12.1 MCU Domain
      13. 5.3.13 I2C
        1. 5.3.13.1 MAIN Domain
        2. 5.3.13.2 MCU Domain
        3. 5.3.13.3 WKUP Domain
      14. 5.3.14 MCAN
        1. 5.3.14.1 MCU Domain
      15. 5.3.15 MCASP
        1. 5.3.15.1 MAIN Domain
      16. 5.3.16 MCSPI
        1. 5.3.16.1 MAIN Domain
        2. 5.3.16.2 MCU Domain
      17. 5.3.17 MMCSD
        1. 5.3.17.1 MAIN Domain
      18. 5.3.18 CPTS
        1. 5.3.18.1 MCU Domain
        2. 5.3.18.2 MAIN Domain
      19. 5.3.19 OLDI
        1. 5.3.19.1 MAIN Domain
      20. 5.3.20 OSPI
        1. 5.3.20.1 MCU Domain
      21. 5.3.21 PRU_ICSSG
        1. 5.3.21.1 MAIN Domain
      22. 5.3.22 SERDES
        1. 5.3.22.1 MAIN Domain
      23. 5.3.23 UART
        1. 5.3.23.1 MAIN Domain
        2. 5.3.23.2 MCU Domain
        3. 5.3.23.3 WKUP Domain
      24. 5.3.24 USB
        1. 5.3.24.1 MAIN Domain
      25. 5.3.25 Emulation and Debug
        1. 5.3.25.1 MAIN Domain
      26. 5.3.26 System and Miscellaneous
        1. 5.3.26.1 Boot Mode Configuration
          1. 5.3.26.1.1 MAIN Domain
          2. 5.3.26.1.2 MCU Domain
        2. 5.3.26.2 Clock
          1. 5.3.26.2.1 MAIN Domain
          2. 5.3.26.2.2 WKUP Domain
        3. 5.3.26.3 System
          1. 5.3.26.3.1 MAIN Domain
          2. 5.3.26.3.2 WKUP Domain
        4. 5.3.26.4 Miscellaneous
          1. 5.3.26.4.1 WKUP Domain
        5. 5.3.26.5 EFUSE
          1. 5.3.26.5.1 MAIN Domain
          2. 5.3.26.5.2 MCU Domain
      27. 5.3.27 Power Supply
    4. 5.4 Pin Multiplexing
    5. 5.5 Connections for Unused Pins
  7. Specifications
    1. 6.1 Absolute Maximum Ratings
    2. 6.2 ESD Ratings
    3. 6.3 Power-On Hours (POH)
    4. 6.4 Recommended Operating Conditions
    5. 6.5 Operating Performance Points
      1. 6.5.1 Voltage and Core Clock Specifications
    6. 6.6 Electrical Characteristics
      1. 6.6.1 I2C OPEN DRAIN DC Electrical Characteristics
      2. 6.6.2 Analog OSC Buffers DC Electrical Characteristics
      3. 6.6.3 Analog ADC DC Electrical Characteristics
      4. 6.6.4 DPHY CSI2 Buffers DC Electrical Characteristics
      5. 6.6.5 OLDI LVDS Buffers DC Electrical Characteristics
        1. 6.6.5.1 LVCMOS Buffers DC Electrical Characteristics
      6. 6.6.6 USBHS Buffers DC Electrical Characteristics
      7. 6.6.7 SERDES Buffers DC Electrical Characteristics
    7. 6.7 VPP Specifications for One-Time Programmable (OTP) eFuses
      1. 6.7.1 Recommended Operating Conditions for OTP eFuse Programming
      2. 6.7.2 Hardware Requirements
      3. 6.7.3 Programming Sequence
      4. 6.7.4 Impact to Your Hardware Warranty
    8. 6.8 Thermal Resistance Characteristics
      1. 6.8.1 Thermal Resistance Characteristics
    9. 6.9 Timing and Switching Characteristics
      1. 6.9.1 Timing Parameters and Information
      2. 6.9.2 Power Supply Sequencing
        1. 6.9.2.1 Power Supply Slew Rate Requirement
        2. 6.9.2.2 VDDA_1P8_SERDES0 Supply Slew Rate Requirement
        3. 6.9.2.3 Power-Up Sequencing
        4. 6.9.2.4 Power-Down Sequencing
      3. 6.9.3 System Timing
        1. 6.9.3.1 Reset Electrical Data/Timing
        2. 6.9.3.2 Safety Signal Timing
        3. 6.9.3.3 Clock Timing
      4. 6.9.4 Clock Specifications
        1. 6.9.4.1 Input Clocks / Oscillators
          1. 6.9.4.1.1 WKUP_OSC0 Internal Oscillator Clock Source
          2. 6.9.4.1.2 WKUP_OSC0 LVCMOS Digital Clock Source
          3. 6.9.4.1.3 Auxiliary OSC1 Internal Oscillator Clock Source
          4. 6.9.4.1.4 Auxiliary OSC1 LVCMOS Digital Clock Source
          5. 6.9.4.1.5 Auxiliary OSC1 Not Used
          6. 6.9.4.1.6 WKUP_LFOSC0 Internal Oscillator Clock Source
          7. 6.9.4.1.7 WKUP_LFOSC0 LVCMOS Digital Clock Source
          8. 6.9.4.1.8 WKUP_LFOSC0 Not Used
        2. 6.9.4.2 Output Clocks
        3. 6.9.4.3 PLLs
        4. 6.9.4.4 Recommended Clock and Control Signal Transition Behavior
        5. 6.9.4.5 Module and Peripheral Clock Frequencies
      5. 6.9.5 Peripherals
        1. 6.9.5.1  VIN
        2. 6.9.5.2  CPSW2G
          1. 6.9.5.2.1 CPSW2G MDIO Interface Timings
          2. 6.9.5.2.2 CPSW2G RMII Timings
            1. 6.9.5.2.2.1 Timing Requirements for RMII[x]_REFCLK - RMII Mode
            2. 6.9.5.2.2.2 Timing Requirements for RMII[x]_RXD[1:0], RMII[x]_CRS_DV, and RMII[x]_RXER - RMII Mode
            3. 6.9.5.2.2.3 Switching Characteristics for RMII[x]_TXD[1:0], and RMII[x]_TXEN - RMII Mode
          3. 6.9.5.2.3 CPSW2G RGMII Timings
            1. 6.9.5.2.3.1 Timing Requirements for RGMII[x]_RCLK - RGMII Mode
            2. 6.9.5.2.3.2 Timing Requirements for RGMII[x]_RD[3:0], and RGMII[x]_RCTL - RGMII Mode
            3. 6.9.5.2.3.3 Switching Characteristics for RGMII[x]_TCLK - RGMII Mode
            4. 6.9.5.2.3.4 Switching Characteristics for RGMII[x]_TD[3:0], and RGMII[x]_TX_CTL - RGMII Mode
        3. 6.9.5.3  CSI2
        4. 6.9.5.4  DDRSS
        5. 6.9.5.5  DSS
        6. 6.9.5.6  eCAP
          1. 6.9.5.6.1 eCAP Timing Requirements
          2. 6.9.5.6.2 eCAP Switching Characteristics
        7. 6.9.5.7  ePWM
          1. 6.9.5.7.1 ePWM Timing Requirements
          2. 6.9.5.7.2 ePWM Switching Characteristics
        8. 6.9.5.8  eQEP
          1. 6.9.5.8.1 eQEP Timing Requirements
          2. 6.9.5.8.2 eQEP Switching Characteristics
        9. 6.9.5.9  GPIO
          1. 6.9.5.9.1 GPIO Timing Requirements
          2. 6.9.5.9.2 GPIO Switching Characteristics
        10. 6.9.5.10 GPMC
          1. 6.9.5.10.1 GPMC and NOR Flash—Synchronous Mode
            1. 6.9.5.10.1.1 GPMC and NOR Flash Timing Requirements—Synchronous Mode
            2. 6.9.5.10.1.2 GPMC and NOR Flash Switching Characteristics—Synchronous Mode
          2. 6.9.5.10.2 GPMC and NOR Flash—Asynchronous Mode
            1. 6.9.5.10.2.1 GPMC and NOR Flash Timing Requirements—Asynchronous Mode
            2. 6.9.5.10.2.2 GPMC and NOR Flash Switching Characteristics—Asynchronous Mode
          3. 6.9.5.10.3 GPMC and NAND Flash—Asynchronous Mode
            1. 6.9.5.10.3.1 GPMC and NAND Flash Timing Requirements—Asynchronous Mode
            2. 6.9.5.10.3.2 GPMC and NAND Flash Switching Characteristics—Asynchronous Mode
        11. 6.9.5.11 HyperBus
          1. 6.9.5.11.1 Timing Requirements for HyperBus Initialization
          2. 6.9.5.11.2 HyperBus 166 MHz Switching Characteristics
          3. 6.9.5.11.3 HyperBus 100 MHz Switching Characteristics
        12. 6.9.5.12 I2C
        13. 6.9.5.13 MCAN
        14. 6.9.5.14 MCASP
          1. 6.9.5.14.1 MCASP Timing Requirements and Switching Characteristics
        15. 6.9.5.15 MCSPI
          1. 6.9.5.15.1 SPI—Master Mode
          2. 6.9.5.15.2 SPI—Slave Mode
        16. 6.9.5.16 MMCSD
          1. 6.9.5.16.1 MMCSDi — eMMC/SD/SDIO Card Interface
            1. 6.9.5.16.1.1 Default Speed, 3.3V Legacy SDR Mode
            2. 6.9.5.16.1.2 High Speed, 3.3V High Speed SDR Mode
            3. 6.9.5.16.1.3 UHS-I SDR12, 1.8-V Legacy SDR Mode
            4. 6.9.5.16.1.4 UHS-I SDR25 Mode
            5. 6.9.5.16.1.5 UHS-I DDR50 Mode
            6. 6.9.5.16.1.6 UHS-I SDR50 Mode
            7. 6.9.5.16.1.7 UHS-I SDR104 / HS200 Mode
        17. 6.9.5.17 CPTS
          1. 6.9.5.17.1 CPTS Timing Requirements
          2. 6.9.5.17.2 CPTS Switching Characteristics
        18. 6.9.5.18 OSPI
          1. 6.9.5.18.1 OSPI with Data Training
            1. 6.9.5.18.1.1 OSPI Switching Characteristics - Data Training
          2. 6.9.5.18.2 OSPI without Data Training
            1. 6.9.5.18.2.1 OSPI Timing Requirements - SDR Mode
            2. 6.9.5.18.2.2 OSPI Switching Characteristics - SDR Mode
            3. 6.9.5.18.2.3 OSPI Timing Requirements - DDR Mode
            4. 6.9.5.18.2.4 OSPI Switching Characteristics - DDR Mode
        19. 6.9.5.19 OLDI
          1. 6.9.5.19.1 OLDI Switching Characteristics
        20. 6.9.5.20 PCIE
        21. 6.9.5.21 PRU_ICSSG
          1. 6.9.5.21.1 Programmable Real-Time Unit (PRU_ICSSG PRU)
            1. 6.9.5.21.1.1 PRU_ICSSG PRU Direct Input/Output Mode Electrical Data and Timing
              1. 6.9.5.21.1.1.1 PRU_ICSSG PRU Switching Characteristics - Direct Output Mode
            2. 6.9.5.21.1.2 PRU_ICSSG PRU Parallel Capture Mode Electrical Data and Timing
              1. 6.9.5.21.1.2.1 PRU_ICSSG PRU Timing Requirements - Parallel Capture Mode
            3. 6.9.5.21.1.3 PRU_ICSSG PRU Shift Mode Electrical Data and Timing
              1. 6.9.5.21.1.3.1 PRU_ICSSG PRU Timing Requirements - Shift In Mode
              2. 6.9.5.21.1.3.2 PRU_ICSSG PRU Switching Characteristics - Shift Out Mode
            4. 6.9.5.21.1.4 PRU_ICSSG PRU Sigma Delta and Peripheral Interface Modes Electrical Data and Timing
              1. 6.9.5.21.1.4.1 PRU_ICSSG PRU Timing Requirements - Sigma Delta Mode
              2. 6.9.5.21.1.4.2 PRU_ICSSG PRU Timing Requirements - Peripheral Interface Mode
              3. 6.9.5.21.1.4.3 PRU_ICSSG PRU Switching Characteristics - Peripheral Interface Mode
          2. 6.9.5.21.2 PRU_ICSSG Pulse Width Modulation (PWM)
            1. 6.9.5.21.2.1 PRU_ICSSG PWM Electrical Data and Timing
              1. 6.9.5.21.2.1.1 PRU_ICSSG PWM Switching Characteristics
          3. 6.9.5.21.3 PRU_ICSSG Industrial Ethernet Peripheral (PRU_ICSSG IEP)
            1. 6.9.5.21.3.1 PRU_ICSSG IEP Electrical Data and Timing
              1. 6.9.5.21.3.1.1 PRU_ICSSG IEP Timing Requirements - Input Validated with SYNCx
              2. 6.9.5.21.3.1.2 PRU_ICSSG IEP Timing Requirements - Digital IOs
              3. 6.9.5.21.3.1.3 PRU_ICSSG IEP Timing Requirements - LATCHx_IN
          4. 6.9.5.21.4 PRU_ICSSG Universal Asynchronous Receiver Transmitter (PRU-ICSS UART)
            1. 6.9.5.21.4.1 PRU_ICSSG UART Electrical Data and Timing
              1. 6.9.5.21.4.1.1 PRU_ICSSG UART Timing Requirements
              2. 6.9.5.21.4.1.2 PRU_ICSSG UART Switching Characteristics
          5. 6.9.5.21.5 PRU_ICSSG Enhanced Capture Peripheral (PRU-ICSS ECAP)
            1. 6.9.5.21.5.1 PRU_ICSSG ECAP Electrical Data and Timing
              1. 6.9.5.21.5.1.1 PRU_ICSSG ECAP Timing Requirements
              2. 6.9.5.21.5.1.2 PRU_ICSSG ECAP Switching Characteristics
          6. 6.9.5.21.6 PRU_ICSSG RGMII, MII_RT, and Switch
            1. 6.9.5.21.6.1 PRU_ICSSG MDIO Electrical Data and Timing
              1. 6.9.5.21.6.1.1 PRU_ICSSG MDIO Timing Requirements
              2. 6.9.5.21.6.1.2 PRU_ICSSG MDIO Switching Characteristics - MDIO_CLK
              3. 6.9.5.21.6.1.3 PRU_ICSSG MDIO Switching Characteristics – MDIO_DATA
            2. 6.9.5.21.6.2 PRU_ICSSG RGMII Electrical Data and Timing
              1. 6.9.5.21.6.2.1 PRU_ICSSG RGMII Timing Requirements - RGMII_RXC
              2. 6.9.5.21.6.2.2 PRU_ICSSG RGMII Timing Requirements - RGMII_RD[3:0] and RGMII_RX_CTL
              3. 6.9.5.21.6.2.3 PRU_ICSSG RGMII Switching Characteristics - RGMII_TXC
              4. 6.9.5.21.6.2.4 PRU_ICSSG RGMII Switching Characteristics - RGMII_TD[3:0] and RGMII_TX_CTL
            3. 6.9.5.21.6.3 PRU_ICSSG MII_RT Electrical Data and Timing
              1. 6.9.5.21.6.3.1 PRU_ICSSG MII_RT Timing Requirements – MII_RX_CLK
              2. 6.9.5.21.6.3.2 PRU_ICSSG MII_RT Timing Requirements – MII_RXD[3:0], MII_RX_DV, and MII_RX_ER
              3. 6.9.5.21.6.3.3 PRU_ICSSG MII_RT Switching Characteristics – MII_TX_CLK
              4. 6.9.5.21.6.3.4 PRU_ICSSG MII_RT Switching Characteristics – MII_TXD[3:0] and MII_TXEN
        22. 6.9.5.22 Timers
          1. 6.9.5.22.1 Timing Requirements for Timers
          2. 6.9.5.22.2 Switching Characteristics for Timers
        23. 6.9.5.23 UART
          1. 6.9.5.23.1 Timing Requirements for UART
          2. 6.9.5.23.2 Switching Characteristics Over Recommended Operating Conditions for UART
        24. 6.9.5.24 USB
        25. 6.9.5.25 Emulation and Debug
          1. 6.9.5.25.1 Debug Trace
          2. 6.9.5.25.2 JTAG
            1. 6.9.5.25.2.1 JTAG Electrical Data and Timing
              1. 6.9.5.25.2.1.1 JTAG Timing Requirements
              2. 6.9.5.25.2.1.2 JTAG Switching Characteristics
  8. Detailed Description
    1. 7.1 Overview
    2. 7.2 Processor Subsystems
      1. 7.2.1 Arm Cortex-A53
      2. 7.2.2 Arm Cortex-R5F
    3. 7.3 Accelerators and Coprocessors
      1. 7.3.1 PRU_ICSSG
        1. 7.3.1.1 PRU_ICSSG PRU and RTU_PRU Cores
        2. 7.3.1.2 PRU_ICSSG Broadside Accelerators Overview
        3. 7.3.1.3 PRU_ICSSG UART Module
        4. 7.3.1.4 PRU_ICSSG ECAP Module
        5. 7.3.1.5 PRU_ICSSG PWM Module
        6. 7.3.1.6 PRU_ICSSG MII_G_RT Module
        7. 7.3.1.7 PRU_ICSSG MII MDIO Module
        8. 7.3.1.8 PRU_ICSSG IEP
      2. 7.3.2 GPU
    4. 7.4 Other Subsystems
      1. 7.4.1 DMSC
      2. 7.4.2 MSMC
      3. 7.4.3 NAVSS
        1. 7.4.3.1 NAVSS0
        2. 7.4.3.2 MCU_NAVSS0
      4. 7.4.4 PDMA Controller
      5. 7.4.5 Peripherals
        1. 7.4.5.1  ADC
        2. 7.4.5.2  CAL
        3. 7.4.5.3  CPSW2G
        4. 7.4.5.4  DCC
        5. 7.4.5.5  DDRSS
        6. 7.4.5.6  DSS
        7. 7.4.5.7  ЕCAP
        8. 7.4.5.8  EPWM
        9. 7.4.5.9  ELM
        10. 7.4.5.10 ESM
        11. 7.4.5.11 EQEP
        12. 7.4.5.12 GPIO
        13. 7.4.5.13 GPMC
        14. 7.4.5.14 HyperBus
        15. 7.4.5.15 I2C
        16. 7.4.5.16 MCAN
        17. 7.4.5.17 MCASP
        18. 7.4.5.18 MCRC
        19. 7.4.5.19 MCSPI
        20. 7.4.5.20 MMCSD
        21. 7.4.5.21 OSPI
        22. 7.4.5.22 PCIE
        23. 7.4.5.23 SerDes
        24. 7.4.5.24 RTI
        25. 7.4.5.25 Timers
        26. 7.4.5.26 UART
        27. 7.4.5.27 USB
    5. 7.5 Identification
      1. 7.5.1 Revision Identification
      2. 7.5.2 Die Identification
      3. 7.5.3 JTAG Identification
      4. 7.5.4 ROM Code Identification
    6. 7.6 Boot Modes
  9. Applications, Implementation, and Layout
    1. 8.1 Device Connection and Layout Fundamentals
      1. 8.1.1 Power Supply Decoupling and Bulk Capacitors
        1. 8.1.1.1 Power Distribution Network Implementation Guidance
      2. 8.1.2 External Oscillator
      3. 8.1.3 JTAG and EMU
      4. 8.1.4 Reset
      5. 8.1.5 Unused Pins
      6. 8.1.6 Hardware Design Guide for AM65x/DRA80xM Devices
    2. 8.2 Peripheral- and Interface-Specific Design Information
      1. 8.2.1 DDR Board Design and Layout Guidelines
      2. 8.2.2 OSPI Board Design and Layout Guidelines
        1. 8.2.2.1 No Loopback and Internal Pad Loopback
        2. 8.2.2.2 External Board Loopback
        3. 8.2.2.3 DQS (Only Available in Octal Flash Devices)
      3. 8.2.3 USB Design Guidelines
      4. 8.2.4 High Speed Differential Signal Routing Guidance
      5. 8.2.5 System Power Supply Monitor Design Guidelines
      6. 8.2.6 MMC Design Guidelines
      7. 8.2.7 Integrated Power Management Features
      8. 8.2.8 External Capacitors
        1. 8.2.8.1 LVCMOS External Capacitor Connections
      9. 8.2.9 Thermal Solution Guidance
  10. Device and Documentation Support
    1. 9.1 Device Nomenclature
      1. 9.1.1 Standard Package Symbolization
      2. 9.1.2 Device Naming Convention
    2. 9.2 Tools and Software
    3. 9.3 Documentation Support
    4. 9.4 サポート・リソース
    5. 9.5 Trademarks
    6. 9.6 静電気放電に関する注意事項
    7. 9.7 用語集
  11. 10Revision History
  12. 11Mechanical, Packaging, and Orderable Information
    1. 11.1 Packaging Information

パッケージ・オプション

デバイスごとのパッケージ図は、PDF版データシートをご参照ください。

メカニカル・データ(パッケージ|ピン)
  • ACD|784
サーマルパッド・メカニカル・データ
発注情報
GPMC and NOR Flash Switching Characteristics—Synchronous Mode
NO.(2)PARAMETERDESCRIPTIONMODE(19)MINMAXUNIT
F0tc(clk)Period, output clock GPMC_CLK (18)div_by_1_mode;
GPMC_FCLK_MUX_100;
TIMEPARAGRANULARITY_X1
10ns
F1tw(clkH)Typical pulse duration, output clock GPMC_CLK highdiv_by_1_mode;
GPMC_FCLK_MUX_100;
TIMEPARAGRANULARITY_X1
-0.3+0.475*P (15)ns
F1tw(clkL)Typical pulse duration, output clock GPMC_CLK lowdiv_by_1_mode;
GPMC_FCLK_MUX_100;
TIMEPARAGRANULARITY_X1
-0.3+0.475*P (15)ns
F2td(clkH-csnV)Delay time, output clock GPMC_CLK rising edge to output chip select GPMC_CSn[x] transition (14)div_by_1_mode;
GPMC_FCLK_MUX_100;
TIMEPARAGRANULARITY_X1;
no extra_delay
-2.2+F (6)4.5+F (6)ns
F3td(clkH-csnIV)Delay time, output clock GPMC_CLK rising edge to output chip select GPMC_CSn[x] invalid (14)div_by_1_mode;
GPMC_FCLK_MUX_100;
TIMEPARAGRANULARITY_X1;
no extra_delay
-2.2+E (5)4.5+E (5)ns
F4td(aV-clk)Delay time, output address GPMC_A[27:1] valid to output clock GPMC_CLK first edgediv_by_1_mode;
GPMC_FCLK_MUX_100;
TIMEPARAGRANULARITY_X1
-2.3+B (2)4.5+B (2)ns
F5td(clkH-aIV)Delay time, output clock GPMC_CLK rising edge to output address GPMC_A[27:1] invaliddiv_by_1_mode;
GPMC_FCLK_MUX_100;
TIMEPARAGRANULARITY_X1
-2.34.5ns
F6td(be[x]nV-clk)Delay time, output lower byte enable and command latch enable GPMC_BE0n_CLE, output upper byte enable GPMC_BE1n valid to output clock GPMC_CLK first edgediv_by_1_mode;
GPMC_FCLK_MUX_100;
TIMEPARAGRANULARITY_X1
-2.3+B (2)1.9+B (2)ns
F7td(clkH-be[x]nIV)Delay time, output clock GPMC_CLK rising edge to output lower byte enable and command latch enable GPMC_BE0n_CLE, output upper byte enable GPMC_BE1n invalid (11)div_by_1_mode;
GPMC_FCLK_MUX_100;
TIMEPARAGRANULARITY_X1
-2.3+D (4)1.9+D (4)ns
F7td(clkL-be[x]nIV)Delay time, GPMC_CLK falling edge to GPMC_BE0n_CLE, GPMC_BE1n invalid (12)div_by_1_mode;
GPMC_FCLK_MUX_100;
TIMEPARAGRANULARITY_X1
-2.3+D (4)1.9+D (4)ns
F7td(clkL-be[x]nIV).Delay time, GPMC_CLK falling edge to GPMC_BE0n_CLE, GPMC_BE1n invalid (13)div_by_1_mode;
GPMC_FCLK_MUX_100;
TIMEPARAGRANULARITY_X1
-2.3+D (4)1.9+D (4)ns
F8td(clkH-advn)Delay time, output clock GPMC_CLK rising edge to output address valid and address latch enable GPMC_ADVn_ALE transitiondiv_by_1_mode;
GPMC_FCLK_MUX_100;
TIMEPARAGRANULARITY_X1;
no extra_delay
-2.3+G (7)4.5+G (7)ns
F9td(clkH-advnIV)Delay time, output clock GPMC_CLK rising edge to output address valid and address latch enable GPMC_ADVn_ALE invaliddiv_by_1_mode;
GPMC_FCLK_MUX_100;
TIMEPARAGRANULARITY_X1;
no extra_delay
-2.3+D (4)4.5+D (4)ns
F10td(clkH-oen)Delay time, output clock GPMC_CLK rising edge to output enable GPMC_OEn_REn transitiondiv_by_1_mode;
GPMC_FCLK_MUX_100;
TIMEPARAGRANULARITY_X1;
no extra_delay
-2.3H (8)3.5+H (8)ns
F11td(clkH-oenIV)Delay time, output clock GPMC_CLK rising edge to output enable GPMC_OEn_REn invaliddiv_by_1_mode;
GPMC_FCLK_MUX_100;
TIMEPARAGRANULARITY_X1;
no extra_delay
-2.3+E (8)3.5+E (8)ns
F14td(clkH-wen)Delay time, output clock GPMC_CLK rising edge to output write enable GPMC_WEn transitiondiv_by_1_mode;
GPMC_FCLK_MUX_100;
TIMEPARAGRANULARITY_X1;
no extra_delay
-2.3+I (9)4.5+I (9)ns
F15td(clkH-do)Delay time, output clock GPMC_CLK rising edge to output data GPMC_AD[15:0] transition (11)div_by_1_mode;
GPMC_FCLK_MUX_100;
TIMEPARAGRANULARITY_X1
-2.3+J (10)2.7+J (10)ns
F15td(clkL-do)Delay time, GPMC_CLK falling edge to GPMC_AD[15:0] data bus transition (12)div_by_1_mode;
GPMC_FCLK_MUX_100;
TIMEPARAGRANULARITY_X1
-2.3+J (10)2.7+J (10)ns
F15td(clkL-do).Delay time, GPMC_CLK falling edge to GPMC_AD[15:0] data bus transition (13)div_by_1_mode;
GPMC_FCLK_MUX_100;
TIMEPARAGRANULARITY_X1
-2.3+J (10)2.7+J (10)ns
F17td(clkH-be[x]n)Delay time, output clock GPMC_CLK rising edge to output lower byte enable and command latch enable GPMC_BE0n_CLE transition (11)div_by_1_mode;
GPMC_FCLK_MUX_100;
TIMEPARAGRANULARITY_X1
-2.3+J (10)1.9+J (10)ns
F17td(clkL-be[x]n)Delay time, GPMC_CLK falling edge to GPMC_BE0n_CLE, GPMC_BE1n transition (12)div_by_1_mode;
GPMC_FCLK_MUX_100;
TIMEPARAGRANULARITY_X1
-2.3+J (10)1.9+J (10)ns
F17td(clkL-be[x]n).Delay time, GPMC_CLK falling edge to GPMC_BE0n_CLE, GPMC_BE1n transition (13)div_by_1_mode;
GPMC_FCLK_MUX_100;
TIMEPARAGRANULARITY_X1
-2.3+J (10)1.9+J (10)ns
F18tw(csnV)Pulse duration, output chip select GPMC_CSn[x] low (14)Read0+A (1)ns
Write0+A (1)ns
F19tw(be[x]nV)Pulse duration, output lower byte enable and command latch enable GPMC_BE0n_CLE, output upper byte enable GPMC_BE1n lowRead0+C (3)ns
Write0+C (3)ns
F20tw(advnV)Pulse duration, output address valid and address latch enable GPMC_ADVn_ALE lowRead0+K (16)ns
Write0+K (16)ns
For single read: A = (CSRdOffTime - CSOnTime) × (TimeParaGranularity + 1) × GPMC_FCLK(17)
For burst read: A = (CSRdOffTime - CSOnTime + (n - 1) × PageBurstAccessTime) × (TimeParaGranularity + 1) × GPMC_FCLK(17)
For burst write: A = (CSWrOffTime - CSOnTime + (n - 1) × PageBurstAccessTime) × (TimeParaGranularity + 1) × GPMC_FCLK(17)
With n being the page burst access number.
B = ClkActivationTime × GPMC_FCLK(17)
For single read: C = RdCycleTime × (TimeParaGranularity + 1) × GPMC_FCLK(17)
For burst read: C = (RdCycleTime + (n - 1) × PageBurstAccessTime) × (TimeParaGranularity + 1) × GPMC_FCLK(17)
For burst write: C = (WrCycleTime + (n - 1) × PageBurstAccessTime) × (TimeParaGranularity + 1) × GPMC_FCLK(17)
With n being the page burst access number.
For single read: D = (RdCycleTime - AccessTime) × (TimeParaGranularity + 1) × GPMC_FCLK(17)
For burst read: D = (RdCycleTime - AccessTime) × (TimeParaGranularity + 1) × GPMC_FCLK(17)
For burst write: D = (WrCycleTime - AccessTime) × (TimeParaGranularity + 1) × GPMC_FCLK(17)
For single read: E = (CSRdOffTime - AccessTime) × (TimeParaGranularity + 1) × GPMC_FCLK(17)
For burst read: E = (CSRdOffTime - AccessTime) × (TimeParaGranularity + 1) × GPMC_FCLK(17)
For burst write: E = (CSWrOffTime - AccessTime) × (TimeParaGranularity + 1) × GPMC_FCLK(17)
For csn falling edge (CS activated):
  • Case GpmcFCLKDivider = 0:
    • F = 0.5 × CSExtraDelay × GPMC_FCLK(17)
  • Case GpmcFCLKDivider = 1:
    • F = 0.5 × CSExtraDelay × GPMC_FCLK(17) if (ClkActivationTime and CSOnTime are odd) or (ClkActivationTime and CSOnTime are even)
    • F = (1 + 0.5 × CSExtraDelay) × GPMC_FCLK(17) otherwise
  • Case GpmcFCLKDivider = 2:
    • F = 0.5 × CSExtraDelay × GPMC_FCLK(17) if ((CSOnTime - ClkActivationTime) is a multiple of 3)
    • F = (1 + 0.5 × CSExtraDelay) × GPMC_FCLK(17) if ((CSOnTime - ClkActivationTime - 1) is a multiple of 3)
    • F = (2 + 0.5 × CSExtraDelay) × GPMC_FCLK(17) if ((CSOnTime - ClkActivationTime - 2) is a multiple of 3)
For ADV falling edge (ADV activated):
  • Case GpmcFCLKDivider = 0:
    • G = 0.5 × ADVExtraDelay × GPMC_FCLK(17)
  • Case GpmcFCLKDivider = 1:
    • G = 0.5 × ADVExtraDelay × GPMC_FCLK(17) if (ClkActivationTime and ADVOnTime are odd) or (ClkActivationTime and ADVOnTime are even)
    • G = (1 + 0.5 × ADVExtraDelay) × GPMC_FCLK(17) otherwise
  • Case GpmcFCLKDivider = 2:
    • G = 0.5 × ADVExtraDelay × GPMC_FCLK(17) if ((ADVOnTime - ClkActivationTime) is a multiple of 3)
    • G = (1 + 0.5 × ADVExtraDelay) × GPMC_FCLK(17) if ((ADVOnTime - ClkActivationTime - 1) is a multiple of 3)
    • G = (2 + 0.5 × ADVExtraDelay) × GPMC_FCLK(17) if ((ADVOnTime - ClkActivationTime - 2) is a multiple of 3)

For ADV rising edge (ADV deactivated) in Reading mode:
  • Case GpmcFCLKDivider = 0:
    • G = 0.5 × ADVExtraDelay × GPMC_FCLK(17)
  • Case GpmcFCLKDivider = 1:
    • G = 0.5 × ADVExtraDelay × GPMC_FCLK(17) if (ClkActivationTime and ADVRdOffTime are odd) or (ClkActivationTime and ADVRdOffTime are even)
    • G = (1 + 0.5 × ADVExtraDelay) × GPMC_FCLK(17) otherwise
  • Case GpmcFCLKDivider = 2:
    • G = 0.5 × ADVExtraDelay × GPMC_FCLK(17) if ((ADVRdOffTime - ClkActivationTime) is a multiple of 3)
    • G = (1 + 0.5 × ADVExtraDelay) × GPMC_FCLK(17) if ((ADVRdOffTime - ClkActivationTime - 1) is a multiple of 3)
    • G = (2 + 0.5 × ADVExtraDelay) × GPMC_FCLK(17) if ((ADVRdOffTime - ClkActivationTime - 2) is a multiple of 3)

For ADV rising edge (ADV deactivated) in Writing mode:
  • Case GpmcFCLKDivider = 0:
    • G = 0.5 × ADVExtraDelay × GPMC_FCLK(17)
  • Case GpmcFCLKDivider = 1:
    • G = 0.5 × ADVExtraDelay × GPMC_FCLK(17) if (ClkActivationTime and ADVWrOffTime are odd) or (ClkActivationTime and ADVWrOffTime are even)
    • G = (1 + 0.5 × ADVExtraDelay) × GPMC_FCLK(17) otherwise
  • Case GpmcFCLKDivider = 2:
    • G = 0.5 × ADVExtraDelay × GPMC_FCLK(17) if ((ADVWrOffTime - ClkActivationTime) is a multiple of 3)
    • G = (1 + 0.5 × ADVExtraDelay) × GPMC_FCLK(17) if ((ADVWrOffTime - ClkActivationTime - 1) is a multiple of 3)
    • G = (2 + 0.5 × ADVExtraDelay) × GPMC_FCLK(17) if ((ADVWrOffTime - ClkActivationTime - 2) is a multiple of 3)
For OE falling edge (OE activated) and IO DIR rising edge (Data Bus input direction):
  • Case GpmcFCLKDivider = 0:
    • H = 0.5 × OEExtraDelay × GPMC_FCLK(17)
  • Case GpmcFCLKDivider = 1:
    • H = 0.5 × OEExtraDelay × GPMC_FCLK(17) if (ClkActivationTime and OEOnTime are odd) or (ClkActivationTime and OEOnTime are even)
    • H = (1 + 0.5 × OEExtraDelay) × GPMC_FCLK(17) otherwise
  • Case GpmcFCLKDivider = 2:
    • H = 0.5 × OEExtraDelay × GPMC_FCLK(17) if ((OEOnTime - ClkActivationTime) is a multiple of 3)
    • H = (1 + 0.5 × OEExtraDelay) × GPMC_FCLK(17) if ((OEOnTime - ClkActivationTime - 1) is a multiple of 3)
    • H = (2 + 0.5 × OEExtraDelay) × GPMC_FCLK(17) if ((OEOnTime - ClkActivationTime - 2) is a multiple of 3)

For OE rising edge (OE deactivated):
  • Case GpmcFCLKDivider = 0:
    • H = 0.5 × OEExtraDelay × GPMC_FCLK(17)
  • Case GpmcFCLKDivider = 1:
    • H = 0.5 × OEExtraDelay × GPMC_FCLK(17) if (ClkActivationTime and OEOffTime are odd) or (ClkActivationTime and OEOffTime are even)
    • H = (1 + 0.5 × OEExtraDelay) × GPMC_FCLK(17) otherwise
  • Case GpmcFCLKDivider = 2:
    • H = 0.5 × OEExtraDelay × GPMC_FCLK(17) if ((OEOffTime - ClkActivationTime) is a multiple of 3)
    • H = (1 + 0.5 × OEExtraDelay) × GPMC_FCLK(17) if ((OEOffTime - ClkActivationTime - 1) is a multiple of 3)
    • H = (2 + 0.5 × OEExtraDelay) × GPMC_FCLK(17) if ((OEOffTime - ClkActivationTime - 2) is a multiple of 3)
For WE falling edge (WE activated):
  • Case GpmcFCLKDivider = 0:
    • I = 0.5 × WEExtraDelay × GPMC_FCLK(17)
  • Case GpmcFCLKDivider = 1:
    • I = 0.5 × WEExtraDelay × GPMC_FCLK(17) if (ClkActivationTime and WEOnTime are odd) or (ClkActivationTime and WEOnTime are even)
    • I = (1 + 0.5 × WEExtraDelay) × GPMC_FCLK(17) otherwise
  • Case GpmcFCLKDivider = 2:
    • I = 0.5 × WEExtraDelay × GPMC_FCLK(17) if ((WEOnTime - ClkActivationTime) is a multiple of 3)
    • I = (1 + 0.5 × WEExtraDelay) × GPMC_FCLK(17) if ((WEOnTime - ClkActivationTime - 1) is a multiple of 3)
    • I = (2 + 0.5 × WEExtraDelay) × GPMC_FCLK(17) if ((WEOnTime - ClkActivationTime - 2) is a multiple of 3)

For WE rising edge (WE deactivated):
  • Case GpmcFCLKDivider = 0:
    • I = 0.5 × WEExtraDelay × GPMC_FCLK (17)
  • Case GpmcFCLKDivider = 1:
    • I = 0.5 × WEExtraDelay × GPMC_FCLK(17) if (ClkActivationTime and WEOffTime are odd) or (ClkActivationTime and WEOffTime are even)
    • I = (1 + 0.5 × WEExtraDelay) × GPMC_FCLK(17) otherwise
  • Case GpmcFCLKDivider = 2:
    • I = 0.5 × WEExtraDelay × GPMC_FCLK(17) if ((WEOffTime - ClkActivationTime) is a multiple of 3)
    • I = (1 + 0.5 × WEExtraDelay) × GPMC_FCLK(17) if ((WEOffTime - ClkActivationTime - 1) is a multiple of 3)
    • I = (2 + 0.5 × WEExtraDelay) × GPMC_FCLK(17) if ((WEOffTime - ClkActivationTime - 2) is a multiple of 3)
J = GPMC_FCLK(17)
First transfer only for CLK DIV 1 mode.
Half cycle; for all data after initial transfer for CLK DIV 1 mode.
Half cycle of GPMC_CLK_OUT; for all data for modes other than CLK DIV 1 mode. GPMC_CLK_OUT divide down from GPMC_FCLK.
In GPMC_CSn[x], x is equal to 0, 1, 2 or 3. In GPMC_WAIT[x], x is equal to 0 or 1.
P = GPMC_CLK period in ns
For read: K = (ADVRdOffTime - ADVOnTime) × (TimeParaGranularity + 1) × GPMC_FCLK(17)
For write: K = (ADVWrOffTime - ADVOnTime) × (TimeParaGranularity + 1) × GPMC_FCLK(17)
GPMC_FCLK is general-purpose memory controller internal functional clock period in ns.
Related to the GPMC_CLK output clock maximum and minimum frequencies programmable in the GPMC module by setting the GPMC_CONFIG1_CSx configuration register bit field GpmcFCLKDivider.
For div_by_1_mode:
  • GPMC_CONFIG1_i Register: GPMCFCLKDIVIDER = 0h:
    • GPMC_CLK frequency = GPMC_FCLK frequency

For GPMC_FCLK_MUX_100:
  • gpmc_fclk_sel[1:0] = 01 = PER1_PLL_CLKOUT / 3 = 300 / 3 = 100MHz

For TIMEPARAGRANULARITY_X1:
  • GPMC_CONFIG1_i Register: TIMEPARAGRANULARITY = 0h = x1 latencies (affecting RD/WRCYCLETIME, RD/WRACCESSTIME, PAGEBURSTACCESSTIME, CSONTIME, CSRD/WROFFTIME, ADVONTIME, ADVRD/WROFFTIME, OEONTIME, OEOFFTIME, WEONTIME, WEOFFTIME, CYCLE2CYCLEDELAY, BUSTURNAROUND, TIMEOUTSTARTVALUE, WRDATAONADMUXBUS)

For no extra_delay:
  • GPMC_CONFIG2_i Register : CSEXTRADELAY = 0h = CS i Timing control signal is not delayed
  • GPMC_CONFIG4_i Register : WEEXTRADELAY = 0h = nWE timing control signal is not delayed
  • GPMC_CONFIG4_i Register : OEEXTRADELAY = 0h = nOE timing control signal is not delayed
  • GPMC_CONFIG3_i Register: ADVEXTRADELAY = 0h = nADV timing control signal is not delayed
GUID-1AA3B11B-2EDA-4258-A3CD-29586A94EC2C-low.gif
In GPMC_CSn[x], x is equal to 0, 1, 2 or 3.
In GPMC_WAIT[x], x is equal to 0 or 1.
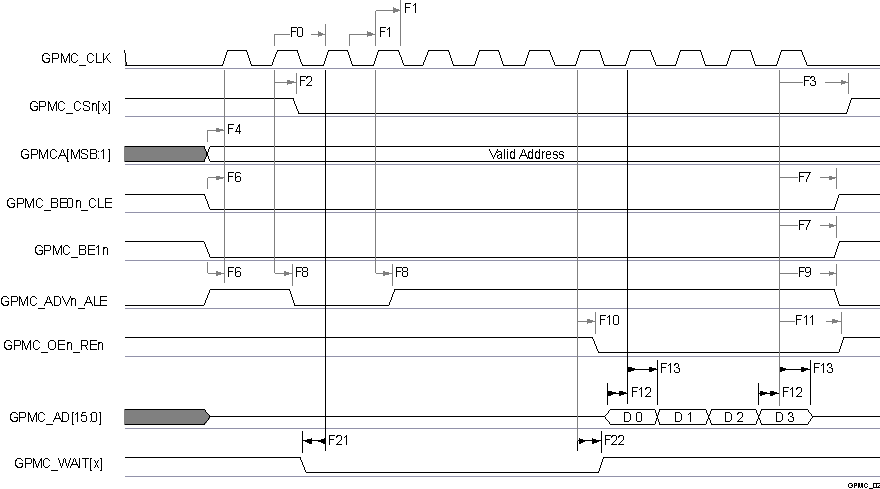
Figure 6-48 GPMC and NOR Flash—Synchronous Single Read—(GpmcFCLKDivider = 0)
GUID-943075B2-F10F-4EAB-B335-1CF6BFF68B4F-low.gif
In GPMC_CSn[x], x is equal to 0, 1, 2 or 3.
In GPMC_WAIT[x], x is equal to 0 or 1.
Figure 6-49 GPMC and NOR Flash—Synchronous Burst Read—4x16-bit (GpmcFCLKDivider = 0)
GUID-80565C50-5ABA-48B1-AD00-68DA6B99097F-low.gif
In GPMC_CSn[x], x is equal to 0, 1, 2 or 3.
In GPMC_WAIT[x], x is equal to 0 or 1.
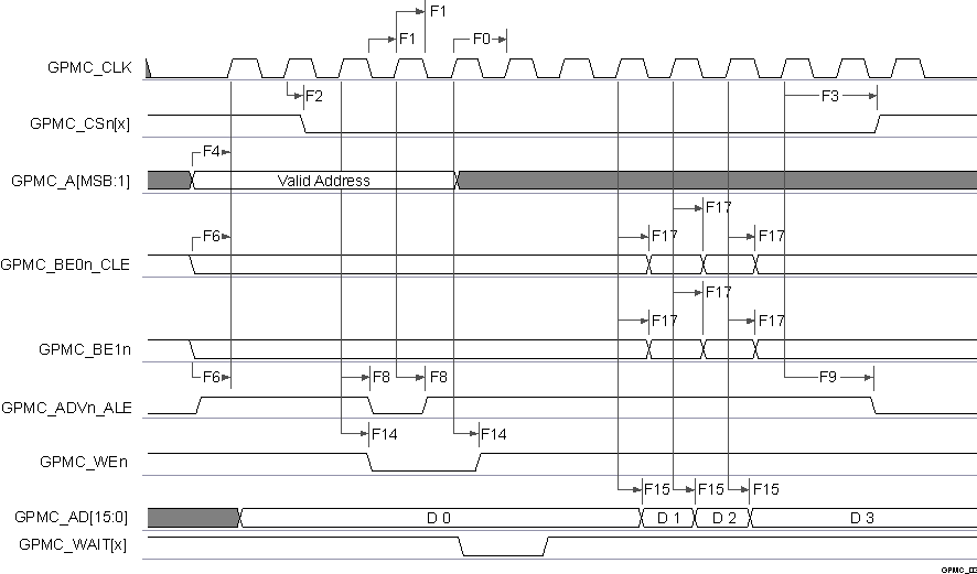
Figure 6-50 GPMC and NOR Flash—Synchronous Burst Write—(GpmcFCLKDivider > 0)
GUID-19426DF6-67BC-45DE-A0C5-8444F83D5D6A-low.gif
In GPMC_CSn[x], x is equal to 0, 1, 2 or 3.
In GPMC_WAIT[x], x is equal to 0 or 1.
Figure 6-51 GPMC and Multiplexed NOR Flash—Synchronous Burst Read
GUID-7AAB8638-0692-461B-9269-981D06D067C1-low.gif
In GPMC_CSn[x], x is equal to 0, 1, 2 or 3.
In GPMC_WAIT[x], x is equal to 0 or 1.
Figure 6-52 GPMC and Multiplexed NOR Flash—Synchronous Burst Write