SLPS584B December   2015  – December 2017 CSD95377Q4M

PRODUCTION DATA.  

  1. Features
  2. Applications
  3. Description
  4. Revision History
  5. Pin Configuration and Functions
  6. Specifications
    1. 6.1 Absolute Maximum Ratings
    2. 6.2 ESD Ratings
    3. 6.3 Recommended Operating Conditions
    4. 6.4 Thermal Information
    5. 6.5 Electrical Characteristics
  7. Detailed Description
    1. 7.1 Overview
    2. 7.2 Functional Block Diagram
    3. 7.3 Feature Description
      1. 7.3.1 Powering CSD95377Q4M and Gate Drivers
      2. 7.3.2 Undervoltage Lockout (UVLO) Protection
      3. 7.3.3 PWM Pin
      4. 7.3.4 SKIP# Pin
        1. 7.3.4.1 Zero Crossing (ZX) Operation
      5. 7.3.5 Integrated Boost-Switch
    4. 7.4 Device Functional Modes
  8. Application and Implementation
    1. 8.1 Application Information
    2. 8.2 Typical Application
      1. 8.2.1 Application Curves
    3. 8.3 System Example
      1. 8.3.1 Power Loss Curves
      2. 8.3.2 Safe Operating Area (SOA) Curves
      3. 8.3.3 Normalized Curves
      4. 8.3.4 Calculating Power Loss and SOA
        1. 8.3.4.1 Design Example
        2. 8.3.4.2 Calculating Power Loss
        3. 8.3.4.3 Calculating SOA Adjustments
  9. Layout
    1. 9.1 Layout Guidelines
      1. 9.1.1 Recommended PCB Design Overview
      2. 9.1.2 Electrical Performance
    2. 9.2 Layout Example
    3. 9.3 Thermal Considerations
  10. 10Device and Documentation Support
    1. 10.1 Receiving Notification of Documentation Updates
    2. 10.2 Community Resources
    3. 10.3 Trademarks
    4. 10.4 Electrostatic Discharge Caution
    5. 10.5 Glossary
  11. 11Mechanical, Packaging, and Orderable Information
    1. 11.1 Mechanical Drawing
    2. 11.2 Recommended PCB Land Pattern
    3. 11.3 Recommended Stencil Opening

パッケージ・オプション

デバイスごとのパッケージ図は、PDF版データシートをご参照ください。

メカニカル・データ(パッケージ|ピン)
  • DPC|8
サーマルパッド・メカニカル・データ
発注情報

Application and Implementation

NOTE

Information in the following applications sections is not part of the TI component specification, and TI does not warrant its accuracy or completeness. TI’s customers are responsible for determining suitability of components for their purposes. Customers should validate and test their design implementation to confirm system functionality.

Application Information

The power stage CSD95377Q4M is a highly-optimized design for synchronous buck applications using NexFET devices with a 5-V gate drive. The control FET and sync FET silicon are parametrically tuned to yield the lowest power loss and highest system efficiency. As a result, a rating method is used that is tailored toward a more systems-centric environment. The high-performance gate driver IC integrated in the package helps minimize the parasitics and results in extremely fast switching of the power MOSFETs. System-level performance curves such as power loss, SOA, and normalized graphs allow engineers to predict the product performance in the actual application.

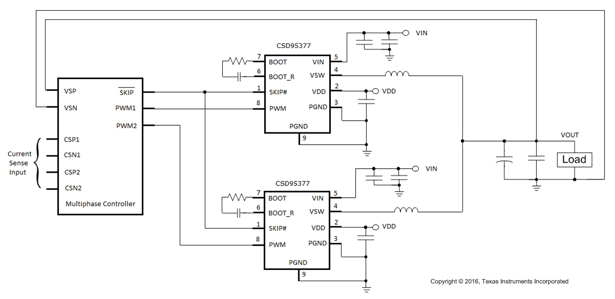
Typical Application

CSD95377Q4M Application2.gif Figure 3. Application Schematic

Application Curves

TJ = 125°C, unless stated otherwise.
CSD95377Q4M D001_SLPS584.gif
VIN = 12 V VDD = 5 V VOUT = 1.8 V
ƒSW = 500 kHz LOUT = 0.29 µH
Figure 4. Power Loss vs Output Current
CSD95377Q4M D003_SLPS584.gif
VIN = 12 V VDD = 5 V VOUT = 1.8 V
ƒSW = 500 kHz LOUT = 0.29 µH
Figure 6. Safe Operating Area – PCB Horizontal Mount (1)
CSD95377Q4M D002_SLPS584.gif
VIN = 12 V VDD = 5 V VOUT = 1.8 V
ƒSW = 500 kHz LOUT = 0.29 µH
Figure 5. Power Loss vs Temperature
CSD95377Q4M D004_SLPS584.gif
VIN = 12 V VDD = 5 V VOUT = 1.8 V
ƒSW = 500 kHz LOUT = 0.29 µH
Figure 7. Typical Safe Operating Area (1)
  1. The typical CSD95377Q4M system characteristic curves are based on measurements made on a PCB design with dimensions of 4 in (W) × 3.5 in (L) × 0.062 in (T) and 6 copper layers of 1-oz copper thickness. See System Example for detailed explanation.
CSD95377Q4M D005_SLPS584.gif
VIN = 12 V VDD = 5 V VOUT = 1.8 V
IOUT = 35 A LOUT = 0.29 µH
Figure 8. Normalized Power Loss vs Frequency
CSD95377Q4M D007_SLPS584.gif
VIN = 12 V VDD = 5 V IOUT = 35 A
ƒSW = 500 kHz LOUT = 0.29 µH
Figure 10. Normalized Power Loss vs Output Voltage
CSD95377Q4M D009_SLPS584.gif
VIN = 12 V VDD = 5 V IOUT = 35 A
LOUT = 0.29 µH VOUT = 1.8 V
Figure 12. Driver Current vs Frequency
CSD95377Q4M D006_SLPS584.gif
IOUT = 35 A VDD = 5 V VOUT = 1.8 V
ƒSW = 500 kHz LOUT = 0.29 µH
Figure 9. Normalized Power Loss vs Input Voltage
CSD95377Q4M D008_SLPS584.gif
VIN = 12 V VDD = 5 V IOUT = 35 A
ƒSW = 500 kHz VOUT = 1.8 V
Figure 11. Normalized Power Loss vs Output Inductance
CSD95377Q4M D010_SLPS584.gif
VIN = 12 V VDD = 5 V VOUT = 1.8 V
IOUT = 35 A LOUT = 0.29 µH
Figure 13. Driver Current vs Temperature

System Example

Power Loss Curves

MOSFET-centric parameters such as RDS(ON) and Qgd are primarily needed by engineers to estimate the loss generated by the devices. In an effort to simplify the design process for engineers, Texas Instruments has provided measured power loss performance curves. Figure 4 plots the power loss of the CSD95377Q4M as a function of load current. This curve is measured by configuring and running the CSD95377Q4M as it would be in the final application (see Figure 14). The measured power loss is the CSD95377Q4M device power loss which consists of both input conversion loss and gate drive loss. Equation 1 is used to generate the power loss curve.

Equation 1. Power loss = (VIN × IIN) + (VDD × IDD) – (VSW_AVG × IOUT)

The power loss curve in Figure 4 is measured at the maximum recommended junction temperature of
TJ = 125°C under isothermal test conditions.

Safe Operating Area (SOA) Curves

The SOA curves in the CSD95377Q4M data sheet give engineers guidance on the temperature boundaries within an operating system by incorporating the thermal resistance and system power loss. Figure 6 and Figure 7 outline the temperature and airflow conditions required for a given load current. The area under the curve dictates the safe operating area. All the curves are based on measurements made on a PCB design with dimensions of 4 in (W) × 3.5 in (L) × 0.062 in (T) and 6 copper layers of 1-oz copper thickness.

Normalized Curves

The normalized curves in the CSD95377Q4M data sheet give engineers guidance on the power loss and SOA adjustments based on their application specific needs. These curves show how the power loss and SOA boundaries will adjust for a given set of systems conditions. The primary Y-axis is the normalized change in power loss and the secondary Y-axis is the change is system temperature required in order to comply with the SOA curve. The change in power loss is a multiplier for the power loss curve and the change in temperature is subtracted from the SOA curve.

CSD95377Q4M Power_Loss_Test_Circuit.gif Figure 14. Power Loss Test Circuit

Calculating Power Loss and SOA

The user can estimate product loss and SOA boundaries by arithmetic means (see the Design Example). Though the power loss and SOA curves in this data sheet are taken for a specific set of test conditions, the following procedure will outline the steps engineers should take to predict product performance for any set of system conditions.

Design Example

Operating conditions: Output current (lOUT) = 25 A, input voltage (VIN) = 7 V, output voltage (VOUT) = 2 V, switching frequency (ƒSW) = 800 kHz, output inductor (LOUT) = 0.2 µH

Calculating Power Loss

  • Typical power loss at 25 A = 3.74 W (Figure 4)
  • Normalized power loss for switching frequency ≈ 1.02 (Figure 8)
  • Normalized power loss for input voltage ≈ 0.99 (Figure 9)
  • Normalized power loss for output voltage ≈ 1.04 (Figure 10)
  • Normalized power loss for output inductor ≈ 1.01 (Figure 11)
  • Final calculated Power Loss = 3.741 W × 1.02 × 0.99 × 1.04 × 1.01 ≈ 3.97 W

Calculating SOA Adjustments

  • SOA adjustment for switching frequency ≈ 0.3°C (Figure 8)
  • SOA adjustment for input voltage ≈ –0.12°C (Figure 9)
  • SOA adjustment for output voltage ≈ 0.62°C (Figure 10)
  • SOA adjustment for output inductor ≈ 0.25°C (Figure 11)
  • Final calculated SOA adjustment = 0.3 + (–0.12) + 0.62 + 0.25 ≈ 1.05°C

CSD95377Q4M D017_SLPS584.gif Figure 15. Power Stage CSD95377Q4M SOA

In the previous design example, the estimated power loss of the CSD95377Q4M would increase to 3.97 W. In addition, the maximum allowable board and/or ambient temperature would have to decrease by 1.05°C. Figure 15 graphically shows how the SOA curve would be adjusted accordingly.

  1. Start by drawing a horizontal line from the application current to the SOA curve.
  2. Draw a vertical line from the SOA curve intercept down to the board/ambient temperature.
  3. Adjust the SOA board/ambient temperature by subtracting the temperature adjustment value.

In the design example, the SOA temperature adjustment yields a reduction in allowable board/ambient temperature of 1.05°C. In the event the adjustment value is a negative number, subtracting the negative number would yield an increase in allowable board and ambient temperature.