JAJSEC8A June   2017  – January 2018 CSD95492QVM

PRODUCTION DATA.  

  1. 1特長
  2. 2アプリケーション
  3. 3概要
    1.     標準的な電力段の効率と電力損失との関係
  4. 4改訂履歴
  5. 5Pin Configuration and Functions
    1.     Pin Functions
  6. 6Specifications
    1. 6.1 Absolute Maximum Ratings
    2. 6.2 ESD Ratings
    3. 6.3 Recommended Operating Conditions
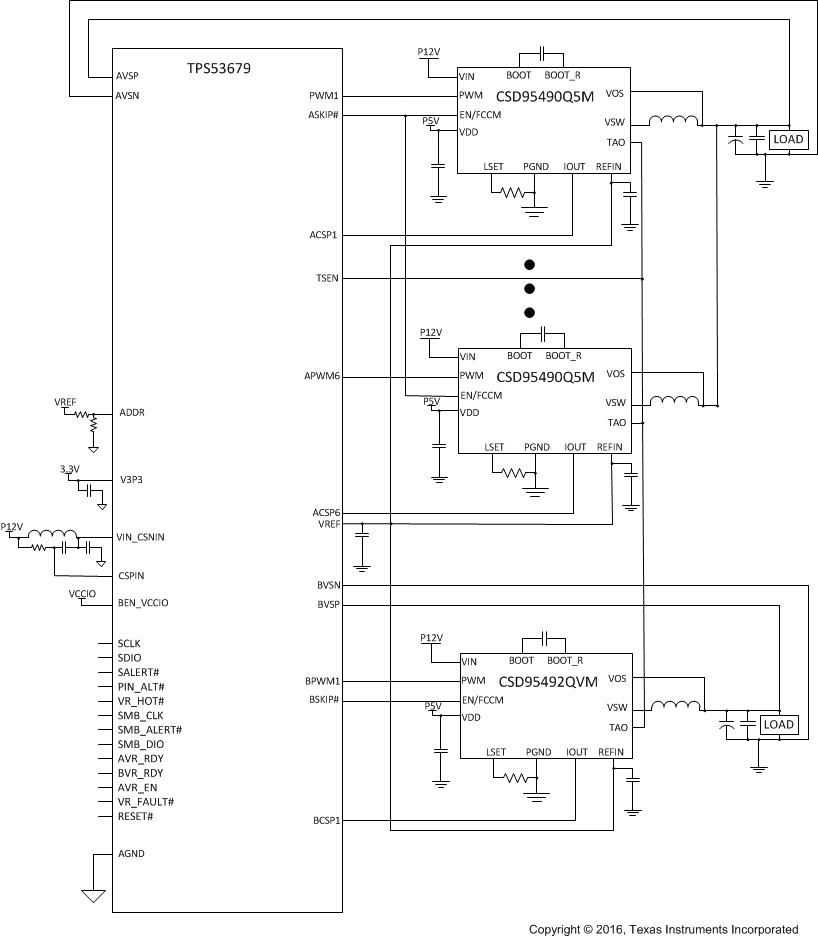
  7. 7Application Schematic
  8. 8デバイスおよびドキュメントのサポート
    1. 8.1 ドキュメントの更新通知を受け取る方法
    2. 8.2 コミュニティ・リソース
    3. 8.3 商標
    4. 8.4 静電気放電に関する注意事項
    5. 8.5 Glossary
  9. 9メカニカル、パッケージ、および注文情報
    1. 9.1 メカニカル図面
    2. 9.2 推奨されるPCBランド・パターン
    3. 9.3 推奨されるステンシル開口部

パッケージ・オプション

メカニカル・データ(パッケージ|ピン)
  • DMH|18
サーマルパッド・メカニカル・データ
発注情報

特長

  • 20A連続動作電流対応
  • 12A時に94%を超えるシステム効率
  • 高周波数での動作(最高1.25MHz)
  • ダイオード・エミュレーション機能
  • 温度補償双方向電流検出
  • アナログ温度出力
  • フォルト監視
  • 3.3Vおよび5V PWM信号対応
  • トライステートPWM入力
  • ブートストラップ・スイッチ内蔵
  • 貫通電流保護のために最適化されたデッドタイム
  • 高密度VSON、占有面積4mm×5mm
  • インダクタンスの非常に低いパッケージ
  • システムに対して最適化されたPCBの占有面積
  • RoHS準拠―鉛フリーの端子メッキ処理
  • ハロゲン不使用
  • アプリケーション図

    CSD95492QVM ApplicationDiagram.gif