JAJSEC8A June   2017  – January 2018 CSD95492QVM

PRODUCTION DATA.  

  1. 1特長
  2. 2アプリケーション
  3. 3概要
    1.     標準的な電力段の効率と電力損失との関係
  4. 4改訂履歴
  5. 5Pin Configuration and Functions
    1.     Pin Functions
  6. 6Specifications
    1. 6.1 Absolute Maximum Ratings
    2. 6.2 ESD Ratings
    3. 6.3 Recommended Operating Conditions
  7. 7Application Schematic
  8. 8デバイスおよびドキュメントのサポート
    1. 8.1 ドキュメントの更新通知を受け取る方法
    2. 8.2 コミュニティ・リソース
    3. 8.3 商標
    4. 8.4 静電気放電に関する注意事項
    5. 8.5 Glossary
  9. 9メカニカル、パッケージ、および注文情報
    1. 9.1 メカニカル図面
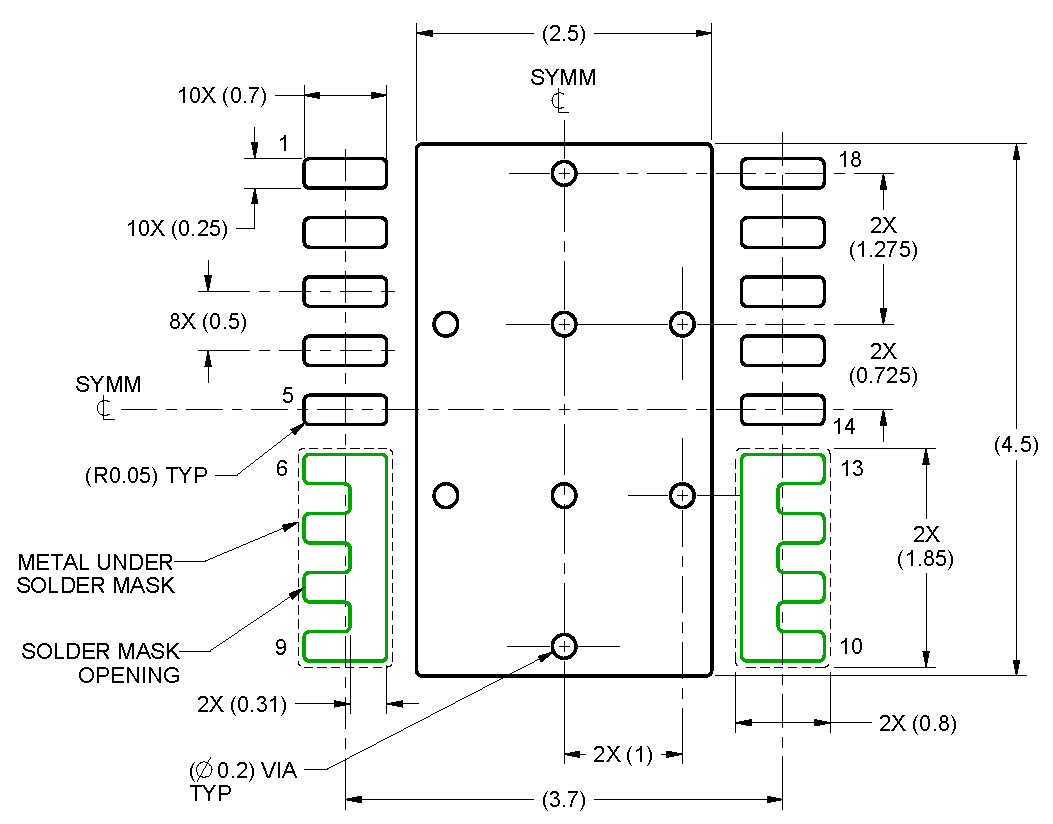
    2. 9.2 推奨されるPCBランド・パターン
    3. 9.3 推奨されるステンシル開口部

パッケージ・オプション

メカニカル・データ(パッケージ|ピン)
  • DMH|18
サーマルパッド・メカニカル・データ
発注情報

推奨されるPCBランド・パターン

CSD95492QVM PCB1.png
CSD95492QVM PCB2.png
  1. すべての直線寸法はミリメートル(mm)単位です。括弧内のすべての寸法は、参照のみを目的としたものです。寸法と許容誤差は、ASME Y14.5M準拠です。
  2. この図面は、予告なく変更される可能性があります。
  3. このパッケージは、基板上のサーマル・パッドにハンダ付けされるよう設計されています。詳細については、『QFN/SON PCBアタッチメント』(SLUA271)を参照してください。