SLLSEJ7 February 2015 DP83848-HT
PRODUCTION DATA.
DP83848 is a highly reliable, feature rich robust device which includes enhanced ESD protection, MII and RMII for maximum flexibility in MPU selection. The DP83848 features integrated sublayers to support both 10BASE-T and 100BASE-TX Ethernet protocols, which ensures compatibility and interoperability with all other standards based Ethernet solutions.

The 100BASE-TX transmitter consists of several functional blocks which convert synchronous 4-bit nibble data, as provided by the MII, to a scrambled MLT-3 125 Mb/s serial data stream. Because the 100BASE-TX TP-PMD is integrated, the differential output pins, PMD output pair, can be directly routed to the magnetics.
The block diagram in Figure 31 provides an overview of each functional block within the 100BASE-TX transmit section.
The transmitter section consists of the following functional blocks:
The bypass option for the functional blocks within the 100BASE-TX transmitter provides flexibility for applications where data conversion is not always required. The DP83848 implements the 100BASE-TX transmit state machine diagram as specified in the IEEE 802.3u Standard, Clause 24.
Figure 31. 100BASE-TX Transmit Block Diagram
| DATA CODES | ||
|---|---|---|
| 0 | 11110 | 0000 |
| 1 | 01001 | 0001 |
| 2 | 10100 | 0010 |
| 3 | 10101 | 0011 |
| 4 | 01010 | 0100 |
| 5 | 01011 | 0101 |
| 6 | 01110 | 0110 |
| 7 | 01111 | 0111 |
| 8 | 10010 | 1000 |
| 9 | 10011 | 1001 |
| A | 10110 | 1010 |
| B | 10111 | 1011 |
| C | 11010 | 1100 |
| D | 11011 | 1101 |
| E | 11100 | 1110 |
| F | 11101 | 1111 |
| IDLE AND CONTROL CODES | ||
| H | 00100 | HALT code-group - Error code |
| I | 11111 | Inter-Packet IDLE - 0000(1) |
| J | 11000 | First Start of Packet - 0101(1) |
| K | 10001 | Second Start of Packet - 0101(1) |
| T | 01101 | First End of Packet - 0000(1) |
| R | 00111 | Second End of Packet - 0000(1) |
| INVALID CODES | ||
| V | 00000 | |
| V | 00001 | |
| V | 00010 | |
| V | 00011 | |
| V | 00101 | |
| V | 00110 | |
| V | 01000 | |
| V | 01100 | |
The code-group encoder converts 4-bit (4B) nibble data generated by the MAC into 5-bit (5B) code-groups for transmission. This conversion is required to allow control data to be combined with packet data code-groups.
The code-group encoder substitutes the first 8-bits of the MAC preamble with a J/K code-group pair (11000 10001) upon transmission. The code-group encoder continues to replace subsequent 4B preamble and data nibbles with corresponding 5B code-groups. At the end of the transmit packet, upon the deassertion of transmit enable signal from the MAC, the code-group encoder injects the T/R code-group pair (01101 00111) indicating the end of the frame.
After the T/R code-group pair, the code-group encoder continuously injects IDLEs into the transmit data stream until the next transmit packet is detected (reassertion of transmit enable).
The scrambler is required to control the radiated emissions at the media connector and on the twisted pair cable (for 100BASE-TX applications). By scrambling the data, the total energy launched onto the cable is randomly distributed over a wide frequency range. Without the scrambler, energy levels at the PMD and on the cable could peak beyond FCC limitations at frequencies related to repeating 5B sequences (i.e., continuous transmission of IDLEs).
The scrambler is configured as a closed loop linear feedback shift register (LFSR) with an 11-bit polynomial. The output of the closed loop LFSR is X-ORd with the serial NRZ data from the code-group encoder. The result is a scrambled data stream with sufficient randomization to decrease radiated emissions at certain frequencies by as much as 20 dB. The DP83848 uses the PHY_ID (pins PHYAD [4:0]) to set a unique seed value.
After the transmit data stream has been serialized and scrambled, the data must be NRZI encoded in order to comply with the TP-PMD standard for 100BASE-TX transmission over Category-5 Unshielded twisted pair cable.
The binary to MLT-3 conversion is accomplished by converting the serial binary data stream output from the NRZI encoder into two binary data streams with alternately phased logic one events. These two binary streams are then fed to the twisted pair output driver which converts the voltage to current and alternately drives either side of the transmit transformer primary winding, resulting in a MLT-3 signal.
The 100BASE-TX MLT-3 signal sourced by the PMD output pair common driver is slew rate controlled. This should be considered when selecting AC coupling magnetics to ensure TP-PMD standard compliant transition times (3 ns < Tr < 5 ns).
The 100BASE-TX transmit TP-PMD function within the DP83848 is capable of sourcing only MLT-3 encoded data. Binary output from the PMD output pair is not possible in 100 Mb/s mode.
The 100BASE-TX receiver consists of several functional blocks which convert the scrambled MLT-3 125 Mb/s serial data stream to synchronous 4-bit nibble data that is provided to the MII. Because the 100BASE-TX TP-PMD is integrated, the differential input pins, RD±, can be directly routed from the AC coupling magnetics.
See Figure 32 for a block diagram of the 100BASE-TX receive function. This provides an overview of each functional block within the 100BASE-TX receive section.
The receive section consists of the following functional blocks:
In addition to the digital equalization and gain control, the DP83848 includes analog equalization and gain control in the analog front end. The analog equalization reduces the amount of digital equalization required in the DSP.
The digital signal processor includes adaptive equalization with gain control and base line wander compensation.
Figure 32. 100BASE-TX Receive Block Diagram
When transmitting data at high speeds over copper twisted pair cable, frequency dependent attenuation becomes a concern. In high-speed twisted pair signalling, the frequency content of the transmitted signal can vary greatly during normal operation based primarily on the randomness of the scrambled data stream. This variation in signal attenuation caused by frequency variations must be compensated to ensure the integrity of the transmission.
In order to ensure quality transmission when employing MLT-3 encoding, the compensation must be able to adapt to various cable lengths and cable types depending on the installed environment. The selection of long cable lengths for a given implementation, requires significant compensation which will over-compensate for shorter, less attenuating lengths. Conversely, the selection of short or intermediate cable lengths requiring less compensation will cause serious under-compensation for longer length cables. The compensation or equalization must be adaptive to ensure proper conditioning of the received signal independent of the cable length.
The DP83848 utilizes an extremely robust equalization scheme referred as ‘digital adaptive equalization’.
The digital equalizer removes inter symbol interference (ISI) from the receive data stream by continuously adapting to provide a filter with the inverse frequency response of the channel. Equalization is combined with an adaptive gain control stage. This enables the receive 'eye pattern' to be opened sufficiently to allow very reliable data recovery.
The curves given in Figure 33 illustrate attenuation at certain frequencies for given cable lengths. This is derived from the worst case frequency vs. attenuation figures as specified in the EIA/TIA Bulletin TSB-36. These curves indicate the significant variations in signal attenuation that must be compensated for by the receive adaptive equalization circuit.
Figure 33. EIA/TIA Attenuation vs. Frequency for 0, 50, 100, 130 and 150 meters of CAT 5 cable
Figure 34. 100BASE-TX BLW Event
The DP83848 is completely ANSI TP-PMD compliant and includes base line wander (BLW) compensation. The BLW compensation block can successfully recover the TPPMD defined “killer” pattern.
BLW can generally be defined as the change in the average DC content, relatively short period over time, of an AC coupled digital transmission over a given transmission medium. (i.e., copper wire).
BLW results from the interaction between the low frequency components of a transmitted bit stream and the frequency response of the AC coupling components within the transmission system. If the low frequency content of the digital bit stream goes below the low frequency pole of the AC coupling transformers then the droop characteristics of the transformers will dominate resulting in potentially serious BLW.
The digital oscilloscope plot provided in Figure 34 illustrates the severity of the BLW event that can theoretically be generated during 100BASE-TX packet transmission. This event consists of approximately 800 mV of DC offset for a period of 120 μs. Left uncompensated, events such as this can cause packet loss.
The signal detect function of the DP83848 is incorporated to meet the specifications mandated by the ANSI FDDI TP-PMD Standard as well as the IEEE 802.3 100BASE-TX Standard for both voltage thresholds and timing parameters.
Note that the reception of normal 10BASE-T link pulses and fast link pulses per IEEE 802.3u auto-negotiation by the 100BASE-TX receiver do not cause the DP83848 to assert signal detect.
The DP83848 decodes the MLT-3 information from the Digital Adaptive Equalizer block to binary NRZI data.
In a typical application, the NRZI to NRZ decoder is required in order to present NRZ formatted data to the descrambler.
The 100BASE-TX receiver includes a serial to parallel converter which supplies 5-bit wide data symbols to the PCS Rx state machine.
A serial descrambler is used to de-scramble the received NRZ data. The descrambler has to generate an identical data scrambling sequence (N) in order to recover the original unscrambled data (UD) from the scrambled data (SD) as represented in the equations:
Synchronization of the descrambler to the original scrambling sequence (N) is achieved based on the knowledge that the incoming scrambled data stream consists of scrambled IDLE data. After the descrambler has recognized 12 consecutive IDLE code-groups, where an unscrambled IDLE code-group in 5B NRZ is equal to five consecutive ones (11111), it will synchronize to the receive data stream and generate unscrambled data in the form of unaligned 5B code-groups.
In order to maintain synchronization, the descrambler must continuously monitor the validity of the unscrambled data that it generates. To ensure this, a line state monitor and a hold timer are used to constantly monitor the synchronization status. Upon synchronization of the descrambler the hold timer starts a 722 μs countdown. Upon detection of sufficient IDLE code-groups (58 bit times) within the 722 μs period, the hold timer will reset and begin a new countdown. This monitoring operation will continue indefinitely given a properly operating network connection with good signal integrity. If the line state monitor does not recognize sufficient unscrambled IDLE code-groups within the 722 μs period, the entire descrambler will be forced out of the current state of synchronization and reset in order to reacquire synchronization.
The code-group alignment module operates on unaligned 5-bit data from the descrambler (or, if the descrambler is bypassed, directly from the NRZI/NRZ decoder) and converts it into 5B code-group data (5 bits). Code-group alignment occurs after the J/K code-group pair is detected. Once the J/K code-group pair (11000 10001) is detected, subsequent data is aligned on a fixed boundary.
The code-group decoder functions as a look up table that translates incoming 5B code-groups into 4B nibbles. The code-group decoder first detects the J/K code-group pair preceded by IDLE code-groups and replaces the J/K with MAC preamble. Specifically, the J/K 10-bit code-group pair is replaced by the nibble pair (0101 0101). All subsequent 5B code-groups are converted to the corresponding 4B nibbles for the duration of the entire packet. This conversion ceases upon the detection of the T/R code-group pair denoting the end of stream delimiter (ESD) or with the reception of a minimum of two IDLE code-groups.
The 100 Base TX Link monitor ensures that a valid and stable link is established before enabling both the transmit and receive PCS layer.
Signal detect must be valid for 395 µs to allow the link monitor to enter the link up state, and enable the transmit and receive functions.
A bad start of stream delimiter (Bad SSD) is any transition from consecutive idle code-groups to non-idle code-groups which is not prefixed by the code-group pair /J/K.
If this condition is detected, the DP83848 will assert RX_ER and present RXD[3:0] = 1110 to the MII for the cycles that correspond to received 5B code-groups until at least two IDLE code groups are detected. In addition, the false carrier sense counter register (FCSCR) will be incremented by one.
Once at least two IDLE code groups are detected, RX_ER and CRS become de-asserted.
The 10BASE-T transceiver module is IEEE 802.3 compliant. It includes the receiver, transmitter, collision, heartbeat, loopback, jabber, and link integrity functions, as defined in the standard. An external filter is not required on the 10BASE-T interface since this is integrated inside the DP83848. This section focuses on the general 10BASET system level operation.
In half duplex mode the DP83848 functions as a standard IEEE 802.3 10BASE-T transceiver supporting the CSMA/CD protocol.
In full duplex mode the DP83848 is capable of simultaneously transmitting and receiving without asserting the collision signal. The DP83848's 10 Mb/s ENDEC is designed to encode and decode simultaneously.
The smart squelch is responsible for determining when valid data is present on the differential receive inputs. The DP83848 implements an intelligent receive squelch to ensure that impulse noise on the receive inputs will not be mistaken for a valid signal. Smart squelch operation is independent of the 10BASE-T operational mode.
The squelch circuitry employs a combination of amplitude and timing measurements (as specified in the IEEE 802.3 10BSE-T standard) to determine the validity of data on the twisted pair inputs (refer to Figure 35).
The signal at the start of a packet is checked by the smart squelch and any pulses not exceeding the squelch level (either positive or negative, depending upon polarity) will be rejected. Once this first squelch level is overcome correctly, the opposite squelch level must then be exceeded within 150 ns. Finally the signal must again exceed the original squelch level within a 150 ns to ensure that the input waveform will not be rejected. This checking procedure results in the loss of typically three preamble bits at the beginning of each packet.
Only after all these conditions have been satisfied will a control signal be generated to indicate to the remainder of the circuitry that valid data is present. At this time, the smart squelch circuitry is reset.
Valid data is considered to be present until the squelch level has not been generated for a time longer than 150 ns, indicating the end of packet. Once good data has been detected, the squelch levels are reduced to minimize the effect of noise causing premature end of packet detection.
Figure 35. 10BASE-T Twisted Pair Smart Squelch Operation
When in half duplex, a 10BASE-T collision is detected when the receive and transmit channels are active simultaneously. Collisions are reported by the COL signal on the MII. Collisions are also reported when a jabber condition is detected.
The COL signal remains set for the duration of the collision. If the PHY is receiving when a collision is detected it is reported immediately (through the COL pin).
When heartbeat is enabled, approximately 1 μs after the transmission of each packet, a signal quality error (SQE) signal of approximately 10-bit times is generated to indicate successful transmission. SQE is reported as a pulse on the COL signal of the MII.
The SQE test is inhibited when the PHY is set in full duplex mode. SQE can also be inhibited by setting the HEARTBEAT_DIS bit in the 10BTSCR register.
Carrier sense (CRS) may be asserted due to receive activity once valid data is detected via the squelch function.
For 10 Mb/s half Dduplex operation, CRS is asserted during either packet transmission or reception.
For 10 Mb/s full duplex operation, CRS is asserted only during receive activity.
CRS is deasserted following an end of packet.
The link pulse generator produces pulses as defined in the IEEE 802.3 10BASE-T standard. Each link pulse is nominally 100 ns in duration and transmitted every 16 ms in the absence of transmit data.
Link pulses are used to check the integrity of the connection with the remote end. If valid link pulses are not received, the link detector disables the 10BASE-T twisted pair transmitter, receiver and collision detection functions.
When the link integrity function is disabled (FORCE_LINK_10 of the 10BTSCR register), a good link is forced and the 10BASE-T transceiver will operate regardless of the presence of link pulses.
The jabber function monitors the DP83848's output and disables the transmitter if it attempts to transmit a packet of longer than legal size. A jabber timer monitors the transmitter and disables the transmission if the transmitter is active for approximately 85 ms.
Once disabled by the Jabber function, the transmitter stays disabled for the entire time that the ENDEC module's internal transmit enable is asserted. This signal has to be deasserted for approximately 500 ms (the “unjab” time) before the Jabber function re-enables the transmit outputs.
The Jabber function is only relevant in 10BASE-T mode.
The DP83848's 10BASE-T transceiver module incorporates an automatic link polarity detection circuit. When three consecutive inverted link pulses are received, bad polarity is reported.
A polarity reversal can be caused by a wiring error at either end of the cable, usually at the main distribution frame (MDF) or patch panel in the wiring closet.
The bad polarity condition is latched in the 10BTSCR register. The DP83848's 10BASE-T transceiver module corrects for this error internally and will continue to decode received data correctly. This eliminates the need to correct the wiring error immediately.
External 10BASE-T filters are not required when using the DP83848, as the required signal conditioning is integrated into the device.
Only isolation transformers and impedance matching resistors are required for the 10BASE-T transmit and receive interface. The internal transmit filtering ensures that all the harmonics in the transmit signal are attenuated by at least 30 dB.
The encoder begins operation when the transmit enable input (TX_EN) goes high and converts NRZ data to preemphasized Manchester data for the transceiver. For the duration of TX_EN, the serialized transmit data (TXD) is encoded for the transmit-driver pair (PMD Output Pair). TXD must be valid on the rising edge of transmit clock (TX_CLK). Transmission ends when TX_EN deasserts. The last transition is always positive; it occurs at the center of the bit cell if the last bit is a one, or at the end of the bit cell if the last bit is a zero.
The decoder detects the end of a frame when no additional mid-bit transitions are detected. Within one and a half bit times after the last bit, carrier sense is de-asserted. Receive clock stays active for five more bit times after CRS goes low, to guarantee the receive timings of the controller.
The DP83848 includes an internal power-on reset (POR) function and does not need to be explicitly reset for normal operation after power up. If required during normal operation, the device can be reset by a hardware or software reset.
A hardware reset is accomplished by applying a low pulse (TTL level), with a duration of at least 1 μs, to the RESET_N. This will reset the device such that all registers will be reinitialized to default values and the hardware configuration values will be re-latched into the device (similar to the power-up/reset operation).
A software reset is accomplished by setting the reset bit (bit 15) of the basic mode control register (BMCR). The period from the point in time when the reset bit is set to the point in time when software reset has concluded is approximately 1 μs.
The software reset will reset the device such that all registers will be reset to default values and the hardware configuration values will be maintained. Software driver code must wait 3 μs following a software reset before allowing further serial MII operations with the DP83848.
The DP83848 supports several modes of operation using the MII interface pins. The options are defined in the following sections and include:
The modes of operation can be selected by strap options or register control. For RMII mode, it is required to use the strap option, since it requires a 50 MHz clock instead of the normal 25 MHz.
In each of these modes, the IEEE 802.3 serial management interface is operational for device configuration and status. The serial management interface of the MII allows for the configuration and control of multiple PHY devices, gathering of status, error information, and the determination of the type and capabilities of the attached PHY(s).
The DP83848 incorporates the media independent interface (MII) as specified in Clause 22 of the IEEE 802.3u standard. This interface may be used to connect PHY devices to a MAC in 10/100 Mb/s systems. This section describes the nibble wide MII data interface.
The nibble wide MII data interface consists of a receive bus and a transmit bus each with control signals to facilitate data transfer between the PHY and the upper layer (MAC).
Clause 22 of the IEEE 802.3u specification defines the media independent Interface. This interface includes a dedicated receive bus and a dedicated transmit bus. These two data buses, along with various control and status signals, allow for the simultaneous exchange of data between the DP83848 and the upper layer agent (MAC).
The receive interface consists of a nibble wide data bus RXD[3:0], a receive error signal RX_ER, a receive data valid flag RX_DV, and a receive clock RX_CLK for synchronous transfer of the data. The receive clock operates at either 2.5 MHz to support 10 Mb/s operation modes or at 25 MHz to support 100 Mb/s operational modes.
The transmit interface consists of a nibble wide data bus TXD[3:0], a transmit enable control signal TX_EN, and a transmit clock TX_CLK which runs at either 2.5 MHz or 25 MHz.
Additionally, the MII includes the carrier sense signal CRS, as well as a collision detect signal COL. The CRS signal asserts to indicate the reception of data from the network or as a function of transmit data in half duplex mode. The COL signal asserts as an indication of a collision which can occur during half duplex operation when both a transmit and receive operation occur simultaneously.
For half duplex, a 10BASE-T or 100BASE-TX collision is detected when the receive and transmit channels are active simultaneously. Collisions are reported by the COL signal on the MII.
If the DP83848 is transmitting in 10 Mb/s mode when a collision is detected, the collision is not reported until seven bits have been received while in the collision state. This prevents a collision being reported incorrectly due to noise on the network. The COL signal remains set for the duration of the collision.
If a collision occurs during a receive operation, it is immediately reported by the COL signal.
When heartbeat is enabled (only applicable to 10 Mb/s operation), approximately 1μs after the transmission of each packet, a signal quality error (SQE) signal of approximately 10 bit times is generated (internally) to indicate successful transmission. SQE is reported as a pulse on the COL signal of the MII.
Carrier sense (CRS) is asserted due to receive activity, once valid data is detected via the squelch function during 10 Mb/s operation. During 100 Mb/s operation CRS is asserted when a valid link (SD) and two non-contiguous zeros are detected on the line.
For 10 or 100 Mb/s half duplex operation, CRS is asserted during either packet transmission or reception.
For 10 or 100 Mb/s full duplex operation, CRS is asserted only due to receive activity.
CRS is deasserted following an end of packet.
The DP83848 incorporates the reduced media independent interface (RMII) as specified in the RMII specification (rev1.2) from the RMII Consortium. This interface may be used to connect PHY devices to a MAC in 10/100 Mb/s systems using a reduced number of pins. In this mode, data is transferred 2-bits at a time using the 50 MHz RMII_REF clock for both transmit and receive. The following pins are used in RMII mode:
In addition, the RMII mode supplies an RX_DV signal which allows for a simpler method of recovering receive data without having to separate RX_DV from the CRS_DV indication. This is especially useful for systems which do not require CRS, such as systems that only support fullduplex operation. This signal is also useful for diagnostic testing where it may be desirable to loop Receive RMII data directly to the transmitter.
Since the reference clock operates at 10 times the data rate for 10 Mb/s operation, transmit data is sampled every 10 clocks. Likewise, receive data will be generated every 10th clock so that an attached device can sample the data every 10 clocks.
RMII mode requires a 50 MHz oscillator be connected to the device X1 pin. A 50 MHz crystal is not supported.
To tolerate potential frequency differences between the 50 MHz reference clock and the recovered receive clock, the receive RMII function includes a programmable elasticity buffer. The elasticity buffer is programmable to minimize propagation delay based on expected packet size and clock accuracy. This allows for supporting a range of packet sizes including jumbo frames.
The elasticity buffer will force frame check sequence errors for packets which overrun or underrun the FIFO. Underrun and Overrun conditions can be reported in the RMII and bypass register (RBR). The following table indicates how to program the elasticity buffer fifo (in 4-bit increments) based on expected max packet size and clock accuracy. It assumes both clocks (RMII reference clock and far-end transmitter clock) have the same accuracy.
| START THRESHOLD RBR[1:0] |
LATENCY TOLERANCE | RECOMMENDED PACKET SIZE at ±50 ppm |
RECOMMENDED PACKET SIZE at ±100 ppm |
|---|---|---|---|
| 1 (4-bits) | 2 bits | 2400 bytes | 1200 bytes |
| 2 (8-bits) | 6 bits | 7200 bytes | 3600 bytes |
| 3 (12-bits) | 10 bits | 12000 bytes | 6000 bytes |
| 0 (16-bits) | 14 bits | 16800 bytes | 8400 bytes |
The DP83848 incorporates a 10 Mb serial network interface (SNI) which allows a simple serial data interface for 10 Mb only devices. This is also referred to as a 7-wire interface. While there is no defined standard for this interface, it is based on early 10 Mb physical layer devices. Data is clocked serially at
10 MHz using separate transmit and receive paths. The following pins are used in SNI mode:
The serial management MII specification defines a set of thirty-two 16-bit status and control registers that are accessible through the management interface pins MDC and MDIO. The DP83848 implements all the required MII registers as well as several optional registers. A description of the serial management access protocol follows.
The serial control interface consists of two pins, management data clock (MDC) and management data input/output (MDIO). MDC has a maximum clock rate of 25 MHz and no minimum rate. The MDIO line is bi-directional and may be shared by up to 32 devices. The MDIO frame format is shown below in
Table 32.
The MDIO pin requires a pull-up resistor (1.5 kΩ) which, during IDLE and turnaround, will pull MDIO high. In order to initialize the MDIO interface, the station management entity sends a sequence of 32 contiguous logic ones on MDIO to provide the DP83848 with a sequence that can be used to establish synchronization. This preamble may be generated either by driving MDIO high for 32 consecutive MDC clock cycles, or by simply allowing the MDIO pull-up resistor to pull the MDIO pin high during which time 32 MDC clock cycles are provided. In addition 32 MDC clock cycles should be used to re-sync the device if an invalid start, opcode, or turnaround bit is detected.
The DP83848 waits until it has received this preamble sequence before responding to any other transaction. Once the DP83848 serial management port has been initialized no further preamble sequencing is required until after a power-on/reset, invalid start, invalid opcode, or invalid turnaround bit has occurred.
The start code is indicated by a <01> pattern. This assures the MDIO line transitions from the default idle line state.
Turnaround is defined as an idle bit time inserted between the register address field and the data field. To avoid contention during a read transaction, no device shall actively drive the MDIO signal during the first bit of turnaround. The addressed DP83848 drives the MDIO with a zero for the second bit of turnaround and follows this with the required data. Figure 36 shows the timing relationship between MDC and the MDIO as driven or received by the station (STA) and the DP83848 (PHY) for a typical register read access.
For write transactions, the station management entity writes data to the addressed DP83848 thus eliminating the requirement for MDIO turnaround. The turnaround time is filled by the management entity by inserting <10>. Figure 37 shows the timing relationship for a typical MII register write access.
| MII MANAGEMENT SERIAL PROTOCOL | <idle><start><op code><device addr><reg addr><turnaround><data><idle> |
|---|---|
| Read Operation | <idle><01><10><AAAAA><RRRRR><Z0><xxxx xxxx xxxx xxxx><idle> |
| Write Operation | <idle><01><01><AAAAA><RRRRR><10><xxxx xxxx xxxx xxxx><idle> |
Figure 36. Typical MDC/MDIO Read Operation
Figure 37. Typical MDC/MDIO Write Operation
The DP83848 supports a preamble suppression mode as indicated by a one in bit 6 of the basic mode status register (BMSR, address 01h.) If the station management entity (i.e. MAC or other management controller) determines that all PHYs in the system support preamble suppression by returning a one in this bit, then the station management entity need not generate preamble for each management transaction.
The DP83848 requires a single initialization sequence of 32 bits of preamble following hardware/software reset.
This requirement is generally met by the mandatory pull-up resistor on MDIO in conjunction with a continuous MDC, or the management access made to determine whether preamble suppression is supported.
While the DP83848 requires an initial preamble sequence of 32 bits for management initialization, it does not require a full 32-bit sequence between each subsequent transaction. A minimum of one idle bit between management transactions is required as specified in the IEEE 802.3u specification.
The auto-negotiation function provides a mechanism for exchanging configuration information between two ends of a link segment and automatically selecting the highest performance mode of operation supported by both devices. Fast link pulse (FLP) bursts provide the signalling used to communicate auto-negotiation abilities between two devices at each end of a link segment. For further detail regarding auto-negotiation, refer to Clause 28 of the IEEE 802.3u specification. The DP83848 supports four different ethernet protocols (10 Mb/s half duplex, 10 Mb/s full duplex, 100 Mb/s half duplex, and 100 Mb/s full duplex), so the inclusion of auto-negotiation ensures that the highest performance protocol will be selected based on the advertised ability of the link partner. The auto-negotiation function within the DP83848 can be controlled either by internal register access or by the use of the AN_EN, AN1 and AN0 pins.
The state of AN_EN, AN0 and AN1 determines whether the DP83848 is forced into a specific mode or auto-negotiation will advertise a specific ability (or set of abilities) as given in Table 33. These pins allow configuration options to be selected without requiring internal register access.
The state of AN_EN, AN0 and AN1, upon power-up/reset, determines the state of bits [8:5] of the ANAR register.
The auto-negotiation function selected at power-up or reset can be changed at any time by writing to the basic mode control register (BMCR) at address 0x00h.
| AN_EN | AN1 | AN0 | Forced Mode |
|---|---|---|---|
| 0 | 0 | 0 | 10BASE-T, Half Duplex |
| 0 | 0 | 1 | 10BASE-T, Full Duplex |
| 0 | 1 | 0 | 100BASE-TX, Half Duplex |
| 0 | 1 | 1 | 100BASE-TX, Full Duplex |
| AN_EN | AN1 | AN0 | Advertised Mode |
| 1 | 0 | 0 | 10BASE-T, Half or Full Duplex |
| 1 | 0 | 1 | 100BASE-TX, Half or Full Duplex |
| 1 | 1 | 0 | 10BASE-T Half Duplex 100BASE-TX, Half Duplex |
| 1 | 1 | 1 | 10BASE-T, Half/Full Duplex 100BASE-TX, Half/Full Duplex |
When auto-negotiation is enabled, the DP83848 transmits the abilities programmed into the auto-negotiation advertisement register (ANAR) at address 04h via FLP Bursts. Any combination of 10 Mb/s, 100 Mb/s, half duplex, and full duplex modes may be selected.
Auto-negotiation priority resolution:
The basic mode control register (BMCR) at address 00h provides control for enabling, disabling, and restarting the auto-negotiation process. When auto-negotiation is disabled, the speed selection bit in the BMCR controls switching between 10 Mb/s or 100 Mb/s operation, and the duplex mode bit controls switching between full duplex operation and half duplex operation. The speed selection and duplex mode bits have no effect on the mode of operation when the auto-negotiation enable bit is set.
The link speed can be examined through the PHY status register (PHYSTS) at address 10h after a Link is achieved.
The BMSR indicates the set of available abilities for technology types, auto-negotiation ability, and extended register capability. These bits are permanently set to indicate the full functionality of the DP83848 (only the 100BASE-T4 bit is not set since the DP83848 does not support that function).
The BMSR also provides status on:
The ANAR indicates the auto-negotiation abilities to be advertised by the DP83848. All available abilities are transmitted by default, but any ability can be suppressed by writing to the ANAR. Updating the ANAR to suppress an ability is one way for a management agent to change (restrict) the technology that is used.
The auto-negotiation link partner ability register (ANLPAR) at address 05h is used to receive the base link code word as well as all next page code words during the negotiation. Furthermore, the ANLPAR will be updated to either 0081h or 0021h for parallel detection to either 100 Mb/s or 10 Mb/s respectively.
The auto-negotiation expansion register (ANER) indicates additional auto-negotiation status. The ANER provides status on:
The DP83848 supports the parallel detection function as defined in the IEEE 802.3u specification. Parallel detection requires both the 10 Mb/s and 100 Mb/s receivers to monitor the receive signal and report link status to the auto-negotiation function. Auto-negotiation uses this information to configure the correct technology in the event that the link partner does not support auto-negotiation but is transmitting link signals that the 100BASE-TX or 10BASET PMAs recognize as valid link signals.
If the DP83848 completes auto-negotiation as a result of parallel detection, bits 5 and 7 within the ANLPAR register will be set to reflect the mode of operation present in the link partner. Note that bits 4:0 of the ANLPAR will also be set to 00001 based on a successful parallel detection to indicate a valid 802.3 selector field. Software may determine that negotiation completed via parallel detection by reading a zero in the link partner auto-negotiation able bit once the auto-negotiation complete bit is set. If configured for parallel detect mode and any condition other than a single good link occurs then the parallel detect fault bit will be set.
Once auto-negotiation has completed, it may be restarted at any time by setting bit 9 (restart auto-negotiation) of the BMCR to one. If the mode configured by a successful auto-negotiation loses a valid link, then the auto-negotiation process will resume and attempt to determine the configuration for the link. This function ensures that a valid configuration is maintained if the cable becomes disconnected.
A renegotiation request from any entity, such as a management agent, will cause the DP83848 to halt any transmit data and link pulse activity until the break_link_timer expires (~1500 ms). Consequently, the link partner will go into link fail and normal auto-negotiation resumes. The DP83848 will resume auto-negotiation after the break_link_timer has expired by issuing FLP bursts.
It is important to note that if the DP83848 has been initialized upon power-up as a non-auto-negotiating device (forced technology), and it is then required that auto-negotiation or re-auto-negotiation be initiated via software, bit 12 (auto-negotiation enable) of the BMCR must first be cleared and then set for any auto-negotiation function to take effect.
Parallel detection and auto-negotiation take approximately 2 to 3 seconds to complete. In addition, auto-negotiation with next page should take approximately 2 to 3 seconds to complete, depending on the number of next pages sent.
Refer to Clause 28 of the IEEE 802.3u standard for a full description of the individual timers related to auto-negotiation.
When enabled, this function utilizes auto-negotiation to determine the proper configuration for transmission and reception of data and subsequently selects the appropriate MDI pair for MDI/MDIX operation. The function uses a random seed to control switching of the crossover circuitry. This implementation complies with the corresponding IEEE 802.3 auto-negotiation and crossover specifications.
Auto-MDIX is enabled by default and can be configured via strap or via PHYCR (0x19h) register, bits [15:14].
Neither auto-negotiation nor auto-MDIX is required to be enabled in forcing crossover of the MDI pairs. Forced crossover can be achieved through the FORCE_MDIX bit, bit 14 of PHYCR (0x19h) register.
NOTE
Auto-MDIX will not work in a forced mode of operation.
The 5 PHY address inputs pins are shared with the RXD[3:0] pins and COL pin as shown in Table 34.
| PIN NUMBER | PHYAD FUNCTION | RXD FUNCTION |
|---|---|---|
| 42 | PHYAD0 | COL |
| 43 | PHYAD1 | RXD_0 |
| 44 | PHYAD2 | RXD_1 |
| 45 | PHYAD3 | RXD_2 |
| 46 | PHYAD4 | RXD_3 |
The DP83848 can be set to respond to any of 32 possible PHY addresses via strap pins. The information is latched into the PHYCR (address 19h, bits [4:0]) at device power-up and hardware reset. The PHY address pins are shared with the RXD and COL pins. Each DP83848 or port sharing an MDIO bus in a system must have a unique physical address.
The DP83848 supports PHY address strapping values 0 (<00000>) through 31 (<11111>). Strapping PHY address 0 puts the part into isolate mode. It should also be noted that selecting PHY address 0 via an MDIO write to PHYCR will not put the device in isolate mode.
For further detail relating to the latch-in timing requirements of the PHY address pins, as well as the other hardware configuration pins, refer to the Reset summary in Reset Operation.
Since the PHYAD[0] pin has weak internal pull-up resistor and PHYAD[4:1] pins have weak internal pull-down resistors, the default setting for the PHY address is 00001 (01h).
Refer to Figure 38 for an example of a PHYAD connection to external components. In this example, the PHYAD strapping results in address 00011 (03h).
Figure 38. PHYAD Strapping Example
The DP83848 can be put into MII isolate mode by writing to bit 10 of the BMCR register or by strapping in physical address 0. It should be noted that selecting physical address 0 via an MDIO write to PHYCR will not put the device in the MII isolate mode.
When in the MII isolate mode, the DP83848 does not respond to packet data present at TXD[3:0], TX_EN inputs and presents a high impedance on the TX_CLK, RX_CLK, RX_DV, RX_ER, RXD[3:0], COL, and CRS outputs. When in Isolate mode, the DP83848 will continue to respond to all management transactions.
While in Isolate mode, the PMD output pair will not transmit packet data but will continue to source 100BASE-TX scrambled idles or 10BASE-T normal link pulses.
The DP83848 can auto-negotiate or parallel detect to a specific technology depending on the receive signal at the PMD input pair. A valid link can be established for the receiver even when the DP83848 is in Isolate mode.
The DP83848 supports three configurable light emitting diode (LED) pins. The device supports three LED configurations: Link, Speed, Activity and Collision. Functions are multiplexed among the LEDs. The PHYCR for the LEDs can also be selected through address 19h, bits [6:5].
| MODE | LED_CGF[1] (BIT 6) |
LED_CFG[0] (BIT 5) or (PIN 40) |
LED_LINK | LED_SPEED | LED_ACT/COL |
|---|---|---|---|---|---|
| 1 | don't care | 1 | ON for good link OFF for no link |
ON in 100 Mb/s OFF in 10 Mb/s |
ON for activity OFF for no activity |
| 2 | 0 | 0 | ON for good Link BLINK for activity |
ON in 100 Mb/s OFF in 10 Mb/s |
ON for collision OFF for no collision |
| 3 | 1 | 0 | ON for good link BLINK for activity |
ON in 100 Mb/s OFF in 10 Mb/s |
ON for full duplex OFF for half duplex |
The LED_LINK pin in Mode 1 indicates the link status of the port. In 100BASE-T mode, link is established as a result of input receive amplitude compliant with the TPPMD specifications which will result in internal generation of signal detect. A 10 Mb/s Link is established as a result of the reception of at least seven consecutive normal link pulses or the reception of a valid 10BASE-T packet. This will cause the assertion of LED_LINK. LED_LINK will deassert in accordance with the Link Loss Timer as specified in the IEEE 802.3 specification.
The LED_LINK pin in Mode 1 will be OFF when no LINK is present.
The LED_LINK pin in Mode 2 and Mode 3 will be ON to indicate Link is good and BLINK to indicate activity is present on either transmit or receive activity.
The LED_SPEED pin indicates 10 or 100 Mb/s data rate of the port. The standard CMOS driver goes high when operating in 100 Mb/s operation. The functionality of this LED is independent of mode selected.
The LED_ACT/COL pin in Mode 1 indicates the presence of either transmit or receive activity. The LED will be ON for Activity and OFF for No Activity. In Mode 2, this pin indicates the Collision status of the port. The LED will be ON for Collision and OFF for No Collision.
The LED_ACT/COL pin in Mode 3 indicates the presence of duplex status for 10 Mb/s or 100 Mb/s operation. The LED will be ON for full duplex and OFF for half duplex.
In 10 Mb/s half duplex mode, the collision LED is based on the COL signal.
Since these LED pins are also used as strap options, the polarity of the LED is dependent on whether the pin is pulled up or down.
Since the auto-negotiation (AN) strap options share the LED output pins, the external components required for strapping and LED usage must be considered in order to avoid contention.
Specifically, when the LED outputs are used to drive LEDs directly, the active state of each output driver is dependent on the logic level sampled by the corresponding AN input upon power-up/reset. For example, if a given AN input is resistively pulled low then the corresponding output will be configured as an active high driver. Conversely, if a given AN input is resistively pulled high, then the corresponding output will be configured as an active low driver.
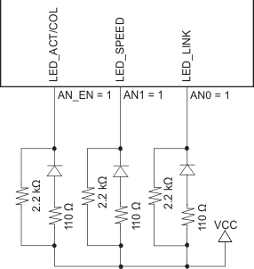
Refer to Figure 39 for an example of AN connections to external components. In this example, the AN strapping results in auto-negotiation with 10/100 half or full duplex advertised.
The adaptive nature of the LED outputs helps to simplify potential implementation issues of these dual purpose pins.
Figure 39. AN Strapping and LED Loading Example
The DP83848 provides another option to directly control any or all LED outputs through the LED direct control register (LEDCR), address 18h. The register does not provide read access to LEDs.
The DP83848 supports both half and full duplex operation at both 10 Mb/s and 100 Mb/s speeds.
Half duplex relies on the CSMA/CD protocol to handle collisions and network access. In half duplex mode, CRS responds to both transmit and receive activity in order to maintain compliance with the IEEE 802.3 specification.
Since the DP83848 is designed to support simultaneous transmit and receive activity it is capable of supporting fullduplex switched applications with a throughput of up to 200 Mb/s per port when operating in 100BASE-TX mode. Because the CSMA/CD protocol does not apply to fullduplex operation, the DP83848 disables its own internal collision sensing and reporting functions and modifies the behavior of carrier sense (CRS) such that it indicates only receive activity. This allows a full duplex capable MAC to operate properly.
All modes of operation (100BASE-TX and 10BASE-T) can run either half duplex or full duplex. Additionally, other than CRS and collision reporting, all remaining MII signaling remains the same regardless of the selected duplex mode.
It is important to understand that while auto-negotiation with the use of fast link pulse code words can interpret and configure to full duplex operation, parallel detection can not recognize the difference between full and half duplex from a fixed 10 Mb/s or 100 Mb/s link partner over twisted pair. As specified in the 802.3u specification, if a far-end link partner is configured to a forced full duplex 100BASE-TX ability, the parallel detection state machine in the partner would be unable to detect the full duplex capability of the far-end link partner. This link segment would negotiate to a half duplex 100BASE-TX configuration (same scenario for 10 Mb/s).
The DP83848 includes a loopback test mode for facilitating system diagnostics. The loopback mode is selected through bit 14 (loopback) of the BMCR. Writing 1 to this bit enables MII transmit data to be routed to the MII receive outputs. Loopback status may be checked in bit 3 of PHYSTS. While in loopback mode the data will not be transmitted onto the media. To ensure that the desired operating mode is maintained, Auto-Negotiation should be disabled before selecting the loopback mode.
The DP83848 incorporates an internal built-in self test (BIST) circuit to accommodate in-circuit testing or diagnostics. The BIST circuit can be utilized to test the integrity of the transmit and receive data paths. BIST testing can be performed with the part in the internal loopback mode or externally looped back using a loopback cable fixture.
The BIST is implemented with independent transmit and receive paths, with the transmit block generating a continuous stream of a pseudo random sequence. The user can select a 9 bit or 15 bit pseudorandom sequence from the PSR_15 bit in the PHYCR. The received data is compared to the generated pseudo-random data by the BIST linear feedback shift register (LFSR) to determine the BIST pass or fail status.
The pass or fail status of the BIST is stored in the BIST status bit in the PHYCR register. The status bit defaults to 0 (BIST fail) and transitions on a successful comparison. If an error (mis-compare) occurs, the status bit is latched and is cleared upon a subsequent write to the Start/Stop bit.
For transmit VOD testing, the packet BIST continuous mode can be used to allow continuous data transmission, setting BIST_CONT_MODE, bit 5, of CDCTRL1 (0x1Bh).
The number of BIST errors can be monitored through the BIST error count in the CDCTRL1 (0x1Bh), bits [15:8].
| OFFSET | ACCESS | TAG | DESCRIPTION | |
|---|---|---|---|---|
| HEX | DECIMAL | |||
| 00h | 0 | RW | BMCR | Basic Mode Control Register |
| 01h | 1 | RO | BMSR | Basic Mode Status Register |
| 02h | 2 | RO | PHYIDR1 | PHY Identifier Register 1 |
| 03h | 3 | RO | PHYIDR2 | PHY Identifier Register 2 |
| 04h | 4 | RW | ANAR | Auto-Negotiation Advertisement Register |
| 05h | 5 | RW | ANLPAR | Auto-Negotiation Link Partner Ability Register (Base Page) |
| 05h | 5 | RW | ANLPARNP | Auto-Negotiation Link Partner Ability Register (Next Page) |
| 06h | 6 | RW | ANER | Auto-Negotiation Expansion Register |
| 07h | 7 | RW | ANNPTR | Auto-Negotiation Next Page TX |
| 08h-Fh | 15-Aug | RW | RESERVED | RESERVED |
| EXTENDED REGISTERS | ||||
| 10h | 16 | RO | PHYSTS | PHY Status Register |
| 11h | 17 | RW | MICR | MII Interrupt Control Register |
| 12h | 18 | RO | MISR | MII Interrupt Status Register |
| 13h | 19 | RW | RESERVED | RESERVED |
| 14h | 20 | RO | FCSCR | False Carrier Sense Counter Register |
| 15h | 21 | RO | RECR | Receive Error Counter Register |
| 16h | 22 | RW | PCSR | PCS Sub-Layer Configuration and Status Register |
| 17h | 23 | RW | RBR | RMII and Bypass Register |
| 18h | 24 | RW | LEDCR | LED Direct Control Register |
| 19h | 25 | RW | PHYCR | PHY Control Register |
| 1Ah | 26 | RW | 10BTSCR | 10Base-T Status/Control Register |
| 1Bh | 27 | RW | CDCTRL1 | CD Test Control Register and BIST Extensions Register |
| 1Ch | 28 | RW | RESERVED | RESERVED |
| 1Dh | 29 | RW | EDCR | Energy Detect Control Register |
| 1Eh-1Fh | 30-31 | RW | RESERVED | RESERVED |
| REGISTER NAME | ADDRESS | TAG | BIT 15 | BIT 14 | BIT 13 | BIT 12 | BIT 11 | BIT 10 | BIT 9 | BIT 8 | BIT 7 | BIT 6 | BIT 5 | BIT 4 | BIT 3 | BIT 2 | BIT 1 | BIT0 |
|---|---|---|---|---|---|---|---|---|---|---|---|---|---|---|---|---|---|---|
| Basic Mode Control Register | 00h | BMCR | Reset | Loop- back | Speed Selection | Auto- Neg Enable | Power Down | Isolate | Restart Auto- Neg | Duplex Mode | Collision Test | Re- served | Re- served | Re- served | Re- served | Re- served | Re- served | Re- served |
| Basic Mode Status Register | 01h | BMSR | 100Base -T4 | 100Base -TX FDX | 100Base -TX HDX | 10Base- T FDX | 10Base- T HDX | Re- served | Re- served | Re- served | Re- served | MF Pre- amble Sup- press | Auto- Neg Com- plete | Remote Fault | Auto- Neg Ability | Link Status | Jabber Detect | Extend- ed Capa- bility |
| PHY Identifier Register 1 | 02h | PHYIDR 1 | OUI MSB | OUI MSB | OUI MSB | OUI MSB | OUI MSB | OUI MSB | OUI MSB | OUI MSB | OUI MSB | OUI MSB | OUI MSB | OUI MSB | OUI MSB | OUI MSB | OUI MSB | OUI MSB |
| PHY Identifier Register 2 | 03h | PHYIDR 2 | OUI LSB | OUI LSB | OUI LSB | OUI LSB | OUI LSB | OUI LSB | VNDR_ MDL | VNDR_ MDL | VNDR_ MDL | VNDR_ MDL | VNDR_ MDL | VNDR_ MDL | MDL_ REV | MDL_ REV | MDL_ REV | MDL_ REV |
| Auto-Negotiation Advertise-ment Register | 04h | ANAR | Next Page Ind | Re- served | Remote Fault | Re- served | ASM_ DIR | PAUSE | T4 | TX_FD | TX | 10_FD | 10 | Protocol Selection | Protocol Selection | Protocol Selection | Protocol Selection | Protocol Selection |
| Auto-Negotiation Link Partner Ability Register (Base Page) | 05h | ANLPAR | Next Page Ind | ACK | Remote Fault | Re- served | ASM_ DIR | PAUSE | T4 | TX_FD | TX | 10_FD | 10 | Protocol Selection | Protocol Selection | Protocol Selection | Protocol Selection | Protocol Selection |
| Auto-Negotiation Link Partner Ability Register Next Page | 05h | AN- LPARNP | Next Page Ind | ACK | Mes- sage Page | ACK2 | Toggle | Code | Code | Code | Code | Code | Code | Code | Code | Code | Code | Code |
| Auto-Negotiation Expansion Register | 06h | ANER | Re- served | Re- served | Re- served | Re- served | Re- served | Re- served | Re- served | Re- served | Re- served | Re- served | Re- served | LP_NP_ ABLE | NP_ ABLE | PAGE_ RX | LP_AN_ ABLE | |
| Auto-Negotiation Next Page TX Register | 07h | ANNPTR | Next Page Ind | Re- served | Message Page | ACK2 | TOG_TX | CODE | CODE | CODE | CODE | CODE | CODE | CODE | CODE | CODE | CODE | CODE |
| Reserved | 08-0fh | Re- served | Re- served | Re- served | Re- served | Re- served | Re- served | Re- served | Re- served | Re- served | Re- served | Re- served | Re- served | Re- served | Re- served | Re- served | Re- served | Re- served |
| EXTENDED REGISTERS | ||||||||||||||||||
| PHY Status Register | 10h | PHYSTS | Re- served | MDI-X mode | Rx Err Latch | Polarity Status | False Carrier Sense | Signal Detect | Descram Lock | Page Receive | MII Inter- rupt | Remote Fault | Jabber Detect | Auto- Neg Com- plete | Loop- back Status | Duplex Status | Speed Status | Link Status |
| MII Interrupt Control Register | 11h | MICR | Re- served | Re- served | Re- served | Re- served | Re- served | Re- served | Re- served | Re- served | Re- served | Re- served | Re- served | Re- served | Re- served | TINT | INTEN | INT_OE |
| MII Interrupt Status and Misc. Control Register | 12h | MISR | Re- served | ED_INT | LINK_ INT | SPD_ INT | DUP_ INT | ANC_ INT | FHF_ INT | RHF_ INT | Re- served | UNMSK_ ED | UNMSK_ LINK | UNMSK_ JAB | UNMSK_ RF | UNMSK_ ANC | UNMSK_ FHF | UNMSK_ RHF |
| Reserved | 13h | Re- served | Re- served | Re- served | Re- served | Re- served | Re- served | Re- served | Re- served | Re- served | Re- served | Re- served | Re- served | Re- served | Re- served | Re- served | Re- served | Re- served |
| False Carrier Sense Counter Register | 14h | FCSCR | Re- served | Re- served | Re- served | Re- served | Re- served | Re- served | Re- served | Re- served | FCSCNT | FCSCNT | FCSCNT | FCSCNT | FCSCNT | FCSCNT | FCSCNT | FCSCNT |
| Receive Error Counter Register | 15h | RECR | Re- served | Re- served | Re- served | Re- served | Re- served | Re- served | Re- served | Re- served | RXER- CNT | RXER- CNT | RXER- CNT | RXER- CNT | RXER- CNT | RXER- CNT | RXER- CNT | RXER- CNT |
| PCS Sub-Layer Configura-tion and Status Register | 16h | PCSR | Re- served | Re- served | Re- served | BYP_4B 5B | Re- served | TQ_EN | SD_FOR CE_PMA | SD_ OPTION | DESC_ TIME | Re- served | FORCE_ 100_OK | Re- served | Re- served | NRZI_ BYPASS | SCRAM_ BYPASS | DE SCRAM_ BYPASS |
| RMII and Bypass Register | 17h | RBR | Re- served | Re- served | Re- served | Re- served | Re- served | Re- served | Re- served | Re- served | Re- served | Re- served | RMII_ MODE | RMII_ REV1_0 | RX_OVF _STS | RX_UNF _STS | RX_RD_ PTR[1] | RX_RD_ PTR[0] |
| LED Direct Control Register | 18h | LEDCR | Re- served | Re- served | Re- served | Re- served | Re- served | Re- served | Re- served | Re- served | Re- served | Re- served | DRV_SP DLED | DRV_LN KLED | DRV_AC TLED | SPDLED | LNKLED | ACTLED |
| PHY Control Register | 19h | PHYCR | MDIX_EN | FORCE_ MDIX | PAUSE_ RX | PAUSE_ TX | BIST_fe | PSR_15 | BIST_ STATUS | BIST_ START | BP_ STRE- TCH | LED_ CNFG[1] | LED_ CNFG[0] | PHY ADDR | PHY ADDR | PHY ADDR | PHY ADDR | PHY ADDR |
| 10Base-T Status/ Control Register | 1Ah | 10BT_S ERIAL | 10BT_S ERIAL | REJECT 100 BASE T | ERROR RANGE | ERROR RANGE | SQUE- LCH | SQUE- LCH | SQUE- LCH | LOOPBA CK_10_ DIS | LP_DIS | FORC_ LINK_10 | Re- served | POLARI- TY | Re- served | Re- served | HEART_ DIS | JABBER _DIS |
| CD Test Control and BIST Extensions Register | 1Bh | CDCTRL 1 | BIST_ ERROR _COUNT | BIST_ ERROR _COUNT | BIST_ ERROR _COUNT | BIST_ ERROR _COUNT | BIST_ ERROR _COUNT | BIST_ ERROR _COUNT | BIST_ ERROR _COUNT | BIST_ ERROR _COUNT | Re- served | Re- served | BIST_ CONT_ MODE | CDPattE N_10 | Re- served | 10Meg_ Patt_ Gap | CDPatt- Sel | CDPatt- Sel |
| Reserved | 1Ch | Re- served | Re- served | Re- served | Re- served | Re- served | Re- served | Re- served | Re- served | Re- served | Re- served | Re- served | Re- served | Re- served | Re- served | Re- served | Re- served | Re- served |
| Energy Detect Control Register | 1Dh | EDCR | ED_EN | ED_ AUTO_ UP | ED_ AUTO_ DOWN | ED_ MAN | ED_ BURST_ DIS | ED_ PWR_ STATE | ED_ERR _MET | ED_ DATA_ MET | ED_ERR _COUNT | ED_ERR _COUNT | ED_ERR _COUNT | ED_ERR _COUNT | ED_ DATA_ COUNT | ED_ DATA_ COUNT | ED_ DATA_ COUNT | ED_ DATA_ COUNT |
| Reserved | 1Eh-1Fh | Re- served | Re- served | Re- served | Re- served | Re- served | Re- served | Re- served | Re- served | Re- served | Re- served | Re- served | Re- served | Re- served | Re- served | Re- served | Re- served | Re- served |
In the register definitions under the ‘Default’ heading, the following definitions hold true:
| BIT | BIT NAME | DEFAULT | DESCRIPTION |
|---|---|---|---|
| 15 | Reset | 0, RW/SC | Reset: |
| 1 = Initiate software Reset/Reset in Process | |||
| 0 = Normal operation | |||
| This bit, which is self-clearing, returns a value of one until the reset process is complete. The configuration is re-strapped. | |||
| 14 | Loopback | 0, RW | Loopback: |
| 1 = Loopback enabled | |||
| 0 = Normal operation | |||
| The loopback function enables MII transmit data to be routed to the MII receive data path. | |||
| Setting this bit may cause the descrambler to lose synchronization and produce a 500 μs “dead time” before any valid data will appear at the MII receive outputs. | |||
| 13 | Speed Selection | Strap, RW | Speed Select: |
| When auto-negotiation is disabled writing to this bit allows the port speed to be selected. | |||
| 1 = 100 Mb/s | |||
| 0 = 10 Mb/s | |||
| 12 | Auto-Negotiation Enable | Strap, RW | Auto-Negotiation Enable: |
| Strap controls initial value at reset | |||
| 1 = Auto-Negotiation Enabled - bits 8 and 13 of this register are ignored when this bit is set. | |||
| 0 = Auto-Negotiation Disabled - bits 8 and 13 determine the port speed and duplex mode. | |||
| 11 | Power Down | 0, RW | Power Down: |
| 1 = Power down | |||
| 0 = Normal opeation. | |||
| Setting this bit powers down the PHY. Only the register block is enabled during a power down condition. This bit is OR’d with the input from the PWR_DOWN/INT pin. When the active low PWR_DOWN/INT pin is asserted, this bit will be set. | |||
| 10 | Isolate | 0, RW | Isolate: |
| 1 = Isolates the Port from the MII with the exception of the serial man- agement. | |||
| 0 = Normal operation | |||
| 9 | Restart Auto- Negotiation | 0, RW/SC | Restart Auto-Negotiation: |
| 1 = Restart Auto-Negotiation. Re-initiates the Auto-Negotiation pro- cess. If Auto-Negotiation is disabled (bit 12 = 0), this bit is ignored. This bit is self-clearing and will return a value of 1 until Auto-Negotiation is initiated, whereupon it will self-clear. Operation of the Auto-Negotiation process is not affected by the management entity clearing this bit. | |||
| 0 = Normal operation | |||
| 8 | Duplex Mode | Strap, RW | Duplex Mode: |
| When auto-negotiation is disabled writing to this bit allows the port Duplex capability to be selected. | |||
| 1 = Full Duplex operation | |||
| 0 = Half Duplex operatio. | |||
| 7 | Collision Test | 0, RW | Collision Test: |
| 1 = Collision test enabled | |||
| 0 = Normal operation | |||
| When set, this bit will cause the COL signal to be asserted in response to the assertion of TX_EN within 512-bit times. The COL signal will be de-asserted within 4-bit times in response to the de-assertion of TX_EN. | |||
| 6:00 | RESERVED | 0, RO | RESERVED: Write ignored, read as 0 |
| BIT | BIT NAME | DEFAULT | DESCRIPTION |
|---|---|---|---|
| 15 | 100BASE-T4 | 0, RO/P | 100BASE-T4 Capable: |
| 0 = Device not able to perform 100BASE-T4 mode | |||
| 14 | 100BASE-T Full Duplex | 1, RO/P | 100BASE-TX Full Duplex Capable: |
| 1 = Device able to perform 100BASE-TX in full duplex mode | |||
| 13 | 100BASE-T Half Duplex | 1, RO/P | 100BASE-TX Half Duplex Capable: |
| 1 = Device able to perform 100BASE-TX in half duplex mode | |||
| 12 | 10BASE-T Full Duplex | 1, RO/P | 10BASE-T Full Duplex Capable: |
| 1 = Device able to perform 10BASE-T in full duplex mode | |||
| 11 | 10BASE-T Half Duplex | 1, RO/P | 10BASE-T Half Duplex Capable: |
| 1 = Device able to perform 10BASE-T in half duplex mode | |||
| 10:07 | RESERVED | 0, RO | RESERVED: Write as 0, read as 0 |
| 6 | MF Preamble Suppression | 1, RO/P | Preamble suppression Capable: |
| 1 = Device able to perform management transaction with preamble suppressed, 32-bits of preamble needed only once after reset, invalid opcode or invalid turnaround. | |||
| 0 = Normal management operation | |||
| 5 | Auto-Negotiation Com- plete | 0, RO | Auto-Negotiation Complete: |
| 1 = Auto-Negotiation process complete | |||
| 0 = Auto-Negotiation process not complete | |||
| 4 | Remote Fault | 0, RO/LH | Remote Fault: |
| 1 = Remote Fault condition detected (cleared on read or by reset). Fault criteria: Far End Fault Indication or notification from Link Partner of Remote Fault. | |||
| 0 = No remote fault condition detected | |||
| 3 | Auto-Negotiation Ability | 1, RO/P | Auto Negotiation Ability: |
| 1 = Device is able to perform Auto-Negotiation | |||
| 0 = Device is not able to perform Auto-Negotiation | |||
| 2 | Link Status | 0, RO/LL | Link Status: |
| 1 = Valid link established (for either 10 or 100 Mb/s operation) | |||
| 0 = Link not established | |||
| The criteria for link validity is implementation specific. The occurrence of a link failure condition will causes the Link Status bit to clear. Once cleared, this bit may only be set by establishing a good link condition and a read via the management interface. | |||
| 1 | Jabber Detect | 0, RO/LH | Jabber Detect: This bit only has meaning in 10 Mb/s mode |
| 1 = Jabber condition detected | |||
| 0 = No Jabber | |||
| This bit is implemented with a latching function, such that the occurrence of a jabber condition causes it to set until it is cleared by a read to this register by the management interface or by a reset. | |||
| 0 | Extended Capability | 1, RO/P | Extended Capability: |
| 1 = Extended register capabilities | |||
| 0 = Basic register set capabilities only |
The PHY Identifier Registers 1 and 2 together form a unique identifier for the DP83848. The Identifier consists of a concatenation of the Organizationally Unique Identifier (OUI), the vendor's model number and the model revision number. A PHY may return a value of zero in each of the 32 bits of the PHY Identifier if desired. The PHY Identifier is intended to support network management. National's IEEE assigned OUI is 080017h.
| BIT | BIT NAME | DEFAULT | DESCRIPTION |
|---|---|---|---|
| 15:0 | OUI_MSB | <0010 0000 0000 0000>, RO/P | OUI Most Significant Bits: Bits 3 to 18 of the OUI (080017h) are stored in bits 15 to 0 of this register. The most significant two bits of the OUI are ignored (the IEEE standard refers to these as bits 1 and 2). |
| BIT | BIT NAME | DEFAULT | DESCRIPTION |
|---|---|---|---|
| 15:10 | OUI_LSB | <0101 11>, RO/P | OUI Least Significant Bits: |
| Bits 19 to 24 of the OUI (080017h) are mapped from bits 15 to 10 of this register respectively. | |||
| 9:4 | VNDR_MDL | <00 1001 >, RO/P | Vendor Model Number: |
| The six bits of vendor model number are mapped from bits 9 to 4 (most significant bit to bit 9). | |||
| 3:0 | MDL_REV | <0000>, RO/P | Model Revision Number: |
| Four bits of the vendor model revision number are mapped from bits 3 to 0 (most significant bit to bit 3). This field will be incremented for all major device changes. |
This register contains the advertised abilities of this device as they will be transmitted to its link partner during Auto-Negotiation.
| BIT | BIT NAME | DEFAULT | DESCRIPTION |
|---|---|---|---|
| 15 | NP | 0, RW | Next Page Indication: |
| 0 = Next Page Transfer not desired | |||
| 1 = Next Page Transfer desired | |||
| 14 | RESERVED | 0, RO/P | RESERVED by IEEE: Writes ignored, Read as 0 |
| 13 | RF | 0, RW | Remote Fault: |
| 1 = Advertises that this device has detected a Remote Fault | |||
| 0 = No Remote Fault detected | |||
| 12 | RESERVED | 0, RW | RESERVED for Future IEEE use: Write as 0, Read as 0 |
| 11 | ASM_DIR | 0, RW | Asymmetric PAUSE Support for Full Duplex Links: |
| The ASM_DIR bit indicates that asymmetric PAUSE is supported. | |||
| Encoding and resolution of PAUSE bits is defined in IEEE 802.3 Annex 28B, Tables 28B-2 and 28B-3, respectively. Pause resolution status is reported in PHYCR[13:12]. | |||
| 1 = Advertise that the DTE (MAC) has implemented both the optional MAC control sublayer and the pause function as specified in clause 31 and annex 31B of 802.3u. | |||
| 0 = No MAC based full duplex flow control | |||
| 10 | PAUSE | 0, RW | PAUSE Support for Full Duplex Links: |
| The PAUSE bit indicates that the device is capable of providing the symmetric PAUSE functions as defined in Annex 31B. | |||
| Encoding and resolution of PAUSE bits is defined in IEEE 802.3 Annex 28B, Tables 28B-2 and 28B-3, respectively. Pause resolution status is reported in PHYCR[13:12]. | |||
| 1 = Advertise that the DTE (MAC) has implemented both the optional MAC control sublayer and the pause function as specified in clause 31 and annex 31B of 802.3u. | |||
| 0= No MAC based full duplex flow control | |||
| 9 | T4 | 0, RO/P | 100BASE-T4 Support: |
| 1 = 100BASE-T4 is supported by the local device | |||
| 0 = 100BASE-T4 not supported | |||
| 8 | TX_FD | Strap, RW | 100BASE-TX Full Duplex Support: |
| 1 = 100BASE-TX Full Duplex is supported by the local device | |||
| 0 = 100BASE-TX Full Duplex not supported | |||
| 7 | TX | Strap, RW | 100BASE-TX Support: |
| 1 = 100BASE-TX is supported by the local device | |||
| 0 = 100BASE-TX not supported | |||
| 6 | 10_FD | Strap, RW | 10BASE-T Full Duplex Support: |
| 1 = 10BASE-T Full Duplex is supported by the local device | |||
| 0 = 10BASE-T Full Duplex not supported | |||
| 5 | 10 | Strap, RW | 10BASE-T Support: |
| 1 = 10BASE-T is supported by the local device | |||
| 0 = 10BASE-T not supported | |||
| 4:0 | Selector | <00001>, RW | Protocol Selection Bits: |
| These bits contain the binary encoded protocol selector supported by this port. <00001> indicates that this device supports IEEE 802.3u. |
This register contains the advertised abilities of the link partner as received during auto-negotiation. The content changes after the successful auto-negotiation if next-pages are supported.
| BIT | BIT NAME | DEFAULT | DESCRIPTION |
|---|---|---|---|
| 15 | NP | 0, RO | Next Page Indication: |
| 0 = Link Partner does not desire Next Page Transfer | |||
| 1 = Link Partner desires Next Page Transfer | |||
| 14 | ACK | 0, RO | Acknowledge: |
| 1 = Link Partner acknowledges reception of the ability data word | |||
| 0 = Not acknowledged | |||
| The Auto-Negotiation state machine will automatically control the this bit based on the incoming FLP bursts. | |||
| 13 | RF | 0, RO | Remote Fault: |
| 1 = Remote Fault indicated by Link Partner | |||
| 0 = No Remote Fault indicated by Link Partner | |||
| 12 | RESERVED | 0, RO | RESERVED for Future IEEE use: Write as 0, read as 0 |
| 11 | ASM_DIR | 0, RO | ASYMMETRIC PAUSE: |
| 1 = Asymmetric pause is supported by the Link Partner | |||
| 0 = Asymmetric pause is not supported by the Link Partner | |||
| 10 | PAUSE | 0, RO | PAUSE: |
| 1 = Pause function is supported by the Link Partner | |||
| 0 = Pause function is not supported by the Link Partner | |||
| 9 | T4 | 0, RO | 100BASE-T4 Support: |
| 1 = 100BASE-T4 is supported by the Link Partner | |||
| 0 = 100BASE-T4 not supported by the Link Partner | |||
| 8 | TX_FD | 0, RO | 100BASE-TX Full Duplex Support: |
| 1 = 100BASE-TX Full Duplex is supported by the Link Partner | |||
| 0 = 100BASE-TX Full Duplex not supported by the Link Partner | |||
| 7 | TX | 0, RO | 100BASE-TX Support: |
| 1 = 100BASE-TX is supported by the Link Partner | |||
| 0 = 100BASE-TX not supported by the Link Partner | |||
| 6 | 10_FD | 0, RO | 10BASE-T Full Duplex Support: |
| 1 = 10BASE-T Full Duplex is supported by the Link Partner | |||
| 0 = 10BASE-T Full Duplex not supported by the Link Partner | |||
| 5 | 10 | 0, RO | 10BASE-T Support: |
| 1 = 10BASE-T is supported by the Link Partner | |||
| 0 = 10BASE-T not supported by the Link Partner | |||
| 4:0 | Selector | <0 0000>, RO | Protocol Selection Bits: |
| Link Partner’s binary encoded protocol selector |
| BIT | BIT NAME | DEFAULT | DESCRIPTION |
|---|---|---|---|
| 15 | NP | 0, RO | Next Page Indication: |
| 1 = Link Partner desires Next Page Transfer | |||
| 0 = Link Partner does not desire Next Page Transfer | |||
| 14 | ACK | 0, RO | Acknowledge: |
| 1 = Link Partner acknowledges reception of the ability data word | |||
| 0 = Not acknowledged | |||
| The Auto-Negotiation state machine will automatically control the this bit based on the incoming FLP bursts. Software should not attempt to write to this bit. | |||
| 13 | MP | 0, RO | Message Page: |
| 1 = Message Page | |||
| 0 = Unformatted Page | |||
| 12 | ACK2 | 0, RO | Acknowledge 2: |
| 1 = Link Partner does have the ability to comply to next page message | |||
| 0 = Link Partner does not have the ability to comply to next page message | |||
| 11 | Toggle | 0, RO | Toggle: |
| 1 = Previous value of the transmitted Link Code word equalled 0 | |||
| 0 = Previous value of the transmitted Link Code word equalled 1 | |||
| 10:0 | CODE | <000 0000 0000>, RO | Code: |
| This field represents the code field of the next page transmission. If the MP bit is set (bit 13 of this register), then the code shall be interpreted as a “Message Page,” as defined in annex 28C of Clause 28. Otherwise, the code shall be interpreted as an “Unformatted Page,” and the interpretation is application specific. |
This register contains additional local device and link partner status information.
| BIT | BIT NAME | DEFAULT | DESCRIPTION |
|---|---|---|---|
| 15:5 | RESERVED | 0, RO | RESERVED: Writes ignored, Read as 0 |
| 4 | 0, RO | Parallel Detection Fault: | |
| 1 = A fault has been detected via the Parallel Detection function | |||
| 0 = A fault has not been detected | |||
| 3 | LP_NP_ABLE | 0, RO | Link Partner Next Page Able: |
| 1 = Link Partner does support Next Page | |||
| 0 = Link Partner does not support Next Page | |||
| 2 | NP_ABLE | 1, RO/P | Next Page Able: |
| 1 = Indicates local device is able to send additional “Next Pages” | |||
| 1 | PAGE_RX | 0, RO/COR | Link Code Word Page Received: |
| 1 = Link Code Word has been received, cleared on a read | |||
| 0 = Link Code Word has not been received | |||
| 0 | LP_AN_ABLE | 0, RO | Link Partner Auto-Negotiation Able: |
| 1 = indicates that the Link Partner supports Auto-Negotiation | |||
| 0 = indicates that the Link Partner does not support Auto-Negotiation |
This register contains the next page information sent by this device to its link partner during auto-negotiation.
| BIT | BIT NAME | DEFAULT | DESCRIPTION |
|---|---|---|---|
| 15 | NP | 0, RW | Next Page Indication: |
| 0 = No other Next Page Transfer desired | |||
| 1 = Another Next Page desired | |||
| 14 | RESERVED | 0, RO | RESERVED: Writes ignored, read as 0 |
| 13 | MP | 1, RW | Message Page: |
| 1 = Message Page | |||
| 0 = Unformatted Page | |||
| 12 | ACK2 | 0, RW | Acknowledge2: |
| 1 = Will comply with message | |||
| 0 = Cannot comply with message | |||
| Acknowledge2 is used by the next page function to indicate that Local Device has the ability to comply with the message received. | |||
| 11 | TOG_TX | 0, RO | Toggle: |
| 1 = Value of toggle bit in previously transmitted Link Code Word was 0 | |||
| 0 = Value of toggle bit in previously transmitted Link Code Word was 1 | |||
| Toggle is used by the Arbitration function within Auto-Negotiation to ensure synchronization with the Link Partner during Next Page exchange. This bit shall always take the opposite value of the Toggle bit in the previously exchanged Link Code Word. | |||
| 10:0 | CODE | <000 0000 0001>, RW | This field represents the code field of the next page transmission. If the MP bit is set (bit 13 of this register), then the code shall be interpreted as a "Message Page”, as defined in annex 28C of IEEE 802.3u. Otherwise, the code shall be interpreted as an "Unformatted Page”, and the interpretation is application specific. |
| The default value of the CODE represents a Null Page as defined in Annex 28C of IEEE 802.3u. |
This register provides a single location within the register set for quick access to commonly accessed information.
| BIT | BIT NAME | DEFAULT | DESCRIPTION |
|---|---|---|---|
| 15 | RESERVED | 0, RO | RESERVED: Write ignored, read as 0 |
| 14 | MDI-X Mode | 0, RO | MDI-X mode as reported by the Auto-Negotiation logic: |
| This bit will be affected by the settings of the MDIX_EN and FORCE_MDIX bits in the PHYCR register. When MDIX is enabled, but not forced, this bit will update dynamically as the Auto-MDIX algorithm swaps between MDI and MDI-X configurations. | |||
| 1 = MDI pairs swapped | |||
| (Receive on TPTD pair, Transmit on TPRD pair) | |||
| 0 = MDI pairs normal | |||
| (Receive on TRD pair, Transmit on TPTD pair) | |||
| 13 | Receive Error Latch | 0, RO/LH | Receive Error Latch: |
| This bit will be cleared upon a read of the RECR register. | |||
| 1 = Receive error event has occurred since last read of RXERCNT (address 0x15, Page 0) | |||
| 0 = No receive error event has occurred | |||
| 12 | Polarity Status | 0, RO | Polarity Status: |
| This bit is a duplication of bit 4 in the 10BTSCR register. This bit will be cleared upon a read of the 10BTSCR register, but not upon a read of the PHYSTS register. | |||
| 1 = Inverted Polarity detected | |||
| 0 = Correct Polarity detected | |||
| 11 | False Carrier Sense Latch | 0, RO/LH | False Carrier Sense Latch: |
| This bit will be cleared upon a read of the FCSR register. | |||
| 1 = False Carrier event has occurred since last read of FCSCR (address 0x14) | |||
| 0 = No False Carrier event has occurred | |||
| 10 | Signal Detect | 0, RO/LL | 100Base-TX unconditional Signal Detect from PMD |
| 9 | Descrambler Lock | 0, RO/LL | 100Base-TX Descrambler Lock from PMD |
| 8 | Page Received | 0, RO | Link Code Word Page Received: |
| This is a duplicate of the Page Received bit in the ANER register, but this bit will not be cleared upon a read of the PHYSTS register. | |||
| 1 = A new Link Code Word Page has been received. Cleared on read of the ANER (address 0x06, bit 1) | |||
| 0 = Link Code Word Page has not been received | |||
| 7 | MII Interrupt | 0, RO | MII Interrupt Pending: |
| 1 = Indicates that an internal interrupt is pending. Interrupt source can be determined by reading the MISR Register (0x12h). Reading the MISR will clear the Interrupt. | |||
| 0= No interrupt pending | |||
| 6 | Remote Fault | 0, RO | Remote Fault: |
| 1 = Remote Fault condition detected (cleared on read of BMSR (address 01h) register or by reset). Fault criteria: notification from Link Partner of Remote Fault via Auto-Negotiation. | |||
| 0 = No remote fault condition detected | |||
| 5 | Jabber Detect | 0, RO | Jabber Detect: This bit only has meaning in 10 Mb/s mode |
| This bit is a duplicate of the Jabber Detect bit in the BMSR register, except that it is not cleared upon a read of the PHYSTS register. | |||
| 1 = Jabber condition detected | |||
| 0 = No Jabber | |||
| 4 | Auto-Neg Complete | 0, RO | Auto-Negotiation Complete: |
| 1 = Auto-Negotiation complete | |||
| 0 = Auto-Negotiation not complete | |||
| 3 | Loopback Status | 0, RO | Loopback: |
| 1 = Loopback enabled | |||
| 0 = Normal operation | |||
| 2 | Duplex Status | 0, RO | Duplex: |
| This bit indicates duplex status and is determined from Auto-Negotiation or Forced Modes. | |||
| 1 = Full duplex mode | |||
| 0 = Half duplex mode | |||
| Note: This bit is only valid if Auto-Negotiation is enabled and complete and there is a valid link or if Auto-Negotiation is disabled and there is a valid link. | |||
| 1 | Speed Status | 0, RO | Speed10: |
| This bit indicates the status of the speed and is determined from Auto-Negotiation or Forced Modes. | |||
| 1 = 10 Mb/s mode | |||
| 0 = 100 Mb/s mode | |||
| Note: This bit is only valid if Auto-Negotiation is enabled and complete and there is a valid link or if Auto-Negotiation is disabled and there is a valid link. | |||
| 0 | Link Status | 0, RO | Link Status: |
| This bit is a duplicate of the Link Status bit in the BMSR register, except that it will not be cleared upon a read of the PHYSTS register. | |||
| 1 = Valid link established (for either 10 or 100 Mb/s operation) | |||
| 0 = Link not established |
This register implements the MII interrupt PHY specific control register. Sources for interrupt generation include: energy detect state change, link state change, speed status change, duplex status change, auto-negotiation complete or any of the counters becoming half-full. The individual interrupt events must be enabled by setting bits in the MII interrupt status and event control register (MISR).
| BIT | BIT NAME | DEFAULT | DESCRIPTION |
|---|---|---|---|
| 15:3 | RESERVED | 0, RO | Reserved: Write ignored, Read as 0 |
| 2 | TINT | 0, RW | Test Interrupt: |
| Forces the PHY to generate an interrupt to facilitate interrupt testing. Interrupts will continue to be generated as long as this bit remains set. | |||
| 1 = Generate an interrupt | |||
| 0 = Do not generate interrupt | |||
| 1 | INTEN | 0, RW | Interrupt Enable: |
| Enable interrupt dependent on the event enables in the MISR register. | |||
| 1 = Enable event based interrupts | |||
| 0 = Disable event based interrupts | |||
| 0 | INT_OE | 0, RW | Interrupt Output Enable: |
| Enable interrupt events to signal via the PWR_DOWN/INT pin by configuring the PWR_DOWN/INT pin as an output. | |||
| 1 = PWR_DOWN/INT is an Interrupt Output | |||
| 0 = PWR_DOWN/INT is a Power Down Input |
This register contains event status and enables for the interrupt function. If an event has occurred since the last read of this register, the corresponding status bit will be set. If the corresponding enable bit in the register is set, an interrupt will be generated if the event occurs. The MICR register controls must also be set to allow interrupts. The status indications in this register will be set even if the interrupt is not enabled.
| BIT | BIT NAME | DEFAULT | DESCRIPTION |
|---|---|---|---|
| 15 | RESERVED | 0, RO | RESERVED: Writes ignored, Read as 0 |
| 14 | ED_INT | 0, RO/COR | Energy Detect interrupt: |
| 1 = Energy detect interrupt is pending and is cleared by the current read | |||
| 0 = No energy detect interrupt pending | |||
| 13 | LINK_INT | 0, RO/COR | Change of Link Status interrupt: |
| 1 = Change of link status interrupt is pending and is cleared by the current read | |||
| 0 = No change of link status interrupt pending | |||
| 12 | SPD_INT | 0, RO/COR | Change of speed status interrupt: |
| 1 = Speed status change interrupt is pending and is cleared by the current read | |||
| 0 = No speed status change interrupt pending | |||
| 11 | DUP_INT | 0, RO/COR | Change of duplex status interrupt: |
| 1 = Duplex status change interrupt is pending and is cleared by the current read | |||
| 0 = No duplex status change interrupt pending | |||
| 10 | ANC_INT | 0, RO/COR | Auto-Negotiation Complete interrupt: |
| 1 = Auto-negotiation complete interrupt is pending and is cleared by the current read | |||
| 0 = No Auto-negotiation complete interrupt pending | |||
| 9 | FHF_INT | 0, RO/COR | False Carrier Counter half-full interrupt: |
| 1 = False carrier counter half-full interrupt is pending and is cleared by the current read | |||
| 0 = No false carrier counter half-full interrupt pending | |||
| 8 | RHF_INT | 0, RO/COR | Receive Error Counter half-full interrupt: |
| 1 = Receive error counter half-full interrupt is pending and is cleared by the current read | |||
| 0 = No receive error carrier counter half-full interrupt pending | |||
| 7 | RESERVED | 0, RO | RESERVED: Writes ignored, Read as 0 |
| 6 | ED_INT_EN | 0, RW | Enable Interrupt on energy detect event |
| 5 | LINK_INT_EN | 0, RW | Enable Interrupt on change of link status |
| 4 | SPD_INT_EN | 0, RW | Enable Interrupt on change of speed status |
| 3 | DUP_INT_EN | 0, RW | Enable Interrupt on change of duplex status |
| 2 | ANC_INT_EN | 0, RW | Enable Interrupt on Auto-negotiation complete event |
| 1 | FHF_INT_EN | 0, RW | Enable Interrupt on False Carrier Counter Register half-full event |
| 0 | RHF_INT_EN | 0, RW | Enable Interrupt on Receive Error Counter Register half-full event |
This counter provides information required to implement the “False Carriers” attribute within the MAU managed object class of Clause 30 of the IEEE 802.3u specification.
| BIT | BIT NAME | DEFAULT | DESCRIPTION |
|---|---|---|---|
| 15:8 | RESERVED | 0, RO | RESERVED: Writes ignored, Read as 0 |
| 7:0 | FCSCNT[7:0] | 0, RO/COR | False Carrier Event Counter: |
| This 8-bit counter increments on every false carrier event. This counter sticks when it reaches its max count (FFh). |
This counter provides information required to implement the “Symbol Error During Carrier” attribute within the PHY managed object class of Clause 30 of the IEEE 802.3u specification.
| BIT | BIT NAME | DEFAULT | DESCRIPTION |
|---|---|---|---|
| 15:8 | RESERVED | 0, RO | RESERVED: Writes ignored, Read as 0 |
| 7:0 | RXERCNT[7:0] | 0, RO/COR | RX_ER Counter: |
| When a valid carrier is present and there is at least one occurrence of an invalid data symbol, this 8-bit counter increments for each receive error detected. This event can increment only once per valid carrier event. If a collision is present, the attribute will not increment. The counter sticks when it reaches its max count. |
This register contains event status and enables for the interrupt function. If an event has occurred since the last read of this register, the corresponding status bit will be set. If the corresponding enable bit in the register is set, an interrupt will be generated if the event occurs. The MICR register controls must also be set to allow interrupts. The status indications in this register will be set even if the interrupt is not enabled.
| BIT | BIT NAME | DEFAULT | DESCRIPTION |
|---|---|---|---|
| 15:13 | RESERVED | <00>, RO | RESERVED: Writes ignored, Read as 0 |
| 12 | RESERVED | 0 | RESERVED: Must be zero |
| 11 | RESERVED | 0 | RESERVED: Must be zero |
| 10 | TQ_EN | 0, RW | 100Mbs True Quiet Mode Enable: |
| 1 = Transmit True Quiet Mode | |||
| 0 = Normal Transmit Mode | |||
| 9 | SD FORCE PMA | 0, RW | Signal Detect Force PMA: |
| 1 = Forces Signal Detection in PMA | |||
| 0 = Normal SD operation | |||
| 8 | SD_OPTION | 1, RW | Signal Detect Option: |
| 1 = Enhanced signal detect algorithm | |||
| 0 = Reduced signal detect algorithm | |||
| 7 | DESC_TIME | 0, RW | Descrambler Timeout: |
| Increase the descrambler timeout. When set this should allow the device to receive larger packets (>9k bytes) without loss of synchronization. | |||
| 1 = 2 ms | |||
| 0 = 722 µs (per ANSI X3.263: 1995 (TP-PMD) 7.2.3.3e) | |||
| 6 | RESERVED | 0 | RESERVED: Must be zero |
| 5 | FORCE_100_OK | 0, RW | Force 100Mb/s Good Link: |
| 1 = Forces 100Mb/s Good Link | |||
| 0 = Normal 100Mb/s operation | |||
| 4 | RESERVED | 0 | RESERVED: Must be zero |
| 3 | RESERVED | 0 | RESERVED: Must be zero |
| 2 | NRZI_BYPASS | 0, RW | NRZI Bypass Enable: |
| 1 = NRZI Bypass Enabled | |||
| 0 = NRZI Bypass Disabled | |||
| 1 | RESERVED | 0 | RESERVED: Must be zero |
| 0 | RESERVED | 0 | RESERVED: Must be zero |
This register configures the RMII Mode of operation. When RMII mode is disabled, the RMII functionality is bypassed.
| BIT | BIT NAME | DEFAULT | DESCRIPTION |
|---|---|---|---|
| 15:6 | RESERVED | 0, RO | Reserved: Writes ignored, Read as 0 |
| 5 | RMII_MODE | Strap, RW | Reduced MII Mode: |
| 0 = Standard MII Mode | |||
| 1 = Reduced MII Mode | |||
| 4 | RMII_REV1_0 | 0, RW | Reduce MII Revision 1.0: |
| 0 = (RMII revision 1.2) CRS_DV will toggle at the end of a packet to indicate deassertion of CRS. | |||
| 1 = (RMII revision 1.0) CRS_DV will remain asserted until final data is transferred. CRS_DV will not toggle at the end of a packet. | |||
| 3 | RX_OVF_STS | 0, RO | RX FIFO Over Flow Status: |
| 0 = Normal | |||
| 1 = Overflow detected | |||
| 2 | RX_UNF_STS | 0, RO | RX FIFO Under Flow Status: |
| 0 = Normal | |||
| 1 = Underflow detected | |||
| 1:0 | ELAST_BUF[1:0] | 01, RW | Receive Elasticity Buffer: |
| This field controls the Receive Elasticity Buffer which allows for frequency variation tolerance between the 50MHz RMII clock and the recovered data. The following values indicate the tolerance in bits for a single packet. The minimum setting allows for standard Ethernet frame sizes at ±50ppm accuracy for both RMII and Receive clocks. For greater frequency tolerance the packet lengths may be scaled (i.e. for ±100ppm, the packet lengths need to be divided by 2). | |||
| 00 = 14 bit tolerance (up to 16800 byte packets) | |||
| 01 = 2 bit tolerance (up to 2400 byte packets) | |||
| 10 = 6 bit tolerance (up to 7200 byte packets) | |||
| 11 = 10 bit tolerance (up to 12000 byte packets) |
This register provides the ability to directly control any or all LED outputs. It does not provide read access to LEDs.
| BIT | BIT NAME | DEFAULT | DESCRIPTION |
|---|---|---|---|
| 15:6 | RESERVED | 0, RO | Reserved: Writes ignored, Read as 0 |
| 5 | DRV_SPDLED | 0, RW | 1 = Drive value of SPDLED bit onto LED_SPD output |
| 0 = Normal operation | |||
| 4 | DRV_LNKLED | 0, RW | 1 = Drive value of LNKLED bit onto LED_LNK output |
| 0 = Normal operation | |||
| 3 | DRV_ACTLED | 0, RW | 1 = Drive value of ACTLED bit onto LED_ACT/COL output |
| 0 = Normal operation | |||
| 2 | SPDLED | 0, RW | Value to force on LED_SPD output |
| 1 | LNKLED | 0, RW | Value to force on LED_LNK output |
| 0 | ACTLED | 0, RW | Value to force on LED_ACT/COL output |
| BIT | BIT NAME | DEFAULT | DESCRIPTION | ||||||
|---|---|---|---|---|---|---|---|---|---|
| 15 | MDIX_EN | Strap, RW | Auto-MDIX Enable: | ||||||
| 1 = Enable Auto-neg Auto-MDIX capability | |||||||||
| 0 = Disable Auto-neg Auto-MDIX capability | |||||||||
| The Auto-MDIX algorithm requires that the Auto-Negotiation Enable bit in the BMCR register to be set. If Auto-Negotiation is not enabled, Auto-MDIX should be disabled as well. | |||||||||
| 14 | FORCE_MDIX | 0, RW | Force MDIX: | ||||||
| 1 = Force MDI pairs to cross | |||||||||
| (Receive on TPTD pair, Transmit on TPRD pair) | |||||||||
| 0 = Normal operation | |||||||||
| 13 | PAUSE_RX | 0, RO | Pause Receive Negotiated: | ||||||
| Indicates that pause receive should be enabled in the MAC. Based on ANAR[11:10] and ANLPAR[11:10] settings. | |||||||||
| This function shall be enabled according to IEEE 802.3 Annex 28B Table 28B-3, “Pause Resolution”, only if the Auto-Negotiated Highest Common Denominator is a full duplex technology. | |||||||||
| 12 | PAUSE_TX | 0, RO | Pause Transmit Negotiated: | ||||||
| Indicates that pause transmit should be enabled in the MAC. Based on ANAR[11:10] and ANLPAR[11:10] settings. | |||||||||
| This function shall be enabled according to IEEE 802.3 Annex 28B Table 28B-3, “Pause Resolution”, only if the Auto-Negotiated Highest Common Denominator is a full duplex technology. | |||||||||
| 11 | BIST_FE | 0, RW/SC | BIST Force Error: | ||||||
| 1 = Force BIST Error | |||||||||
| 0 = Normal operation | |||||||||
| This bit forces a single error, and is self clearing | |||||||||
| 10 | PSR_15 | 0, RW | BIST Sequence select: | ||||||
| 1 = PSR15 selected | |||||||||
| 0 = PSR9 selected | |||||||||
| 9 | BIST_STATUS | 0, LL/RO | BIST Test Status: | ||||||
| 1 = BIST pass | |||||||||
| 0 = BIST fail. Latched, cleared when BIST is stopped | |||||||||
| For a count number of BIST errors, see the BIST Error Count in the CDCTRL1 register. | |||||||||
| 8 | BIST_START | 0, RW | BIST Start: | ||||||
| 1 = BIST start | |||||||||
| 0 = BIST stop | |||||||||
| 7 | BP_STRETCH | 0, RW | Bypass LED Stretching: | ||||||
| This will bypass the LED stretching and the LEDs will reflect the internal value. | |||||||||
| 1 = Bypass LED stretching | |||||||||
| 0 = Normal operation | |||||||||
| 6 | LED_CNFG[1] | 0, RW | LEDs Configuration: | ||||||
| 5 | LED_CNFG[0] | Strap, RW | LED_CNFG[1] | LED_ CNFG[0] | Mode Description | ||||
| Don’t care | 1 | Mode 1 | |||||||
| 0 | 0 | Mode 2 | |||||||
| 1 | 0 | Mode 3 | |||||||
| In Mode 1, LEDs are configured as follows: | |||||||||
| LED_LINK = ON for Good Link, OFF for No Link | |||||||||
| LED_SPEED = ON in 100 Mb/s, OFF in 10 Mb/s | |||||||||
| LED_ACT/COL = ON for Activity, OFF for No Activity | |||||||||
| In Mode 2, LEDs are configured as follows: | |||||||||
| LED_LINK = ON for good Link, BLINK for Activity | |||||||||
| LED_SPEED = ON in 100 Mb/s, OFF in 10 Mb/s | |||||||||
| LED_ACT/COL = ON for Collision, OFF for No Collision | |||||||||
| Full Duplex, OFF for Half Duplex | |||||||||
| In Mode 3, LEDs are configured as follows: | |||||||||
| LED_LINK = ON for Good Link, BLINK for Activity | |||||||||
| LED_SPEED = ON in 100 Mb/s, OFF in 10 Mb/s | |||||||||
| LED_ACT/COL = ON for Full Duplex, OFF for Half Duplex | |||||||||
| 4:0 | PHYADDR[4:0] | Strap, RW | PHY Address: PHY address for port | ||||||
| BIT | BIT NAME | DEFAULT | DESCRIPTION |
|---|---|---|---|
| 15 | 10BT_SERIAL | Strap, RW | 10Base-T Serial Mode (SNI): |
| 1 = Enables 10Base-T Serial Mode | |||
| 0 = Normal Operation | |||
| Places 10 Mb/s transmit and receive functions in Serial Network Interface (SNI) Mode of operation. Has no effect on 100 Mb/s operation. | |||
| 14:12 | RESERVED | 0, RW | RESERVED: Must be zero |
| 11:9 | SQUELCH | 100, RW | Squelch Configuration: |
| Used to set the Squelch ‘ON’ threshold for the receiver | |||
| Default Squelch ON is 330mV peak | |||
| 8 | LOOPBACK_10_D IS | 0, RW | In half-duplex mode, default 10BASE-T operation loops Transmit data to the Receive data in addition to transmitting the data on the physical medium. This is for consistency with earlier 10BASE2 and 10BASE5 implementations which used a shared medium. Setting this bit disables the loopback function. |
| This bit does not affect loopback due to setting BMCR[14]. | |||
| 7 | LP_DIS | 0, RW | Normal Link Pulse Disable: |
| 1 = Transmission of NLPs is disabled | |||
| 0 = Transmission of NLPs is enabled | |||
| 6 | FORCE_LINK_10 | 0, RW | Force 10Mb Good Link: |
| 1 = Forced Good 10Mb Link | |||
| 0 = Normal Link Status | |||
| 5 | RESERVED | 0, RW | RESERVED: Must be zero |
| 4 | POLARITY | RO/LH | 10Mb Polarity Status: |
| This bit is a duplication of bit 12 in the PHYSTS register. Both bits will be cleared upon a read of 10BTSCR register, but not upon a read of the PHYSTS register. | |||
| 1 = Inverted Polarity detected | |||
| 0 = Correct Polarity detected | |||
| 3 | RESERVED | 0, RW | RESERVED: Must be zero |
| 2 | RESERVED | 1, RW | RESERVED: Must be zero |
| 1 | HEARTBEAT_DIS | 0, RW | Heartbeat Disable: This bit only has influence in half-duplex 10Mb mode. |
| 1 = Heartbeat function disabled | |||
| 0 = Heartbeat function enabled | |||
| When the device is operating at 100Mb or configured for full duplex operation, this bit will be ignored - the heartbeat function is disabled. | |||
| 0 | JABBER_DIS | 0, RW | Jabber Disable: |
| Applicable only in 10BASE-T. | |||
| 1 = Jabber function disabled | |||
| 0 = Jabber function enabled |
| BIT | BIT NAME | DEFAULT | DESCRIPTION |
|---|---|---|---|
| 15:8 | BIST_ERROR_CO UNT | 0, RO | BIST ERROR Counter: |
| Counts number of errored data nibbles during Packet BIST. This value will reset when Packet BIST is restarted. The counter sticks when it reaches its max count. | |||
| 7:6 | RESERVED | 0, RW | RESERVED: Must be zero |
| 5 | BIST_CONT_MOD E | 0, RW | Packet BIST Continuous Mode: |
| Allows continuous pseudo random data transmission without any break in transmission. This can be used for transmit VOD testing. This is used in conjunction with the BIST controls in the PHYCR Register (0x19h). For 10Mb operation, jabber function must be disabled, bit 0 of the 10BTSCR (0x1Ah), JABBER_DIS = 1. | |||
| 4 | CDPATTEN_10 | 0, RW | CD Pattern Enable for 10Mb: |
| 1 = Enabled | |||
| 0 = Disabled | |||
| 3 | RESERVED | 0, RW | RESERVED: Must be zero |
| 2 | 10MEG_PATT_GA P | 0, RW | Defines gap between data or NLP test sequences: |
| 1 = 15 μs | |||
| 0 = 10 μs | |||
| 1:0 | CDPATTSEL[1:0] | 00, RW | CD Pattern Select[1:0]: |
| If CDPATTEN_10 = 1: | |||
| 00 = Data, EOP0 sequence | |||
| 01 = Data, EOP1 sequence | |||
| 10 = NLPs | |||
| 11 = Constant Manchester 1s (10MHz sine wave) for harmonic distortion testing |
| BIT | BIT NAME | DEFAULT | DESCRIPTION |
|---|---|---|---|
| 15 | ED_EN | 0, RW | Energy Detect Enable: |
| Allow Energy Detect Mode. | |||
| When Energy Detect is enabled and Auto-Negotiation is disabled via the BMCR register, Auto-MDIX should be disabled via the PHYCR register. | |||
| 14 | ED_AUTO_UP | 1, RW | Energy Detect Automatic Power Up: |
| Automatically begin power up sequence when Energy Detect Data Threshold value (EDCR[3:0]) is reached. Alternatively, device could be powered up manually using the ED_MAN bit (ECDR[12]). | |||
| 13 | ED_AUTO_DOWN | 1, RW | Energy Detect Automatic Power Down: |
| Automatically begin power down sequence when no energy is detected. Alternatively, device could be powered down using the ED_MAN bit (EDCR[12]). | |||
| 12 | ED_MAN | 0, RW/SC | Energy Detect Manual Power Up/Down: |
| Begin power up/down sequence when this bit is asserted. When set, the Energy Detect algorithm will initiate a change of Energy Detect state regardless of threshold (error or data) and timer values. In managed applications, this bit can be set after clearing the Energy Detect interrupt to control the timing of changing the power state. | |||
| 11 | ED_BURST_DIS | 0, RW | Energy Detect Bust Disable: |
| Disable bursting of energy detect data pulses. By default, Energy Detect (ED) transmits a burst of 4 ED data pulses each time the CD is powered up. When bursting is disabled, only a single ED data pulse will be send each time the CD is powered up. | |||
| 10 | ED_PWR_STATE | 0, RO | Energy Detect Power State: |
| Indicates current Energy Detect Power state. When set, Energy Detect is in the powered up state. When cleared, Energy Detect is in the powered down state. This bit is invalid when Energy Detect is not enabled. | |||
| 9 | ED_ERR_MET | 0, RO/COR | Energy Detect Error Threshold Met: |
| No action is automatically taken upon receipt of error events. This bit is informational only and would be cleared on a read. | |||
| 8 | ED_DATA_MET | 0, RO/COR | Energy Detect Data Threshold Met: |
| The number of data events that occurred met or surpassed the Energy Detect Data Threshold. This bit is cleared on a read. | |||
| 7:4 | ED_ERR_COUNT | 0001, RW | Energy Detect Error Threshold: |
| Threshold to determine the number of energy detect error events that should cause the device to take action. Intended to allow averaging of noise that may be on the line. Counter will reset after approximately 2 seconds without any energy detect data events. | |||
| 3:0 | ED_DATA_COUNT | 0001, RW | Energy Detect Data Threshold: |
| Threshold to determine the number of energy detect events that should cause the device to take actions. Intended to allow averaging of noise that may be on the line. Counter will reset after approximately 2 seconds without any energy detect data events. |