JAJSG77AB June   1976  – October 2024 LM158 , LM158A , LM258 , LM258A , LM2904 , LM2904B , LM2904BA , LM2904V , LM358 , LM358A , LM358B , LM358BA

PRODUCTION DATA  

  1.   1
  2. 特長
  3. アプリケーション
  4. 概要
  5. ピン構成および機能
  6. 仕様
    1. 5.1  絶対最大定格
    2. 5.2  ESD 定格
    3. 5.3  推奨動作条件
    4. 5.4  熱に関する情報
    5. 5.5  電気的特性:LM358B、LM358BA
    6. 5.6  電気的特性:LM2904B、LM2904BA
    7. 5.7  電気的特性:LM358、LM358A
    8. 5.8  電気的特性:LM2904、LM2904V
    9. 5.9  電気的特性:LM158、LM158A
    10. 5.10 電気的特性:LM258、LM258A
    11. 5.11 代表的特性:LM358B および LM2904B
    12. 5.12 代表的特性:LM158、LM158A、LM258、LM258A、LM358、LM358A、LM2904、LM2904V
  7. パラメータ測定情報
  8. 詳細説明
    1. 7.1 概要
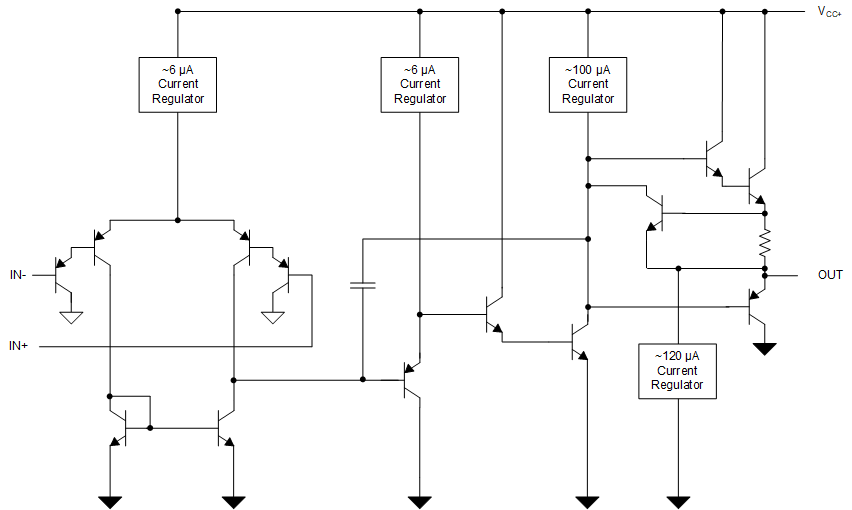
    2. 7.2 機能ブロック図:LM358B、LM358BA、LM2904B、LM2904BA
    3. 7.3 機能説明
      1. 7.3.1 ユニティ・ゲイン帯域幅
      2. 7.3.2 スルーレート
      3. 7.3.3 入力同相範囲
    4. 7.4 デバイスの機能モード
  9. アプリケーションと実装
    1. 8.1 アプリケーション情報
    2. 8.2 代表的なアプリケーション
      1. 8.2.1 設計要件
      2. 8.2.2 詳細な設計手順
      3. 8.2.3 アプリケーション曲線
    3. 8.3 電源に関する推奨事項
    4. 8.4 レイアウト
      1. 8.4.1 レイアウトのガイドライン
      2. 8.4.2 レイアウト例
  10. デバイスおよびドキュメントのサポート
    1. 9.1 ドキュメントの更新通知を受け取る方法
    2. 9.2 サポート・リソース
    3. 9.3 商標
    4. 9.4 静電気放電に関する注意事項
    5. 9.5 用語集
  11. 10改訂履歴
  12. 11メカニカル、パッケージ、および注文情報

パッケージ・オプション

デバイスごとのパッケージ図は、PDF版データシートをご参照ください。

メカニカル・データ(パッケージ|ピン)
  • D|8
  • P|8
  • PS|8
  • DGK|8
  • PW|8
  • |
サーマルパッド・メカニカル・データ
発注情報

機能ブロック図:LM358B、LM358BA、LM2904B、LM2904BA

LM158 LM158A LM258 LM258A LM2904 LM2904B LM2904BA LM2904V LM358 LM358A LM358B LM358BA