JAJSFL5D April   2016  – June 2018 LMH1219

PRODUCTION DATA.  

  1. 特長
  2. アプリケーション
  3. 概要
    1.     ブロック概略図
  4. 改訂履歴
  5. 概要(続き)
  6. Pin Configuration and Functions
    1.     Pin Functions
  7. Specifications
    1. 7.1 Absolute Maximum Ratings
    2. 7.2 ESD Ratings
    3. 7.3 Recommended Operating Conditions
    4. 7.4 Thermal Information
    5. 7.5 Electrical Characteristics
    6. 7.6 Recommended SMBus Interface AC Timing Specifications
    7. 7.7 Serial Parallel Interface (SPI) AC Timing Specifications
    8. 7.8 Typical Characteristics
  8. Detailed Description
    1. 8.1 Overview
    2. 8.2 Functional Block Diagram
    3. 8.3 Feature Description
      1. 8.3.1  4-Level Input Configuration Pins
      2. 8.3.2  Input Carrier Detect
      3. 8.3.3  -6 dB Splitter Mode Launch Amplitude for IN0
      4. 8.3.4  Continuous Time Linear Equalizer (CTLE)
        1. 8.3.4.1 Adaptive Cable Equalizer (IN0+)
        2. 8.3.4.2 Adaptive PCB Trace Equalizer (IN1±)
      5. 8.3.5  Input-Output Mux Selection
      6. 8.3.6  Clock and Data Recovery (CDR) Reclocker
      7. 8.3.7  Internal Eye Opening Monitor (EOM)
      8. 8.3.8  Output Function Control
      9. 8.3.9  Output Driver Amplitude and De-Emphasis Control
      10. 8.3.10 Status Indicators and Interrupts
        1. 8.3.10.1 LOCK_N (Lock Indicator)
        2. 8.3.10.2 CD_N (Carrier Detect)
        3. 8.3.10.3 INT_N (Interrupt)
      11. 8.3.11 Additional Programmability
        1. 8.3.11.1 Cable Length Indicator (CLI)
        2. 8.3.11.2 Digital MUTEREF
    4. 8.4 Device Functional Modes
      1. 8.4.1 System Management Bus (SMBus) Mode
        1. 8.4.1.1 SMBus Read and Write Transactions
          1. 8.4.1.1.1 SMBus Write Operation Format
          2. 8.4.1.1.2 SMBus Read Operation Format
      2. 8.4.2 Serial Peripheral Interface (SPI) Mode
        1. 8.4.2.1 SPI Read and Write Transactions
          1. 8.4.2.1.1 SPI Write Transaction Format
          2. 8.4.2.1.2 SPI Read Transaction Format
        2. 8.4.2.2 SPI Daisy Chain
    5. 8.5 LMH1219 Register Map
      1. 8.5.1 Share Register Page
      2. 8.5.2 CTLE/CDR Register Page
      3. 8.5.3 CableEQ/Drivers Register Page
  9. Application and Implementation
    1. 9.1 Application Information
      1. 9.1.1 General Guidance for SMPTE and 10 GbE Applications
      2. 9.1.2 Optimizing Time to Adapt and Lock
      3. 9.1.3 LMH1219 and LMH0324 Compatibility
    2. 9.2 Typical Application
      1. 9.2.1 Design Requirements
      2. 9.2.2 Detail Design Procedure
      3. 9.2.3 Recommended VOD and DEM Register Settings
      4. 9.2.4 Application Performance Plots
  10. 10Power Supply Recommendations
  11. 11Layout
    1. 11.1 PCB Layout Guidelines
    2. 11.2 Layout Example
  12. 12デバイスおよびドキュメントのサポート
    1. 12.1 ドキュメントの更新通知を受け取る方法
    2. 12.2 コミュニティ・リソース
    3. 12.3 商標
    4. 12.4 静電気放電に関する注意事項
    5. 12.5 Glossary
  13. 13メカニカル、パッケージ、および注文情報

パッケージ・オプション

メカニカル・データ(パッケージ|ピン)
サーマルパッド・メカニカル・データ
発注情報

Power Supply Recommendations

The LMH1219 is designed to provide flexibility in supply rails. There are two ways to power the LMH1219:

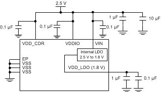
  • Single Supply Mode (2.5 V): This mode offers ease of use, with the internal circuitry receiving power from the on-chip 1.8 V regulator. In this mode, 2.5 V is applied to VDD_CDR, VIN, and VDDIO. See Figure 39 for more details.
  • Dual Supply Mode (2.5 V and 1.8 V): This mode provides lower power consumption. In this mode, 1.8 V is connected to both VIN and VDD_LDO. VDD_CDR, and VDDIO are powered from a 2.5 V supply. See Figure 40 for more details.
  • When Dual Supply Mode is used, the 2.5 V supply for VDD_CDR and VDDIO should be powered before or at the same time as the 1.8 V supply that powers VIN and VDD_LDO.
LMH1219 single_2p5v_example_snls475.gifFigure 39. Typical Connection for Single 2.5 V Supply
LMH1219 dual_supply_connection_diagram_snls475.gifFigure 40. Typical Connection for Dual 2.5 V and 1.8 V Supply

For power supply de-coupling, 0.1-μF surface-mount ceramic capacitors are recommended to be placed close to each VDD_CDR, VIN, VDD_LDO, and VDDIO supply pin to VSS. Larger bulk capacitors (for example, 10 µF and 1 µF) are recommended for VDD_CDR and VIN. Good supply bypassing requires low inductance capacitors. This can be achieved through an array of multiple small body size surface-mount bypass capacitors in order to keep low supply impedance. Better results can be achieved through the use of a buried capacitor formed by a VDD and VSS plane separated by 2-4 mil dielectric in a printed circuit board.