JAJS271F April 2004 – March 2022 MSP430FG437 , MSP430FG438 , MSP430FG439
PRODUCTION DATA

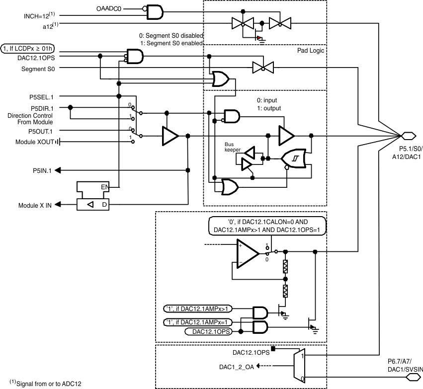
| Function | Description | P5SEL.1 | LCDPx | DAC12.1OPS | DAC12.1AMPx |
|---|---|---|---|---|---|
| DAC12 | 3-State | X | X | 1 | 0 |
| 0 V | X | X | 1 | 1 | |
| DAC1 output (the output voltage can be converted with ADC12, channel A12) | X | X | 1 | > 1 | |
| ADC12 | Channel 12, A12 | 1 | X | 0 | X |
| LCD | Segment S0, initial state | 0 | ≥ 01h | 0 | X |
| Port | P5.1 | 0 | < 01h | 0 | X |
| PnSEL.x | PnDIR.x | Direction Control From Module | PnOUT.x | Module X OUT | PnIN.x | Module X IN | Segment | Port/LCD |
|---|---|---|---|---|---|---|---|---|
| P5SEL.1 | P5DIR.1 | P5DIR.1 | P5OUT.1 | DVSS | P5IN.1 | Unused | S0 | 0: LCDPx < 01h |