JAJSG19C August   2014  – August 2018 MSP430FR5887 , MSP430FR5888 , MSP430FR5889 , MSP430FR58891 , MSP430FR6887 , MSP430FR6888 , MSP430FR6889 , MSP430FR68891

PRODUCTION DATA.  

  1. 1デバイスの概要
    1. 1.1 特長
    2. 1.2 アプリケーション
    3. 1.3 概要
    4. 1.4 機能ブロック図
  2. 2改訂履歴
  3. 3Device Comparison
    1. 3.1 Related Products
  4. 4Terminal Configuration and Functions
    1. 4.1 Pin Diagrams
    2. 4.2 Signal Descriptions
      1. Table 4-1 Signal Descriptions – MSP430FR688x and MSP430FR688x1
      2. Table 4-2 Signal Descriptions – MSP430FR588x and MSP430FR588x1
    3. 4.3 Pin Multiplexing
    4. 4.4 Connection of Unused Pins
  5. 5Specifications
    1. 5.1  Absolute Maximum Ratings
    2. 5.2  ESD Ratings
    3. 5.3  Recommended Operating Conditions
    4. 5.4  Active Mode Supply Current Into VCC Excluding External Current
    5. 5.5  Typical Characteristics, Active Mode Supply Currents
    6. 5.6  Low-Power Mode (LPM0, LPM1) Supply Currents Into VCC Excluding External Current
    7. 5.7  Low-Power Mode (LPM2, LPM3, LPM4) Supply Currents (Into VCC) Excluding External Current
    8. 5.8  Low-Power Mode With LCD Supply Currents (Into VCC) Excluding External Current
    9. 5.9  Low-Power Mode LPMx.5 Supply Currents (Into VCC) Excluding External Current
    10. 5.10 Typical Characteristics, Low-Power Mode Supply Currents
    11. 5.11 Typical Characteristics, Current Consumption per Module
    12. 5.12 Thermal Resistance Characteristics
    13. 5.13 Timing and Switching Characteristics
      1. 5.13.1 Power Supply Sequencing
        1. Table 5-1 Brownout and Device Reset Power Ramp Requirements
        2. Table 5-2 SVS
      2. 5.13.2 Reset Timing
        1. Table 5-3 Reset Input
      3. 5.13.3 Clock Specifications
        1. Table 5-4 Low-Frequency Crystal Oscillator, LFXT
        2. Table 5-5 High-Frequency Crystal Oscillator, HFXT
        3. Table 5-6 DCO
        4. Table 5-7 Internal Very-Low-Power Low-Frequency Oscillator (VLO)
        5. Table 5-8 Module Oscillator (MODOSC)
      4. 5.13.4 Wake-up Characteristics
        1. Table 5-9  Wake-up Times From Low-Power Modes and Reset
        2. Table 5-10 Typical Wake-up Charge
        3. 5.13.4.1   Typical Characteristics, Average LPM Currents vs Wake-up Frequency
      5. 5.13.5 Peripherals
        1. 5.13.5.1 Digital I/Os
          1. Table 5-11 Digital Inputs
          2. Table 5-12 Digital Outputs
          3. 5.13.5.1.1 Typical Characteristics, Digital Outputs at 3.0 V and 2.2 V
          4. Table 5-13 Pin-Oscillator Frequency, Ports Px
          5. 5.13.5.1.2 Typical Characteristics, Pin-Oscillator Frequency
        2. 5.13.5.2 Timer_A and Timer_B
          1. Table 5-14 Timer_A
          2. Table 5-15 Timer_B
        3. 5.13.5.3 eUSCI
          1. Table 5-16 eUSCI (UART Mode) Clock Frequency
          2. Table 5-17 eUSCI (UART Mode)
          3. Table 5-18 eUSCI (SPI Master Mode) Clock Frequency
          4. Table 5-19 eUSCI (SPI Master Mode)
          5. Table 5-20 eUSCI (SPI Slave Mode)
          6. Table 5-21 eUSCI (I2C Mode)
        4. 5.13.5.4 LCD Controller
          1. Table 5-22 LCD_C, Recommended Operating Conditions
          2. Table 5-23 LCD_C Electrical Characteristics
        5. 5.13.5.5 ADC
          1. Table 5-24 12-Bit ADC, Power Supply and Input Range Conditions
          2. Table 5-25 12-Bit ADC, Timing Parameters
          3. Table 5-26 12-Bit ADC, Linearity Parameters With External Reference
          4. Table 5-27 12-Bit ADC, Dynamic Performance for Differential Inputs With External Reference
          5. Table 5-28 12-Bit ADC, Dynamic Performance for Differential Inputs With Internal Reference
          6. Table 5-29 12-Bit ADC, Dynamic Performance for Single-Ended Inputs With External Reference
          7. Table 5-30 12-Bit ADC, Dynamic Performance for Single-Ended Inputs With Internal Reference
          8. Table 5-31 12-Bit ADC, Dynamic Performance With 32.768-kHz Clock
          9. Table 5-32 12-Bit ADC, Temperature Sensor and Built-In V1/2
          10. Table 5-33 12-Bit ADC, External Reference
        6. 5.13.5.6 Reference
          1. Table 5-34 REF, Built-In Reference
        7. 5.13.5.7 Comparator
          1. Table 5-35 Comparator_E
        8. 5.13.5.8 Scan Interface
          1. Table 5-36 Extended Scan Interface, Port Drive, Port Timing
          2. Table 5-37 Extended Scan Interface, Sample Capacitor/Ri Timing
          3. Table 5-38 Extended Scan Interface, VCC/2 Generator
          4. Table 5-39 Extended Scan Interface, 12-Bit DAC
          5. Table 5-40 Extended Scan Interface, Comparator
          6. Table 5-41 Extended Scan Interface, ESICLK Oscillator and TSM Clock Signals
        9. 5.13.5.9 FRAM Controller
          1. Table 5-42 FRAM
      6. 5.13.6 Emulation and Debug
        1. Table 5-43 JTAG and Spy-Bi-Wire Interface
  6. 6Detailed Description
    1. 6.1  Overview
    2. 6.2  CPU
    3. 6.3  Operating Modes
      1. 6.3.1 Peripherals in Low-Power Modes
        1. 6.3.1.1 Idle Currents of Peripherals in LPM3 and LPM4
    4. 6.4  Interrupt Vector Table and Signatures
    5. 6.5  Bootloader (BSL)
    6. 6.6  JTAG Operation
      1. 6.6.1 JTAG Standard Interface
      2. 6.6.2 Spy-Bi-Wire Interface
    7. 6.7  FRAM
    8. 6.8  RAM
    9. 6.9  Tiny RAM
    10. 6.10 Memory Protection Unit Including IP Encapsulation
    11. 6.11 Peripherals
      1. 6.11.1  Digital I/O
      2. 6.11.2  Oscillator and Clock System (CS)
      3. 6.11.3  Power-Management Module (PMM)
      4. 6.11.4  Hardware Multiplier (MPY)
      5. 6.11.5  Real-Time Clock (RTC_C)
      6. 6.11.6  Watchdog Timer (WDT_A)
      7. 6.11.7  System Module (SYS)
      8. 6.11.8  DMA Controller
      9. 6.11.9  Enhanced Universal Serial Communication Interface (eUSCI)
      10. 6.11.10 Extended Scan Interface (ESI)
      11. 6.11.11 Timer_A TA0, Timer_A TA1
      12. 6.11.12 Timer_A TA2
      13. 6.11.13 Timer_A TA3
      14. 6.11.14 Timer_B TB0
      15. 6.11.15 ADC12_B
      16. 6.11.16 Comparator_E
      17. 6.11.17 CRC16
      18. 6.11.18 CRC32
      19. 6.11.19 True Random Seed
      20. 6.11.20 Shared Reference (REF_A)
      21. 6.11.21 LCD_C
      22. 6.11.22 Embedded Emulation
        1. 6.11.22.1 Embedded Emulation Module (EEM)
        2. 6.11.22.2 EnergyTrace++™ Technology
      23. 6.11.23 Input/Output Diagrams
        1. 6.11.23.1  Digital I/O Functionality – Ports P1 to P10
        2. 6.11.23.2  Capacitive Touch Functionality Ports P1 to P10 and PJ
        3. 6.11.23.3  Port P1 (P1.0 to P1.3) Input/Output With Schmitt Trigger
        4. 6.11.23.4  Port P1 (P1.4 to P1.7) Input/Output With Schmitt Trigger
        5. 6.11.23.5  Port P2 (P2.0 to P2.3) Input/Output With Schmitt Trigger
        6. 6.11.23.6  Port P2 (P2.4 to P2.7) Input/Output With Schmitt Trigger
        7. 6.11.23.7  Port P3 (P3.0 to P3.7) Input/Output With Schmitt Trigger
        8. 6.11.23.8  Port P4 (P4.0 to P4.7) Input/Output With Schmitt Trigger
        9. 6.11.23.9  Port P5 (P5.0 to P5.7) Input/Output With Schmitt Trigger
        10. 6.11.23.10 Port P6 (P6.0 to P6.6) Input/Output With Schmitt Trigger
        11. 6.11.23.11 Port P6 (P6.7) Input/Output With Schmitt Trigger
        12. 6.11.23.12 Port P7 (P7.0 to P7.7) Input/Output With Schmitt Trigger
        13. 6.11.23.13 Port P8 (P8.0 to P8.3) Input/Output With Schmitt Trigger
        14. 6.11.23.14 Port P8 (P8.4 to P8.7) Input/Output With Schmitt Trigger
        15. 6.11.23.15 Port P9 (P9.0 to P9.3) Input/Output With Schmitt Trigger
        16. 6.11.23.16 Port P9 (P9.4 to P9.7) Input/Output With Schmitt Trigger
        17. 6.11.23.17 Port P10 (P10.0 to P10.2) Input/Output With Schmitt Trigger
        18. 6.11.23.18 Port PJ (PJ.4 and PJ.5) Input/Output With Schmitt Trigger
        19. 6.11.23.19 Port PJ (PJ.6 and PJ.7) Input/Output With Schmitt Trigger
        20. 6.11.23.20 Port PJ (PJ.0 to PJ.3) JTAG Pins TDO, TMS, TCK, TDI/TCLK, Input/Output With Schmitt Trigger
    12. 6.12 Device Descriptors (TLV)
    13. 6.13 Memory
      1. 6.13.1 Peripheral File Map
    14. 6.14 Identification
      1. 6.14.1 Revision Identification
      2. 6.14.2 Device Identification
      3. 6.14.3 JTAG Identification
  7. 7Applications, Implementation, and Layout
    1. 7.1 Device Connection and Layout Fundamentals
      1. 7.1.1 Power Supply Decoupling and Bulk Capacitors
      2. 7.1.2 External Oscillator
      3. 7.1.3 JTAG
      4. 7.1.4 Reset
      5. 7.1.5 Unused Pins
      6. 7.1.6 General Layout Recommendations
      7. 7.1.7 Do's and Don'ts
    2. 7.2 Peripheral- and Interface-Specific Design Information
      1. 7.2.1 ADC12_B Peripheral
        1. 7.2.1.1 Partial Schematic
        2. 7.2.1.2 Design Requirements
        3. 7.2.1.3 Detailed Design Procedure
        4. 7.2.1.4 Layout Guidelines
      2. 7.2.2 LCD_C Peripheral
        1. 7.2.2.1 Partial Schematic
        2. 7.2.2.2 Design Requirements
        3. 7.2.2.3 Detailed Design Procedure
        4. 7.2.2.4 Layout Guidelines
      3. 7.2.3 Extended Scan Interface (ESI) Peripheral
        1. 7.2.3.1 Overview
        2. 7.2.3.2 Design Requirements
        3. 7.2.3.3 Detailed Design Procedure
        4. 7.2.3.4 Layout Guidelines
  8. 8デバイスおよびドキュメントのサポート
    1. 8.1  使い始めと次の手順
    2. 8.2  デバイスの項目表記
    3. 8.3  ツールとソフトウェア
    4. 8.4  ドキュメントのサポート
    5. 8.5  関連リンク
    6. 8.6  Community Resources
    7. 8.7  商標
    8. 8.8  静電気放電に関する注意事項
    9. 8.9  Export Control Notice
    10. 8.10 Glossary
  9. 9メカニカル、パッケージ、および注文情報

パッケージ・オプション

メカニカル・データ(パッケージ|ピン)
サーマルパッド・メカニカル・データ
発注情報

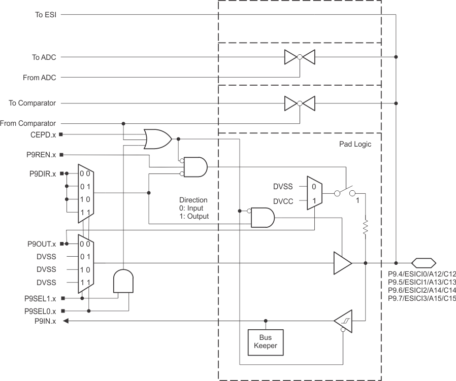
Port P9 (P9.4 to P9.7) Input/Output With Schmitt Trigger

Figure 6-9 shows the port diagram. Table 6-38 summarizes the selection of the pin function.

MSP430FR6889 MSP430FR68891 MSP430FR6888 MSP430FR6887 MSP430FR5889 MSP430FR58891 MSP430FR5888 MSP430FR5887 P9_4567_ESI.gif

NOTE:

Functional representation only.
Figure 6-9 Port P9 (P9.4 to P9.7) Diagram

Table 6-38 Port P9 (P9.4 to P9.7) Pin Functions

PIN NAME (P9.x) x FUNCTION CONTROL BITS AND SIGNALS (1)
P9DIR.x P9SEL1.x P9SEL0.x
P9.4/ESICI0/A12/C12 4 P9.4 (I/O) I: 0; O: 1 0 0
N/A 0 0 1
Internally tied to DVSS 1
N/A 0 1 0
Internally tied to DVSS 1
ESICI0/A12/C12 (1)(5)(2) X 1 1
P9.5/ESICI1/A13/C13 5 P9.5 (I/O) I: 0; O: 1 0 0
N/A 0 0 1
Internally tied to DVSS 1
N/A 0 1 0
Internally tied to DVSS 1
ESICI1/A13/C13 (1)(5)(2) X 1 1
P9.6/ESICI2/A14/C14 6 P9.6 (I/O) I: 0; O: 1 0 0
N/A 0 0 1
Internally tied to DVSS 1
N/A 0 1 0
Internally tied to DVSS 1
ESICI2/A14/C14 (1)(5)(2) X 1 1
P9.7/ESICI3/A15/C15 7 P9.7 (I/O) I: 0; O: 1 0 0
N/A 0 0 1
Internally tied to DVSS 1
N/A 0 1 0
Internally tied to DVSS 1
ESICI3/A15/C15 (1)(5)(2) X 1 1
Setting P9SEL1.x and P9SEL0.x disables the output driver and the input Schmitt trigger to prevent parasitic cross currents when applying analog signals.
Depending on the configuration of the ESI module, other ESICI2/ pins are used, and thus should have the input Schmitt triggers disabled (with P9SEL1.x = 1 and P9SEL0.x = 1) and cannot be used as digital I/O, ADC, or comparator inputs.