JAJSG31B September   2018  – June 2019 OPA2156

PRODUCTION DATA.  

  1. 特長
  2. アプリケーション
  3. 概要
    1.     Device Images
      1.      入力電圧のノイズ・スペクトル密度が低い
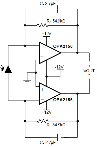
      2.      OPA2156 トランスインピーダンス構成
  4. 改訂履歴
  5. 概要(続き)
  6. Pin Configuration and Functions
    1.     Pin Functions
  7. Specifications
    1. 7.1 Absolute Maximum Ratings
    2. 7.2 ESD Ratings
    3. 7.3 Recommended Operating Conditions
    4. 7.4 Thermal Information: OPA2156
    5. 7.5 Electrical Characteristics
    6. 7.6 Typical Characteristics
  8. Detailed Description
    1. 8.1 Overview
    2. 8.2 Functional Block Diagram
    3. 8.3 Feature Description
      1. 8.3.1 Phase Reversal Protection
      2. 8.3.2 Electrical Overstress
      3. 8.3.3 Thermal Considerations
      4. 8.3.4 Thermal Shutdown
      5. 8.3.5 Common-Mode Voltage Range
      6. 8.3.6 Overload Recovery
    4. 8.4 Device Functional Modes
  9. Application and Implementation
    1. 9.1 Application Information
      1. 9.1.1 Slew Rate Limit for Input Protection
    2. 9.2 Typical Application
      1. 9.2.1 Design Requirements
      2. 9.2.2 Detailed Design Procedure
      3. 9.2.3 Application Curves
  10. 10Power Supply Recommendations
  11. 11Layout
    1. 11.1 Layout Guidelines
      1. 11.1.1 Power Dissipation
    2. 11.2 Layout Example
  12. 12デバイスおよびドキュメントのサポート
    1. 12.1 デバイス・サポート
      1. 12.1.1 開発サポート
        1. 12.1.1.1 TINA-TI(無料のダウンロード・ソフトウェア)
        2. 12.1.1.2 TI Precision Designs
    2. 12.2 ドキュメントのサポート
      1. 12.2.1 関連資料
    3. 12.3 ドキュメントの更新通知を受け取る方法
    4. 12.4 コミュニティ・リソース
    5. 12.5 商標
    6. 12.6 静電気放電に関する注意事項
    7. 12.7 Glossary
  13. 13メカニカル、パッケージ、および注文情報

パッケージ・オプション

メカニカル・データ(パッケージ|ピン)
サーマルパッド・メカニカル・データ
発注情報

Typical Application

The combination of low input bias, high slew rate and a rail-to-rail input and output enable the OPA2156 to serve as an accurate differential photodiode transimpedance amplifier. This application example shows the design of such a system.

OPA2156 fbd-04-DiffPhotoDiode.gifFigure 46. OPA2156 Configured as a Differential Photodiode Transimpedance Amplifier