JAJSPM2E April   2009  – January 2023 TCA6408A

PRODUCTION DATA  

  1. 特長
  2. アプリケーション
  3. 概要
  4. Revision History
  5. Pin Configuration and Functions
  6. Specifications
    1. 6.1 Absolute Maximum Ratings
    2. 6.2 ESD Ratings
    3. 6.3 Recommended Operating Conditions
    4. 6.4 Thermal Information
    5. 6.5 Electrical Characteristics
    6. 6.6 I2C Interface Timing Requirements
    7. 6.7 Reset Timing Requirements
    8. 6.8 Switching Characteristics
    9. 6.9 Typical Characteristics
  7. Parameter Measurement Information
  8. Detailed Description
    1. 8.1 Overview
    2. 8.2 Functional Block Diagrams
    3. 8.3 Feature Description
      1. 8.3.1 Voltage Translation
      2. 8.3.2 I/O Port
      3. 8.3.3 Interrupt Output ( INT)
      4. 8.3.4 Reset Input ( RESET)
    4. 8.4 Device Functional Modes
      1. 8.4.1 Power-On Reset (POR)
      2. 8.4.2 Powered-Up
    5. 8.5 Programming
      1. 8.5.1 I2C Interface
      2. 8.5.2 Bus Transactions
        1. 8.5.2.1 Writes
        2. 8.5.2.2 Reads
    6. 8.6 Register Map
      1. 8.6.1 Device Address
      2. 8.6.2 Control Register and Command Byte
      3. 8.6.3 Register Descriptions
  9. Application and Implementation
    1. 9.1 Application Information
    2. 9.2 Typical Application
      1. 9.2.1 Design Requirements
      2. 9.2.2 Detailed Design Procedure
        1. 9.2.2.1 Minimizing ICC When I/O is Used to Control LEDs
      3. 9.2.3 Application Curves
  10. 10Power Supply Recommendations
    1. 10.1 Power-On Reset Requirements
  11. 11Layout
    1. 11.1 Layout Guidelines
    2. 11.2 Layout Example
  12. 12Device and Documentation Support
    1. 12.1 ドキュメントの更新通知を受け取る方法
    2. 12.2 サポート・リソース
    3. 12.3 商標
    4. 12.4 静電気放電に関する注意事項
    5. 12.5 用語集
      1.      Mechanical, Packaging, and Orderable Information

パッケージ・オプション

メカニカル・データ(パッケージ|ピン)
サーマルパッド・メカニカル・データ
発注情報

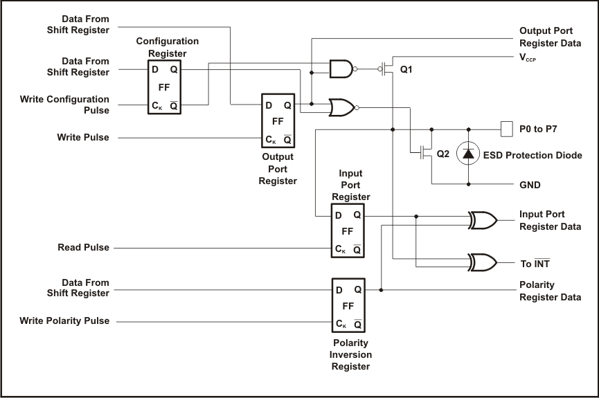
Functional Block Diagrams

GUID-F5D8637A-D713-4A3D-9362-F946BC1D4944-low.gif
All pin numbers shown are for the PW package.
All I/Os are set to inputs at reset.
Figure 8-1 Logic Diagram (Positive Logic)
GUID-F6427A7C-468D-4B7F-9F08-1E882948A097-low.gif
On power up or reset, all registers return to default values.
Figure 8-2 Simplified Schematic of P0 to P7