JAJSDS3C September   2017  – December 2018 THVD1510 , THVD1512 , THVD1550 , THVD1551 , THVD1552

PRODUCTION DATA.  

  1. 特長
  2. アプリケーション
  3. 概要
    1.     Device Images
      1.      THVD1510およびTHVD1550の概略回路図
      2.      THVD1551の概略回路図
      3.      THVD1512およびTHVD1552の概略回路図
  4. 改訂履歴
  5. Device Comparison Table
  6. Pin Configuration and Functions
    1.     Pin Functions
    2.     Pin Functions
    3.     Pin Functions
  7. Specifications
    1. 7.1 Absolute Maximum Ratings
    2. 7.2 ESD Ratings
    3. 7.3 Recommended Operating Conditions
    4. 7.4 Thermal Information
    5. 7.5 Power Dissipation
    6. 7.6 Electrical Characteristics
    7. 7.7 Switching Characteristics
    8. 7.8 Switching Characteristics
    9. 7.9 Typical Characteristics
  8. Parameter Measurement Information
  9. Detailed Description
    1. 9.1 Overview
    2. 9.2 Functional Block Diagrams
    3. 9.3 Feature Description
    4. 9.4 Device Functional Modes
      1. 9.4.1 Device Functional Modes for THVD1510 and THVD1550
      2. 9.4.2 Device Functional Modes for THVD1551
      3. 9.4.3 Device Functional Modes for THVD1512 and THVD1552
  10. 10Application and Implementation
    1. 10.1 Application Information
    2. 10.2 Typical Application
      1. 10.2.1 Design Requirements
        1. 10.2.1.1 Data Rate and Bus Length
        2. 10.2.1.2 Stub Length
        3. 10.2.1.3 Bus Loading
        4. 10.2.1.4 Receiver Failsafe
        5. 10.2.1.5 Transient Protection
      2. 10.2.2 Detailed Design Procedure
      3. 10.2.3 Application Curves
  11. 11Power Supply Recommendations
  12. 12Layout
    1. 12.1 Layout Guidelines
    2. 12.2 Layout Example
  13. 13デバイスおよびドキュメントのサポート
    1. 13.1 デバイス・サポート
    2. 13.2 デベロッパー・ネットワークの製品に関する免責事項
    3. 13.3 関連リンク
    4. 13.4 ドキュメントの更新通知を受け取る方法
    5. 13.5 コミュニティ・リソース
    6. 13.6 商標
    7. 13.7 静電気放電に関する注意事項
    8. 13.8 Glossary
  14. 14メカニカル、パッケージ、および注文情報

パッケージ・オプション

デバイスごとのパッケージ図は、PDF版データシートをご参照ください。

メカニカル・データ(パッケージ|ピン)
  • D|14
  • DGS|10
サーマルパッド・メカニカル・データ
発注情報

Typical Application

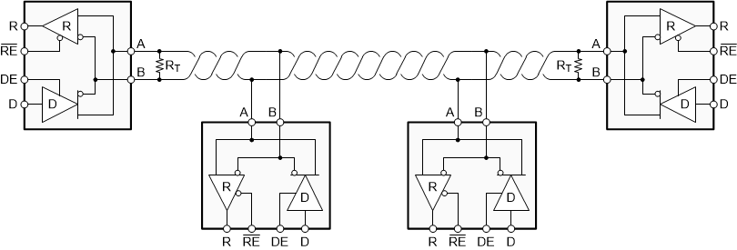
An RS-485 bus consists of multiple transceivers connecting in parallel to a bus cable. To eliminate line reflections, each cable end is terminated with a termination resistor, RT, whose value matches the characteristic impedance, Z0, of the cable. This method, known as parallel termination, generally allows for higher data rates over longer cable length.

THVD1510 THVD1512 THVD1550 THVD1551 THVD1552 network_half_duplex_sllsev1.gifFigure 22. Typical RS-485 Network With Half-Duplex Transceivers
THVD1510 THVD1512 THVD1550 THVD1551 THVD1552 network_full_duplex_sllsev1.gifFigure 23. Typical RS-485 Network With Full-Duplex Transceivers