JAJSEO0 February   2018 TMUX154E

PRODUCTION DATA.  

  1. 特長
  2. アプリケーション
  3. 概要
    1.     Device Images
      1.      機能ブロック図
  4. 改訂履歴
  5. Pin Configuration and Functions
    1.     Pin Functions
  6. Specifications
    1. 6.1 Absolute Maximum Ratings
    2. 6.2 ESD Ratings
    3. 6.3 Recommended Operating Conditions
    4. 6.4 Thermal Information
    5. 6.5 Electrical Characteristics
    6. 6.6 Dynamic Electrical Characteristics
    7. 6.7 Switching Characteristics
    8. 6.8 Typical Characteristics
  7. Parameter Measurement Information
  8. Detailed Description
    1. 8.1 Overview
    2. 8.2 Functional Block Diagram
    3. 8.3 Feature Description
    4. 8.4 Device Functional Modes
  9. Application and Implementation
    1. 9.1 Application Information
    2. 9.2 Typical Application
      1. 9.2.1 Design Requirements
      2. 9.2.2 Detailed Design Procedure
      3. 9.2.3 Application Curves
  10. 10Power Supply Recommendations
  11. 11Layout
    1. 11.1 Layout Guidelines
    2. 11.2 Layout Example
  12. 12デバイスおよびドキュメントのサポート
    1. 12.1 ドキュメントのサポート
      1. 12.1.1 関連資料
    2. 12.2 ドキュメントの更新通知を受け取る方法
    3. 12.3 コミュニティ・リソース
    4. 12.4 商標
    5. 12.5 静電気放電に関する注意事項
    6. 12.6 Glossary
  13. 13メカニカル、パッケージ、および注文情報

パッケージ・オプション

メカニカル・データ(パッケージ|ピン)
サーマルパッド・メカニカル・データ
発注情報

Parameter Measurement Information

TMUX154E TurnOn_TurnOff_SCDS379.gif
All input pulses are supplied by generators having the following characteristics: PRR ≤ 10 MHz, ZO = 50 Ω, tr< 5 ns,
tf< 5 ns.
CL includes probe and jig capacitance.
Figure 4. Turn-On (tON) and Turn-Off Time (tOFF)
TMUX154E Off_Isolation_SCDS379.gifFigure 5. OFF Isolation (OISO)
TMUX154E Crosstalk_SCDS379.gifFigure 6. Crosstalk (XTALK)
TMUX154E bandwidth_BW_SCDS379.gifFigure 7. Bandwidth (BW)
TMUX154E prop_delay_cds237.gifFigure 8. Propagation Delay
TMUX154E skew_cds237.gifFigure 9. Skew Test
TMUX154E Onstate_resistance_SCDS379.gifFigure 10. ON-State Resistance (RON)
TMUX154E Offstate_leakage_SCDS379.gifFigure 11. OFF-State Leakage Current
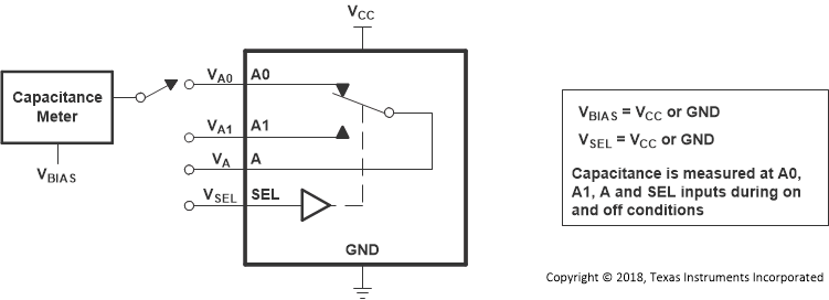
TMUX154E Capacitance_SCDS379.gifFigure 12. Capacitance