JAJSES2A February   2018  – September 2018 TMUX6104

PRODUCTION DATA.  

  1. 特長
  2. アプリケーション
  3. 概要
    1.     Device Images
      1.      概略回路図
  4. 改訂履歴
  5. Pin Configuration and Functions
    1.     Pin Functions
  6. Specifications
    1. 6.1 Absolute Maximum Ratings
    2. 6.2 ESD Ratings
    3. 6.3 Thermal Information
    4. 6.4 Recommended Operating Conditions
    5. 6.5 Electrical Characteristics (Dual Supplies: ±15 V)
    6. 6.6 Switching Characteristics (Dual Supplies: ±15 V)
    7. 6.7 Electrical Characteristics (Single Supply: 12 V)
    8. 6.8 Switching Characteristics (Single Supply: 12 V)
    9. 6.9 Typical Characteristics
  7. Parameter Measurement Information
    1. 7.1 Truth Table
  8. Detailed Description
    1. 8.1 Overview
      1. 8.1.1  On-Resistance
      2. 8.1.2  Off-Leakage Current
      3. 8.1.3  On-Leakage Current
      4. 8.1.4  Transition Time
      5. 8.1.5  Break-Before-Make Delay
      6. 8.1.6  Turn-On and Turn-Off Time
      7. 8.1.7  Charge Injection
      8. 8.1.8  Off Isolation
      9. 8.1.9  Channel-to-Channel Crosstalk
      10. 8.1.10 Bandwidth
      11. 8.1.11 THD + Noise
      12. 8.1.12 AC Power Supply Rejection Ratio (AC PSRR)
    2. 8.2 Functional Block Diagram
    3. 8.3 Feature Description
      1. 8.3.1 Ultralow Leakage Current
      2. 8.3.2 Ultralow Charge Injection
      3. 8.3.3 Bidirectional and Rail-to-Rail Operation
    4. 8.4 Device Functional Modes
  9. Application and Implementation
    1. 9.1 Application Information
    2. 9.2 Typical Application
      1. 9.2.1 Design Requirements
      2. 9.2.2 Detailed Design Procedure
      3. 9.2.3 Application Curve
  10. 10Power Supply Recommendations
  11. 11Layout
    1. 11.1 Layout Guidelines
    2. 11.2 Layout Example
  12. 12デバイスおよびドキュメントのサポート
    1. 12.1 ドキュメントのサポート
      1. 12.1.1 関連資料
    2. 12.2 ドキュメントの更新通知を受け取る方法
    3. 12.3 コミュニティ・リソース
    4. 12.4 商標
    5. 12.5 静電気放電に関する注意事項
    6. 12.6 Glossary
  13. 13メカニカル、パッケージ、および注文情報

パッケージ・オプション

メカニカル・データ(パッケージ|ピン)
サーマルパッド・メカニカル・データ
発注情報

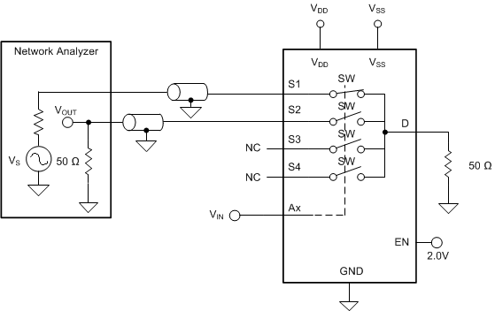
Channel-to-Channel Crosstalk

Channel-to-channel crosstalk is defined as the voltage at the source pin (Sx) of an off-channel, when a 1-VRMS signal is applied at the source pin (Sx) of an on-channel. Figure 25 shows the setup used to measure, and Equation 3 is the equation used to compute, channel-to-channel crosstalk.

TMUX6104 Xtalk.gifFigure 25. Channel-to-Channel Crosstalk Measurement Setup
Equation 3. TMUX6104 q_crosstalk_sbas758.gif