SNAS629C JULY   2013  – December 2014 TPL5100

PRODUCTION DATA.  

  1. Features
  2. Applications
  3. Description
  4. Revision History
  5. Pin Configuration and Functions
  6. Specifications
    1. 6.1 Absolute Maximum Ratings
    2. 6.2 ESD Ratings
    3. 6.3 Recommended Operating Ratings
    4. 6.4 Thermal Information
    5. 6.5 Electrical Characteristics
    6. 6.6 Timing Requirements TCAL, MOS_DRV, DONE, PGOOD
    7. 6.7 Typical Characteristics
  7. Detailed Description
    1. 7.1 Overview
    2. 7.2 Functional Block Diagram
    3. 7.3 Feature Description
      1. 7.3.1 Supervisor Feature
      2. 7.3.2 Calibration Pulse
        1. 7.3.2.1 Overview of the Timing Signals MOS_DRV, TCAL, and DONE
      3. 7.3.3 Configuration and Interface
    4. 7.4 Device Functional Modes
  8. Application and Implementation
    1. 8.1 Application Information
    2. 8.2 Typical Application
      1. 8.2.1 Design Requirements
      2. 8.2.2 Detailed Design Procedure
      3. 8.2.3 Application Curve
  9. Power Supply Recommendations
  10. 10Layout
    1. 10.1 Layout Guidelines
    2. 10.2 Layout Example
  11. 11Device and Documentation Support
    1. 11.1 Trademarks
    2. 11.2 Electrostatic Discharge Caution
    3. 11.3 Glossary
  12. 12Mechanical, Packaging, and Orderable Information

パッケージ・オプション

メカニカル・データ(パッケージ|ピン)
サーマルパッド・メカニカル・データ
発注情報

8 Application and Implementation

NOTE

Information in the following applications sections is not part of the TI component specification, and TI does not warrant its accuracy or completeness. TI’s customers are responsible for determining suitability of components for their purposes. Customers should validate and test their design implementation to confirm system functionality.

8.1 Application Information

In battery powered applications the design of the system is driven by low-current consumption. The TPL5100 is suitable in the applications where there is the needs to monitor environment conditions in remote site at long fixed timer interval. Occasionally in these applications the micro is kept on to enable the watchdog and count the elapsed time. Often due to the high frequency clock of the microcontrollers, a special structure must be configured to count for several seconds. The TPL5100 can mimic the same job, by completely turning off the micro and sometimes the entire power channel; this results in burning only tens of nA.

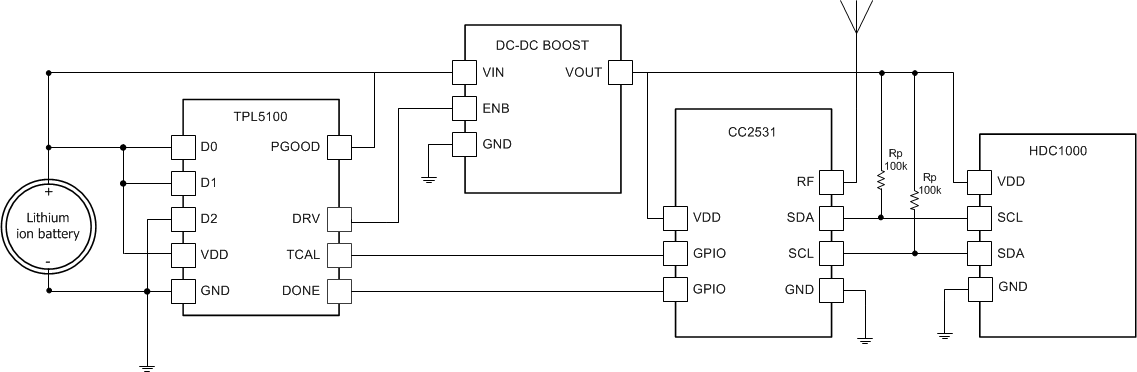
8.2 Typical Application

The TPL5100 can be used in environment sensor nodes such as humidity and temperature sensor node. The sensor node has to measure the humidity and the temperature and transmit the data through a low power RF micro such as the CC2530. Since the temperature and the humidity in home application do not change so fast, the measurement and the transmission of the data can be done at very low rate, such as every 30 seconds. The RF micro should spend most of the time in counting the elapsed time, but using the TPL5100 it is possible to complete turn off the RF micro and enlarge the battery life. The TPL5100 will turn on the RF micro when the programmed timer interval elapses.

NODE.gifFigure 7. Sensor Node

8.2.1 Design Requirements

The design is driven by the low current consumption constraint. The data are usually acquired at a rate between 30 s to 60 s. The highest necessity is the maximization of the battery life. The TPL5100 helps achieve this goal because it allows turning off the RF micro.

8.2.2 Detailed Design Procedure

When the focal constraint is the battery life, the selection of a low-power voltage regulator and low-leakage MOSFET to power gate the microcontroller is mandatory. The first step in the design is the calculation of the power consumption of each device in the different mode of operations. An example is the HDC1000, in measurement mode the RF micro is in normal operation and transmission. The different modes offer the possibility to select the appropriate timer interval which respect the application constraint and maximize the life of the battery.

8.2.3 Application Curve

PERFORMANCEs.gifFigure 8. Effect of TPL5100 on Current Consumption