JAJSET9B October   2017  – September 2019 TPS27S100

PRODUCTION DATA.  

  1. 特長
  2. アプリケーション
  3. 概要
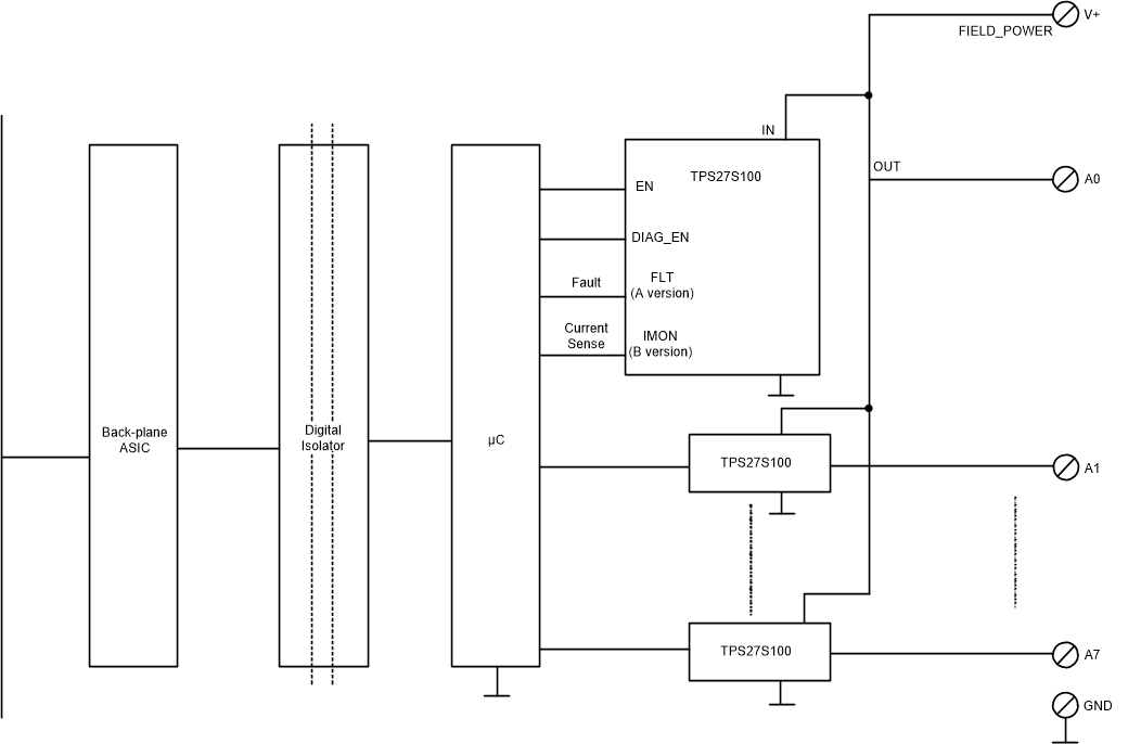
    1.     代表的なアプリケーションの回路図
  4. 改訂履歴
  5. Pin Configuration and Functions
    1.     Pin Functions
  6. Specifications
    1. 6.1 Absolute Maximum Ratings
    2. 6.2 ESD Ratings
    3. 6.3 Recommended Operating Conditions
    4. 6.4 Thermal Information
    5. 6.5 Electrical Characteristics
    6. 6.6 Timing Requirements – Current Monitor Characteristics
    7. 6.7 Switching Characteristics
    8. 6.8 Typical Characteristics
  7. Detailed Description
    1. 7.1 Overview
    2. 7.2 Functional Block Diagram
    3. 7.3 Feature Description
      1. 7.3.1 Accurate Current Monitor
      2. 7.3.2 Adjustable Current Limit
      3. 7.3.3 Inductive-Load Switching-Off Clamp
      4. 7.3.4 Full Protections and Diagnostics
        1. 7.3.4.1 Short-to-GND and Overload Detection
        2. 7.3.4.2 Open-Load Detection
        3. 7.3.4.3 Short-to-Supply Detection
        4. 7.3.4.4 Thermal Fault Detection
        5. 7.3.4.5 UVLO Protection
        6. 7.3.4.6 Loss of GND Protection
        7. 7.3.4.7 Reverse Current Protection
        8. 7.3.4.8 Protection for MCU I/Os
    4. 7.4 Device Functional Modes
      1. 7.4.1 Working Mode
  8. Application and Implementation
    1. 8.1 Application Information
    2. 8.2 Typical Application
      1. 8.2.1 Design Requirements
      2. 8.2.2 Detailed Design Procedure
      3. 8.2.3 Application Curves
  9. Power Supply Recommendations
  10. 10Layout
    1. 10.1 Layout Guidelines
    2. 10.2 Layout Example
      1. 10.2.1 Without a GND Network
      2. 10.2.2 With a GND Network
  11. 11デバイスおよびドキュメントのサポート
    1. 11.1 ドキュメントの更新通知を受け取る方法
    2. 11.2 コミュニティ・リソース
    3. 11.3 商標
    4. 11.4 静電気放電に関する注意事項
    5. 11.5 Glossary
  12. 12メカニカル、パッケージ、および注文情報

パッケージ・オプション

メカニカル・データ(パッケージ|ピン)
サーマルパッド・メカニカル・データ
発注情報

概要

TPS27S100xはシングル・チャネルの完全に保護されたハイサイド・スイッチで、NMOSおよびチャージ・ポンプが内蔵されています。包括的な診断機能と高精度の電流監視機能によって、インテリジェントな負荷制御が可能です。可変の電流制限機能により、システム全体の信頼性が大幅に向上します。デバイス診断レポートには2つのバージョンがあり、デジタル・フォルト状態と、アナログ電流監視出力の両方をサポートします。高精度の電流監視と可変の電流制限機能は、市場での差別化に役立ちます。

製品情報(1)

型番 パッケージ 本体サイズ(公称)
TPS27S100x HTSSOP (14) 4.40mm×5.00mm
QFN (16) 4.00mm×3.5mm
  1. 利用可能なすべてのパッケージについては、このデータシートの末尾にある注文情報を参照してください。

代表的なアプリケーションの回路図

TPS27S100 PLC_Application_Drawing.gif