JAJSHS4B August   2019  – December 2019 TPS66020 , TPS66021

PRODUCTION DATA.  

  1. 特長
  2. アプリケーション
  3. 概要
    1.     機能表
      1.      TPS6602x ブロック図
  4. 改訂履歴
  5. Pin Configuration and Functions
    1.     Pin Functions
  6. Specifications
    1. 6.1  Absolute Maximum Ratings
    2. 6.2  ESD Ratings
    3. 6.3  Recommended Operating Conditions
    4. 6.4  Recommended Supply Load Capacitance
    5. 6.5  Thermal Information
    6. 6.6  PP5V Power Switch Characteristics
    7. 6.7  PPHV Power Switch Characteristics
    8. 6.8  Power Path Supervisory
    9. 6.9  VBUS LDO Characteristics
    10. 6.10 Thermal Shutdown Characteristics
    11. 6.11 Input-output (I/O) Characteristics
    12. 6.12 Power Consumption Characteristics
    13. 6.13 Typical Characteristics
  7. Parameter Measurement Information
  8. Detailed Description
    1. 8.1 Overview
    2. 8.2 Functional Block Diagram
    3. 8.3 Feature Description
      1. 8.3.1 5-V Source (PP5V Power Path)
        1. 8.3.1.1 PP5V Current Limit
        2. 8.3.1.2 PP5V Reverse Current Protection (RCP)
      2. 8.3.2 20-V Sink (PPHV Power Path)
        1. 8.3.2.1 PPHV Soft Start
        2. 8.3.2.2 PPHV Reverse Current Protection (RCP)
      3. 8.3.3 Overtemperature Protection
      4. 8.3.4 VBUS Overvoltage Protection (OVP)
      5. 8.3.5 Power Management and Supervisory
        1. 8.3.5.1 Supply Connections
        2. 8.3.5.2 Power Up Sequences
          1. 8.3.5.2.1 Normal Power Up
          2. 8.3.5.2.2 Dead Battery Operation
    4. 8.4 Device Functional Modes
      1. 8.4.1 State Transitions
        1. 8.4.1.1 DISABLED State
        2. 8.4.1.2 SRC 1.5-A State
        3. 8.4.1.3 SRC 3-A State
        4. 8.4.1.4 SNK State
        5. 8.4.1.5 FRS (Fast Role Swap) State
      2. 8.4.2 SRC FAULT State
      3. 8.4.3 SNK FAULT State
      4. 8.4.4 Device Functional Mode Summary
      5. 8.4.5 Enabling the PP5V Source Path
      6. 8.4.6 Enabling the PPHV Sink Path
      7. 8.4.7 Fast Role Swap (FRS)
        1. 8.4.7.1 Overview
        2. 8.4.7.2 Fast Role Swap Use Cases
        3. 8.4.7.3 Fast Role Swap Sequence
      8. 8.4.8 Faults
        1. 8.4.8.1 Fault Types
  9. Application and Implementation
    1. 9.1 Application Information
    2. 9.2 Typical Application
      1. 9.2.1 Design Requirements
      2. 9.2.2 Detailed Design Procedure
        1. 9.2.2.1 External Current Reference Resistor (RIREF)
        2. 9.2.2.2 External VLDO Capacitor (CVLDO)
        3. 9.2.2.3 PP5V Power Path Capacitance
        4. 9.2.2.4 PPHV, VBUS Power Path Capacitance
        5. 9.2.2.5 VBUS TVS Protection (Optional)
        6. 9.2.2.6 VBUS Schottky Diode Protection (Optional)
        7. 9.2.2.7 VBUS Overvoltage Protection (Optional)
        8. 9.2.2.8 Dead Battery Support
        9. 9.2.2.9 Fast Role Swap (FRS) (Optional)
      3. 9.2.3 Application Curves
  10. 10Power Supply Recommendations
  11. 11Layout
    1. 11.1 Layout Guidelines
    2. 11.2 Layout Example
  12. 12デバイスおよびドキュメントのサポート
    1. 12.1 関連リンク
    2. 12.2 ドキュメントの更新通知を受け取る方法
    3. 12.3 サポート・リソース
    4. 12.4 商標
    5. 12.5 静電気放電に関する注意事項
    6. 12.6 Glossary
  13. 13メカニカル、パッケージ、および注文情報

パッケージ・オプション

メカニカル・データ(パッケージ|ピン)
サーマルパッド・メカニカル・データ
発注情報

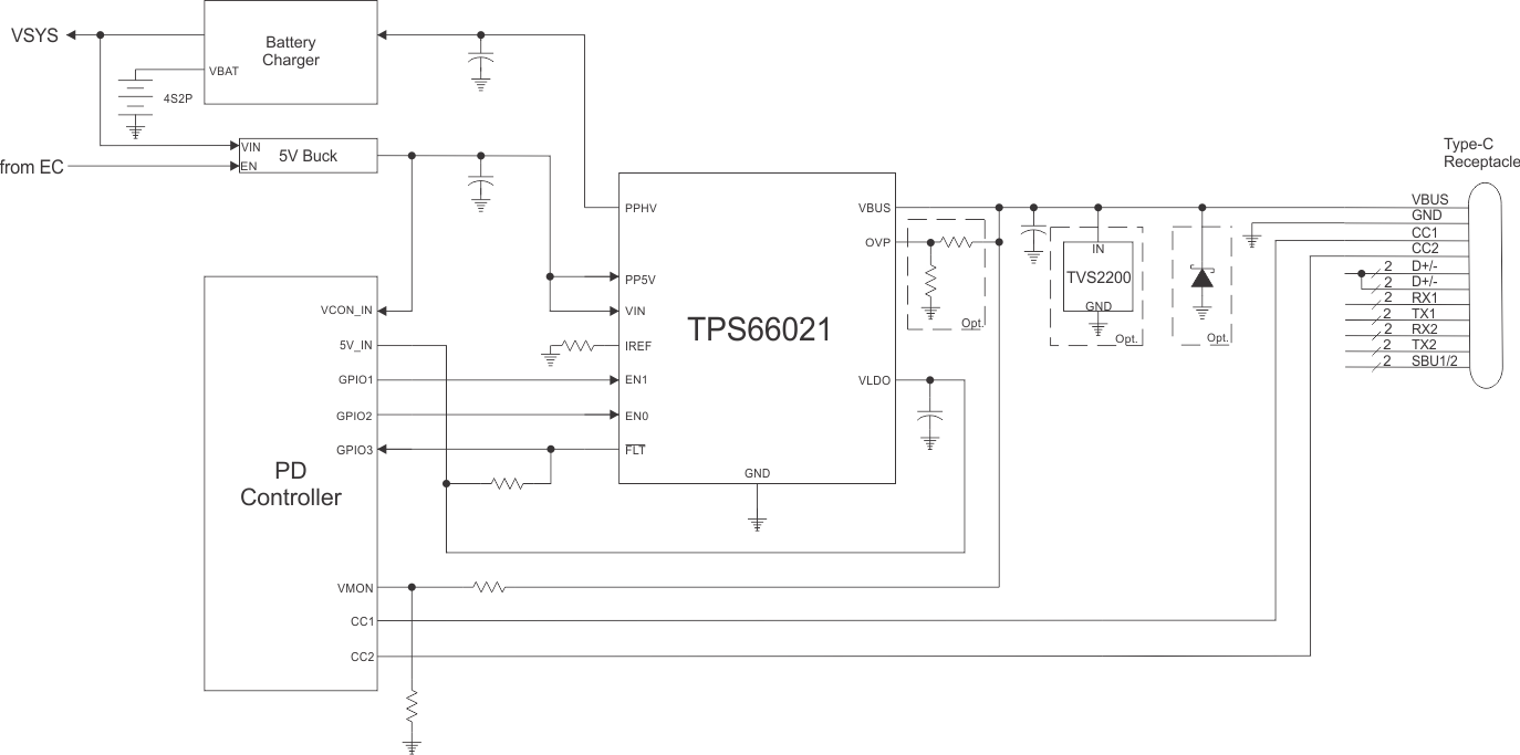
Typical Application

Figure 28 shows a USB Type-C single port design using a Power Delivery (PD) controller that supports 5-V operation. For this system, a single 5-V supply is used to supply power to the PP5V and VIN supplies of the TPS66021, as well as, the connector power, VCONN. The TPS66021 supplies power to the 5-V supply of the PD controller via its VLDO output which is sourced either from the integrated 5-V VBUS LDO for dead battery operation or from VIN once the dead battery condition ends.

Similarly, Figure 29 shows a USB Type-C single port design using a PD controller that only supports 3.3-V operation. In this case, a separate 3.3-V supply in the system is used to supply power to the TPS66020. The TPS66020 supplies power to the 3.3-V supply of the PD controller via its VLDO output which is sourced either from the integrated 3.3-V VBUS LDO for dead battery operation or from VIN once the dead battery condition ends.

The PP5V integrated power path is used to provide 5-V VBUS power when the device is enabled as Source. The PPHV integrated power path provides power to the system and battery charger from VBUS when the device is enabled as a Sink.

TPS66020 TPS66021 fig_app_src_sink_sp_ss.gifFigure 28. Single Port Type-C PD Port Using a Single 5-V Supply
TPS66020 TPS66021 fig_app_src_sink_sp_ds.gifFigure 29. Single Port Type-C PD Port Using a 3.3-V Supply