JAJSFV7C September   2016  – March 2020 UCD90160A

PRODUCTION DATA.  

  1. 特長
  2. アプリケーション
  3. 概要
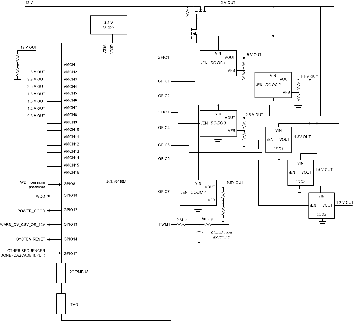
    1.     アプリケーション概略図
  4. 改訂履歴
  5. 概要 (続き)
  6. Pin Configuration and Functions
    1.     Pin Functions
  7. Specifications
    1. 7.1 Absolute Maximum Ratings
    2. 7.2 ESD Ratings
    3. 7.3 Recommended Operating Conditions
    4. 7.4 Thermal Information
    5. 7.5 Electrical Characteristics
    6. 7.6 Timing Requirements
    7. 7.7 Typical Characteristics
  8. Detailed Description
    1. 8.1 Overview
    2. 8.2 Functional Block Diagram
    3. 8.3 Feature Description
      1. 8.3.1 Rail Configuration
      2. 8.3.2 TI Fusion GUI
      3. 8.3.3 PMBus Interface
    4. 8.4 Device Functional Modes
      1. 8.4.1  Power Supply Sequencing
        1. 8.4.1.1 Turn-on Sequencing
        2. 8.4.1.2 Turn-off Sequencing
        3. 8.4.1.3 Sequencing Configuration Options
      2. 8.4.2  Pin-Selected Rail States
      3. 8.4.3  Voltage Monitoring
      4. 8.4.4  Fault Responses and Alert Processing
      5. 8.4.5  Shut Down All Rails and Sequence On (Resequence)
      6. 8.4.6  GPIOs
      7. 8.4.7  GPO Control
      8. 8.4.8  GPO Dependencies
        1. 8.4.8.1 GPO Delays
        2. 8.4.8.2 State Machine Mode Enable
      9. 8.4.9  GPI Special Functions
        1. 8.4.9.1 Fault Shutdown Rails
        2. 8.4.9.2 Configured as Sequencing Debug Pin
        3. 8.4.9.3 Configured as Fault Pin
        4. 8.4.9.4 Cold Boot Mode Enable
      10. 8.4.10 Power Supply Enables
      11. 8.4.11 Cascading Multiple Devices
      12. 8.4.12 PWM Outputs
        1. 8.4.12.1 FPWM1-8
        2. 8.4.12.2 PWM1-4
      13. 8.4.13 Programmable Multiphase PWMs
      14. 8.4.14 Margining
        1. 8.4.14.1 Open-Loop Margining
        2. 8.4.14.2 Closed-Loop Margining
      15. 8.4.15 System Reset Signal
      16. 8.4.16 Watch Dog Timer
      17. 8.4.17 Run Time Clock
      18. 8.4.18 Data and Error Logging to Flash Memory
      19. 8.4.19 Brownout Function
      20. 8.4.20 PMBus Address Selection
      21. 8.4.21 Device Reset
    5. 8.5 Programming
      1. 8.5.1 Device Configuration and Programming
        1. 8.5.1.1 Full Configuration Update While in Normal Mode
      2. 8.5.2 JTAG Interface
      3. 8.5.3 Internal Fault Management and Memory Error Correction (ECC)
  9. Application and Implementation
    1. 9.1 Application Information
    2. 9.2 Typical Application
      1. 9.2.1 Design Requirements
      2. 9.2.2 Detailed Design Procedure
      3. 9.2.3 Application Curves
      4. 9.2.4 Estimating ADC Reporting Accuracy
  10. 10Power Supply Recommendations
  11. 11Layout
    1. 11.1 Layout Guidelines
    2. 11.2 Layout Example
  12. 12デバイスおよびドキュメントのサポート
    1. 12.1 デバイス・サポート
      1. 12.1.1 デベロッパー・ネットワークの製品に関する免責事項
    2. 12.2 ドキュメントのサポート
      1. 12.2.1 関連資料
    3. 12.3 ドキュメントの更新通知を受け取る方法
    4. 12.4 コミュニティ・リソース
    5. 12.5 商標
    6. 12.6 静電気放電に関する注意事項
    7. 12.7 Glossary
  13. 13メカニカル、パッケージ、および注文情報

パッケージ・オプション

メカニカル・データ(パッケージ|ピン)
サーマルパッド・メカニカル・データ
発注情報

Typical Application

UCD90160A apps_circuit_slvsdd4.gifFigure 32. Typical Application Schematic

NOTE

Figure 32 is a simplified application schematic. Voltage dividers such as the ones placed on VMON1 input have been omitted for simplifying the schematic. All VMONx pins which are configured to measure a voltage that exceeds the 2.5V ADC reference are required to have a voltage divider.