JAJSLO2C March   2021  – January 2024 AWR1843AOP

PRODUCTION DATA  

  1.   1
  2. 特長
  3. アプリケーション
  4. 概要
    1. 3.1 機能ブロック図
  5. Device Comparison
    1. 4.1 Related Products
  6. Terminal Configuration and Functions
    1. 5.1 Pin Diagram
    2. 5.2 Pin Attributes
    3. 5.3 Signal Descriptions
      1. 5.3.1 Pin Functions - Digital and Analog [ALP Package]
  7. Specifications
    1. 6.1  Absolute Maximum Ratings
    2. 6.2  ESD Ratings
    3. 6.3  Power-On Hours (POH)
    4. 6.4  Recommended Operating Conditions
    5. 6.5  Power Supply Specifications
    6. 6.6  Power Consumption Summary
    7. 6.7  RF Specification
    8. 6.8  CPU Specifications
    9. 6.9  Thermal Resistance Characteristics for FCBGA Package [ALP0180A]
    10. 6.10 Timing and Switching Characteristics
      1. 6.10.1  Antenna Radiation Patterns
        1. 6.10.1.1 Antenna Radiation Patterns for Receiver
        2. 6.10.1.2 Antenna Radiation Patterns for Transmitter
      2. 6.10.2  Antenna Positions
      3. 6.10.3  Power Supply Sequencing and Reset Timing
      4. 6.10.4  Input Clocks and Oscillators
        1. 6.10.4.1 Clock Specifications
      5. 6.10.5  Multibuffered / Standard Serial Peripheral Interface (MibSPI)
        1. 6.10.5.1 Peripheral Description
        2. 6.10.5.2 MibSPI Transmit and Receive RAM Organization
          1. 6.10.5.2.1 SPI Timing Conditions
          2. 6.10.5.2.2 SPI Controller Mode Switching Parameters (CLOCK PHASE = 0, SPICLK = output, SPISIMO = output, and SPISOMI = input)
          3. 6.10.5.2.3 SPI Controller Mode Switching Parameters (CLOCK PHASE = 1, SPICLK = output, SPISIMO = output, and SPISOMI = input)
        3. 6.10.5.3 SPI Peripheral Mode I/O Timings
          1. 6.10.5.3.1 SPI Peripheral Mode Switching Parameters (SPICLK = input, SPISIMO = input, and SPISOMI = output)
        4. 6.10.5.4 Typical Interface Protocol Diagram (Slave Mode)
      6. 6.10.6  LVDS Interface Configuration
        1. 6.10.6.1 LVDS Interface Timings
      7. 6.10.7  General-Purpose Input/Output
        1. 6.10.7.1 Switching Characteristics for Output Timing versus Load Capacitance (CL) #GUID-4685AB93-A014-47EA-9F05-952FFC28DBFA/T4362547-45 #GUID-4685AB93-A014-47EA-9F05-952FFC28DBFA/T4362547-50
      8. 6.10.8  Controller Area Network Interface (DCAN)
        1. 6.10.8.1 Dynamic Characteristics for the DCANx TX and RX Pins
      9. 6.10.9  Controller Area Network - Flexible Data-rate (CAN-FD)
        1. 6.10.9.1 Dynamic Characteristics for the CANx TX and RX Pins
      10. 6.10.10 Serial Communication Interface (SCI)
        1. 6.10.10.1 SCI Timing Requirements
      11. 6.10.11 Inter-Integrated Circuit Interface (I2C)
        1. 6.10.11.1 I2C Timing Requirements #GUID-64613E7E-5DDF-4B01-8FA0-13739060F368/T4362547-185
      12. 6.10.12 Quad Serial Peripheral Interface (QSPI)
        1. 6.10.12.1 QSPI Timing Conditions
        2. 6.10.12.2 Timing Requirements for QSPI Input (Read) Timings #GUID-6A95C194-2C40-46FE-9793-4574200DA2C4/T4362547-210 #GUID-6A95C194-2C40-46FE-9793-4574200DA2C4/T4362547-209
        3. 6.10.12.3 QSPI Switching Characteristics
      13. 6.10.13 ETM Trace Interface
        1. 6.10.13.1 ETMTRACE Timing Conditions
        2. 6.10.13.2 ETM TRACE Switching Characteristics
      14. 6.10.14 Data Modification Module (DMM)
        1. 6.10.14.1 DMM Timing Requirements
      15. 6.10.15 JTAG Interface
        1. 6.10.15.1 JTAG Timing Conditions
        2. 6.10.15.2 Timing Requirements for IEEE 1149.1 JTAG
        3. 6.10.15.3 Switching Characteristics Over Recommended Operating Conditions for IEEE 1149.1 JTAG
  8. Detailed Description
    1. 7.1 Overview
    2. 7.2 Functional Block Diagram
    3. 7.3 Subsystems
      1. 7.3.1 RF and Analog Subsystem
        1. 7.3.1.1 Clock Subsystem
        2. 7.3.1.2 Transmit Subsystem
        3. 7.3.1.3 Receive Subsystem
      2. 7.3.2 Processor Subsystem
      3. 7.3.3 Automotive Interface
      4. 7.3.4 Main Subsystem Cortex-R4F Memory Map
      5. 7.3.5 DSP Subsystem Memory Map
    4. 7.4 Other Subsystems
      1. 7.4.1 ADC Channels (Service) for User Application
        1. 7.4.1.1 GP-ADC Parameter
  9. Monitoring and Diagnostics
    1. 8.1 Monitoring and Diagnostic Mechanisms
      1. 8.1.1 Error Signaling Module
  10. Applications, Implementation, and Layout
    1. 9.1 Application Information
    2. 9.2 Reference Schematic
  11. 10Device and Documentation Support
    1. 10.1 Device Nomenclature
    2. 10.2 Tools and Software
    3. 10.3 Documentation Support
    4. 10.4 サポート・リソース
    5. 10.5 Trademarks
    6. 10.6 静電気放電に関する注意事項
    7. 10.7 用語集
  12. 11Revision History
  13. 12Mechanical, Packaging, and Orderable Information
    1. 12.1 Packaging Information

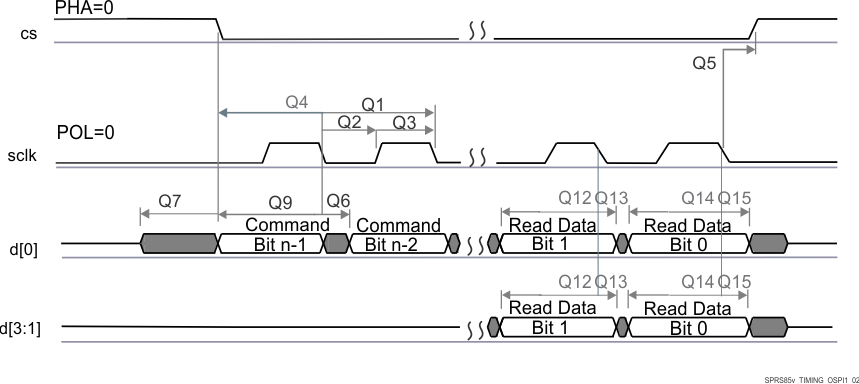
QSPI Switching Characteristics

NO.PARAMETER(1)(2)(3)MINTYPMAXUNIT
Q1tc(SCLK)Cycle time, sclk25ns
Q2tw(SCLKL)Pulse duration, sclk low0.5*P – 3ns
Q3tw(SCLKH)Pulse duration, sclk high0.5*P – 3ns
Q4td(CS-SCLK)Delay time, sclk falling edge to cs active edge–M*P – 1–M*P + 2.5ns
Q5td(SCLK-CS)Delay time, sclk falling edge to cs inactive edgeN*P – 1N*P + 2.5ns
Q6td(SCLK-D1)Delay time, sclk falling edge to d[0] transition–3.57ns
Q7tena(CS-D1LZ)Enable time, cs active edge to d[0] driven (lo-z)–P – 4–P +1ns
Q8tdis(CS-D1Z)Disable time, cs active edge to d[0] tri-stated (hi-z)–P – 4–P +1ns
Q9td(SCLK-D1)Delay time, sclk first falling edge to first d[1] transition (for PHA = 0 only)–3.5 – P7 – Pns
The Y parameter is defined as follows: If DCLK_DIV is 0 or ODD then, Y equals 0.5. If DCLK_DIV is EVEN then, Y equals (DCLK_DIV/2) / (DCLK_DIV+1). For best performance, it is recommended to use a DCLK_DIV of 0 or ODD to minimize the duty cycle distortion. The HSDIVIDER on CLKOUTX2_H13 output of DPLL_PER can be used to achieve the desired clock divider ratio. All required details about clock division factor DCLK_DIV can be found in the device-specific Technical Reference Manual.
P = SCLK period in ns.
M = QSPI_SPI_DC_REG.DDx + 1, N = 2
GUID-B886332A-21DB-4D02-B9B4-5BB688F5E677-low.gifFigure 6-18 QSPI Read (Clock Mode 0)
GUID-DF4C754F-5E7D-4A63-995D-86A5A7DCD1F2-low.gifFigure 6-19 QSPI Write (Clock Mode 0)