JAJSNB8F August   1999  – July 2024 THS4021 , THS4022

PRODUCTION DATA  

  1.   1
  2. 特長
  3. アプリケーション
  4. 概要
  5. Pin Configuration and Functions
  6. Specifications
    1. 5.1 Absolute Maximum Ratings
    2. 5.2 ESD Ratings
    3. 5.3 Recommended Operating Conditions
    4. 5.4 Thermal Information - THS4021
    5. 5.5 Thermal Information - THS4022
    6. 5.6 Electrical Characteristics - THS4021D and THS4022DGN
    7. 5.7 Electrical Characteristics - THS4021DGN
    8. 5.8 Typical Characteristics: THS4021D and THS4022DGN
    9. 5.9 Typical Characteristics: THS4021DGN
  7. Detailed Description
    1. 6.1 Overview
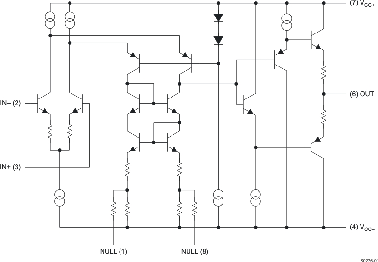
    2. 6.2 Functional Block Diagram
    3. 6.3 Feature Description
      1. 6.3.1 Offset Nulling
    4. 6.4 Device Functional Modes
  8. Application and Implementation
    1. 7.1 Application Information
      1. 7.1.1 Driving a Capacitive Load
      2. 7.1.2 General Configuration
    2. 7.2 Power Supply Recommendations
    3. 7.3 Layout
      1. 7.3.1 Layout Guidelines
        1. 7.3.1.1 General PowerPAD™ Integrated Circuit Package Design Considerations
      2. 7.3.2 Layout Example
  9. Device and Documentation Support
    1. 8.1 Documentation Support
      1. 8.1.1 Related Documentation
    2. 8.2 ドキュメントの更新通知を受け取る方法
    3. 8.3 サポート・リソース
    4. 8.4 Trademarks
    5. 8.5 静電気放電に関する注意事項
    6. 8.6 用語集
  10. Revision History
  11. 10Mechanical, Packaging, and Orderable Information

Functional Block Diagram

THS4021 THS4022 THS4021: Single ChannelFigure 6-1 THS4021: Single Channel
THS4021 THS4022 THS4022: Dual ChannelFigure 6-2 THS4022: Dual Channel
THS4021 THS4022 THS4021 Simplified Schematic Figure 6-3 THS4021 Simplified Schematic