SNVA757D August 2017 – September 2020 LP8860-Q1
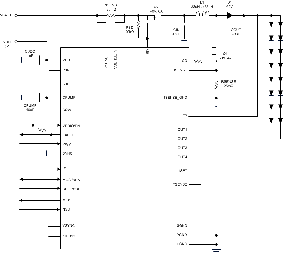
The LP8860F-Q1 is configured for two strings × 90 mA using a 5-V VDD and PWM pin to control brightness. LP8860F-Q1 is configured into direct-PWM mode, which bypasses mode brightness path features similar to the LP8861-Q1. Table 2-11 lists detailed configurations and full EEPROM information for the LP8860F-Q1.
| F | ||
|---|---|---|
| Boost | Switching Current Limit | 4 A |
| SYNC Input | Disabled | |
| 2 × Charge Pump | Disabled | |
| Spread Spectrum | Enabled | |
| ƒSW | 400 kHz | |
| VDD | 5 V | |
| Initial Boost Voltage | 26 V | |
| LED Driver | Input Brightness Control Method | PWM pin input (direct) |
| Maximum LED Current per Channel | 90 mA | |
| ISET Resistor Control | Disabled | |
| Number of Channels | 2 strings | |
| Channel Phase Shift | No phase shift | |
| LED Output Dimming Method | PWM | |
| Current to PWM Switch Point | N/A | |
| Current Linearity Correction Slope | N/A | |
| Output PWM Dimming Frequency | = F_PWMIN | |
| Dimming Resolution | N/A | |
| Drive Strength and Rise Time | 100 ns | |
| Dimming Ratio | > 32000:1 | |
| Sloper | N/A | |
| Driver Headroom Voltage | VSAT + 50 mV | |
| Fault Handling | Short LED Fault Threshold | 10.6 V |
| VIN OVP Level | 22.5 | |
| VIN UVLO Level | 3 V | |
| VDD UVLO | 3 V | |
| Input OCP Limit | 6 A | |
| Powerline FET Type | PMOS | |
| SD Pulldown Current | 440 µA | |
| Temperature Compensation | Internal Temperature Compensation | Disabled |
| External Temperature Compensation | Disabled | |
| Current Dimming Knee Point | N/A | |
| EXT_TEMP_GAIN[3:0] | N/A | |
| EXT_TEMP_LEVEL_HIGH[3:0] | N/A | |
| EXT_TEMP_LEVEL_LOW[3:0] | N/A | |
| VSYNC and PLL | PLL | Disabled 5-MHz oscillator |
| VSYNC input | Disabled | |
| SYNC or HSYNC | N/A | |
| PWM_SYNC | N/A | |
| Pre-divider | N/A | |
| Slow PLL Divider | N/A | |
| R_SEL | N/A | |
| SEL_Divider | N/A | |
| PWM_FREQ | N/A | |
| PWM_RES | N/A | |
| ADDRESS (HEX) | VALUE (BIN) | VALUE (HEX) |
|---|---|---|
| 60 | 11111110 | FE |
| 61 | 01100110 | 66 |
| 62 | 11010100 | D4 |
| 63 | 11010100 | D4 |
| 64 | 11011111 | DF |
| 65 | 00000101 | 05 |
| 66 | 01110011 | 73 |
| 67 | 01110111 | 77 |
| 68 | 01110111 | 77 |
| 69 | 01110001 | 71 |
| 6A | 00111011 | 3B |
| 6B | 00000000 | 00 |
| 6C | 00001010 | 0A |
| 6D | 00100000 | 20 |
| 6E | 10110100 | B4 |
| 6F | 10000100 | 84 |
| 70 | 11000100 | C4 |
| 71 | 11110011 | F3 |
| 72 | 11100101 | E5 |
| 73 | 11010100 | D4 |
| 74 | 00110101 | 35 |
| 75 | 00000000 | 00 |
| 76 | 11011100 | DC |
| 77 | 11111111 | FF |
| 78 | 00111110 | 3E |
Figure 2-6 shows the use case for the LP8860F-Q1.
Figure 2-6 Use Case for LP8860F-Q1