SNVA757D August 2017 – September 2020 LP8860-Q1
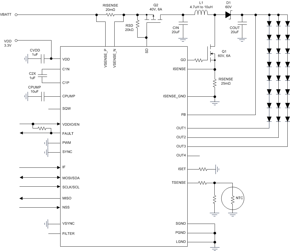
The LP8860J-Q1 is configured for three strings × 80 mA using a 3.3-V VDD and I2C or SPI to control brightness. LED current can be adjusted using an ISET resistor. Table 2-17 lists detailed configurations and full EEPROM information for LP8860J-Q1.
| J | ||
|---|---|---|
| Boost | Switching Current Limit | 6 A |
| SYNC Input | Disabled | |
| 2 × Charge Pump | Enabled | |
| Spread Spectrum | Enabled | |
| ƒSW | 2.2 MHz | |
| VDD | 3.3 V | |
| Initial Boost Voltage | 28 V | |
| LED Driver | Input Brightness Control Method | I2C/SPI BRT Register |
| Max LED current per channel | 80 mA | |
| ISET Resistor Control | Enabled | |
| Number of Channels | 3 strings | |
| Channel Phase Shift | 120 degrees (3 phases) | |
| LED Output Dimming Method | PWM | |
| Current to PWM Switch Point | N/A | |
| Current Linearity Correction Slope | N/A | |
| Output PWM Dimming Frequency | 9.766 kHz | |
| Dimming Resolution | 10-bit PWM + 4-bit dither | |
| Drive Strength and Rise Time | 200 ns | |
| Dimming Ratio | 1024:1 | |
| Sloper | 105 ms + advanced slope | |
| Driver Headroom Voltage | VSAT + 50 mV | |
| Fault Handling | Short LED Fault Threshold | 6.9 V |
| VIN OVP Level | 22.5 | |
| VIN UVLO Level | 5 V | |
| VDD UVLO | 3 V | |
| Input OCP Limit | 6 A | |
| Powerline FET Type | PMOS | |
| SD Pulldown Current | 440 µA | |
| Temperature Compensation | Internal Temperature Compensation | Disabled |
| External Temperature Compensation | Enabled current dimming mode | |
| Current Dimming Knee Point | 6 µA | |
| EXT_TEMP_GAIN[3:0] | 14 | |
| EXT_TEMP_LEVEL_HIGH[3:0] | 8.49 kΩ | |
| EXT_TEMP_LEVEL_LOW[3:0] | N/A | |
| VSYNC and PLL | PLL | Disabled 5-MHz oscillator |
| VSYNC input | Disabled | |
| SYNC or HSYNC | N/A | |
| PWM_SYNC | N/A | |
| Pre-divider | N/A | |
| Slow PLL Divider | N/A | |
| R_SEL | N/A | |
| SEL_Divider | N/A | |
| PWM_FREQ | N/A | |
| PWM_RES | N/A | |
| ADDRESS (HEX) | VALUE (BIN) | VALUE (HEX) |
|---|---|---|
| 60 | 01101111 | 6F |
| 61 | 11111111 | FF |
| 62 | 11011100 | DC |
| 63 | 11000010 | C2 |
| 64 | 11010111 | D7 |
| 65 | 11100101 | E5 |
| 66 | 11111010 | FA |
| 67 | 01110111 | 77 |
| 68 | 01110111 | 77 |
| 69 | 11100001 | E1 |
| 6A | 10111011 | BB |
| 6B | 10110111 | B7 |
| 6C | 00010111 | 17 |
| 6D | 11101111 | EF |
| 6E | 10110001 | B1 |
| 6F | 10001011 | 8B |
| 70 | 11001001 | C9 |
| 71 | 10000111 | 87 |
| 72 | 11100101 | E5 |
| 73 | 11011000 | D8 |
| 74 | 01000101 | 45 |
| 75 | 10000110 | 86 |
| 76 | 11011110 | DE |
| 77 | 10101111 | AF |
| 78 | 00111111 | 3F |
Figure 2-9 shows the use case for the LP8860J-Q1.
Figure 2-9 Use Case for LP8860J-Q1