SBAU193E June   2011  – May 2021 ADS8568

 

  1.   Trademarks
  2. 1EVM Overview
    1. 1.1 ADS8568EVM-PDK Kit Features
    2. 1.2 ADS8568EVM Board Features
    3. 1.3 Related Documentation From Texas Instruments
  3. 2EVM Analog Interface
    1. 2.1 ADC Supply, Input, Voltage Reference, and Digital Connections
    2. 2.2 ADC Amplifier Drive
  4. 3Digital Interface
    1. 3.1 Parallel Interface
    2. 3.2 Serial Interface (SPI)
    3. 3.3 Connections to PHI connector
    4. 3.4 Static Signals for ADS8568
    5. 3.5 I2C Bus for Onboard EEPROM
  5. 4Power Supplies
    1. 4.1 Low Dropout Regulator
    2. 4.2 Power Connections and LED Indicators
  6. 5Installing ADS8568EVM Software
  7. 6ADS8568EVM Operation
    1. 6.1 Connecting the Hardware and Running the GUI
    2. 6.2 Jumper Settings for ADS8568EVM
    3. 6.3 EVM GUI Global Settings for ADC Control
    4. 6.4 Time Domain Display
    5. 6.5 Frequency Domain Display
    6. 6.6 Histogram Display
  8. 7Modifying Hardware and Using Software to Evaluate ADS8548 and ADS8528
  9.   A Bill of Materials, Layout, and Schematic
    1.     A.1 Bill of Materials
    2.     A.2 Layout
    3.     A.3 Schematic
  10.   B Revision History

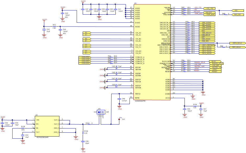
ADC Supply, Input, Voltage Reference, and Digital Connections

Figure 2-1 illustrates the decoupling on AVDD, DVDD, HVDD, HVSS, and the reference IO. The capacitors for decoupling match the recommendations in the ADS8568 data sheet. The layout (see Figure 2-1) uses the shortest possible connections to the decoupling capacitors and connections the ground end to the GND plane using vias. The ADS8568 can use an external or internal voltage reference. This can be selected by changing the position of JP9 to “INT” for internal, or “EXT” for external. Figure 2-1 also illustrates the analog input signal and digital signal connections.

GUID-20200707-SS0I-JV8D-GLPQ-X5KV4NCS3TWJ-low.gif Figure 2-1 ADC Signal and Supply Connection