SBAU398 March   2022

 

  1.   Trademarks
  2. 1Introduction
  3. 2Hardware Overview
    1. 2.1 AC-MB Settings
      1. 2.1.1 Audio Serial Interface Settings
        1. 2.1.1.1 USB
        2. 2.1.1.2 Optical or Auxilary Analog Audio Input
        3. 2.1.1.3 External
      2. 2.1.2 AC-MB Power Supply
    2. 2.2 ADCx120Q1EVM-PDK Hardware Settings
      1. 2.2.1 Line Inputs
      2. 2.2.2 Onboard Microphone Configuration
      3. 2.2.3 External Microphone Configurations
  4. 3Software Overview
    1. 3.1 PurePath Console 3 Installation
    2. 3.2 ADCx120Q1EVM GUI Installation
      1. 3.2.1 Software Setup
  5. 4GPIO1 Settings
  6. 5Master Mode Operation
  7. 6Quick Start
    1. 6.1 Configuring the Audio Serial Bus for the I2S Output
    2. 6.2 Saving a Configuration
  8. 7Schematic and Bill of Materials
    1. 7.1 ADCx120Q1EVM-PDK Schematic and Bill of Materials
      1. 7.1.1 ADCx120Q1EVM-PDK Schematic
      2. 7.1.2 ADCx120Q1EVM-PDK Bill of Materials
    2. 7.2 AC-MB Schematic and Bill of Materials
      1. 7.2.1 AC-MB Schematic
      2. 7.2.2 AC-MB Bill of Materials
    3. 7.3 Matlab Audio Capture Example

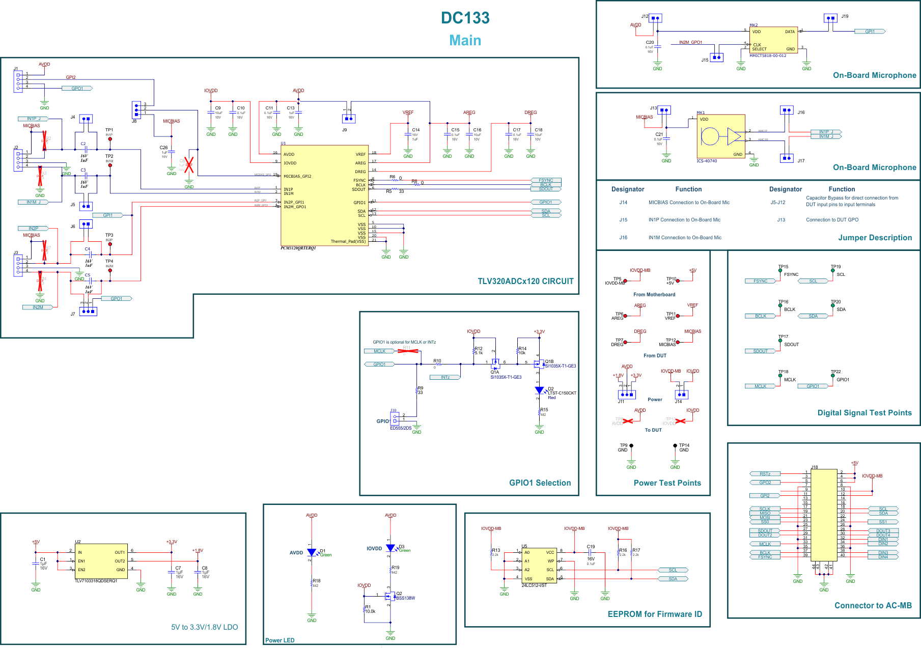
ADCx120Q1EVM-PDK Schematic

Figure 7-1 shows the schematics for the ADCx120Q1EVM-PDK.

GUID-20220401-SS0I-GN5P-HWDF-68LDQRZCLX8Q-low.gif Figure 7-1 ADCx120Q1EVM-PDK Schematics