SCES966 June   2024 TXS0101-Q1

PRODUCTION DATA  

  1.   1
  2. Features
  3. Applications
  4. Description
  5. Pin Configuration and Functions
  6. Specifications
    1. 5.1  Absolute Maximum Ratings
    2. 5.2  ESD Ratings
    3. 5.3  Recommended Operating Conditions
    4. 5.4  Thermal Information
    5. 5.5  Electrical Characteristics
    6. 5.6  Switching Characteristics, VCCA = 1.2V
    7. 5.7  Switching Characteristics, VCCA = 1.5 ± 0.1V
    8. 5.8  Switching Characteristics, VCCA = 1.8 ± 0.15V
    9. 5.9  Switching Characteristics, VCCA = 2.5 ± 0.2V
    10. 5.10 Switching Characteristics, VCCA = 3.3 ± 0.3V
    11. 5.11 Switching Characteristics: Tsk, TMAX
    12. 5.12 Typical Characteristics
  7. Parameter Measurement Information
    1. 6.1 Load Circuits
    2. 6.2 Voltage Waveforms
  8. Detailed Description
    1. 7.1 Overview
    2. 7.2 Functional Block Diagram
    3. 7.3 Feature Description
      1. 7.3.1 Architecture
      2. 7.3.2 Input Driver Requirements
      3. 7.3.3 Enable and Disable
      4. 7.3.4 Pullup or Pulldown Resistors on I/O Lines
    4. 7.4 Device Functional Modes
  9. Application and Implementation
    1. 8.1 Application Information
    2. 8.2 Typical Application
      1. 8.2.1 Design Requirements
      2. 8.2.2 Detailed Design Procedure
      3. 8.2.3 Application Curve
    3. 8.3 Power Supply Recommendations
    4. 8.4 Layout
      1. 8.4.1 Layout Guidelines
      2. 8.4.2 Layout Example
  10. Device and Documentation Support
    1. 9.1 Device Support
      1. 9.1.1 Related Documentation
    2. 9.2 Receiving Notification of Documentation Updates
    3. 9.3 Support Resources
    4. 9.4 Trademarks
    5. 9.5 Electrostatic Discharge Caution
    6. 9.6 Glossary
  11. 10Revision History
  12. 11Mechanical, Packaging, and Orderable Information

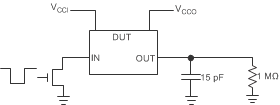
Load Circuits

Figure 6-1 shows the push-pull driver circuit used for measuring data rate, pulse duration, propagation delay, output rise-time and fall-time. Figure 6-2 shows the open-drain driver circuit used for measuring data rate, pulse duration, propagation delay, output rise-time and fall-time.

TXS0101-Q1 Data Rate, Pulse Duration,
                    Propagation Delay, Output Rise-Time and Fall-Time Measurement Using a Push-Pull
                    Driver Figure 6-1 Data Rate, Pulse Duration, Propagation Delay, Output Rise-Time and Fall-Time Measurement Using a Push-Pull Driver
TXS0101-Q1 Data Rate, Pulse Duration,
                    Propagation Delay, Output Rise-Time and Fall-Time Measurement Using an
                    Open-Drain Driver Figure 6-2 Data Rate, Pulse Duration, Propagation Delay, Output Rise-Time and Fall-Time Measurement Using an Open-Drain Driver
TXS0101-Q1 Load Circuit for Enable-Time
                    and Disable-Time Measurement Figure 6-3 Load Circuit for Enable-Time and Disable-Time Measurement
TESTS1
tPZL / tPLZ
(tdis)
2 × VCCO
tPHZ / tPZH
(ten)
Open
  1. tPLZ and tPHZ are the same as tdis.
  2. tPZL and tPZH are the same as ten.
  3. VCCI is the VCC associated with the input port.
  4. VCCO is the VCC associated with the output port.