SLAU868A august   2022  – july 2023

 

  1.   1
  2.   TMUXHS221/LV Evaluation Module User's Guide
  3.   Trademarks
  4. 1Introduction
  5. 2Setup and Configuration
    1. 2.1 Signal Connection
    2. 2.2 AC Coupling Capacitors
    3. 2.3 Jumper Configuration
    4. 2.4 Power
    5. 2.5 Calibration
    6. 2.6 REACH Compliance
  6. 3Schematics
  7. 4Bill of Materials
  8. 5Revision History

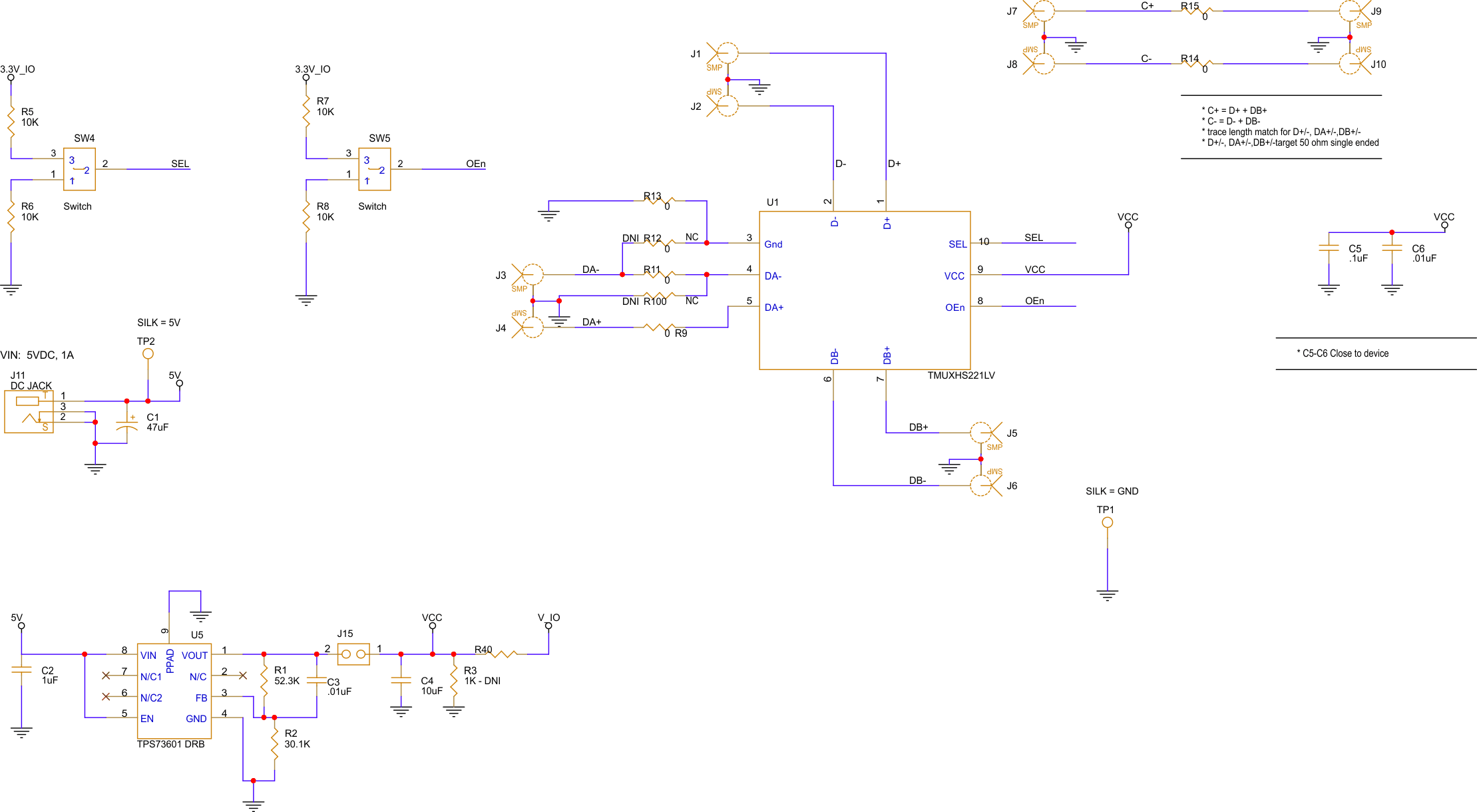
Schematics

Figure 3-1 shows the EVM schematic.

GUID-20220812-SS0I-XW6J-WB17-2QW2JM7ZBZH6-low.gif Figure 3-1 EVM Schematic