SLAU947 October   2024

 

  1.   1
  2.   Description
  3.   Get Started
  4.   Features
  5.   Applications
  6.   6
  7. 1Evaluation Module Overview
    1. 1.1 Introduction
    2. 1.2 Kit Contents
    3. 1.3 Specification
    4. 1.4 Device Information
  8. 2Hardware
    1. 2.1 Hardware Overview
    2. 2.2 Power Requirements
    3. 2.3 XDS110 Debug Probe
    4. 2.4 Measure Current Draw of the MSPM0G3519
    5. 2.5 Clocking
    6. 2.6 BoosterPack Plug-in Module Pinout
  9. 3Software
    1. 3.1 Software Development Options
    2. 3.2 Out-of-Box GUI
    3. 3.3 CCS Cloud
  10. 4Hardware Design Files
    1. 4.1 Schematics
    2. 4.2 PCB Layouts
    3. 4.3 Bill of Materials (BOM)
  11. 5Compliance Information
    1. 5.1 Compliance and Certifications
  12. 6Additional Information
    1. 6.1 Trademarks
  13. 7Related Documentation
    1. 7.1 Supplemental Content

Schematics

LP-MSPM0G3519 MSPM0G3519 Target Device
                    Schematic Figure 4-1 MSPM0G3519 Target Device Schematic
LP-MSPM0G3519 BoosterPack Connectors Figure 4-2 BoosterPack Connectors
LP-MSPM0G3519 XDS110 Debug Probe Emulator
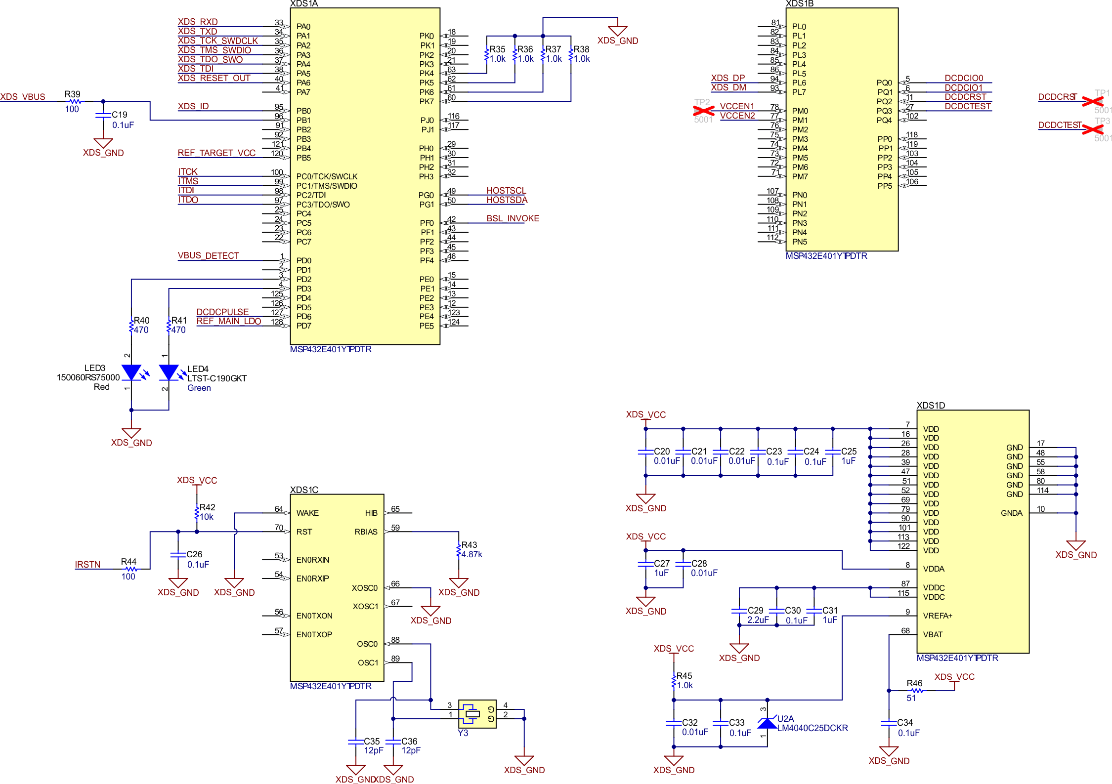
                    Schematic Figure 4-3 XDS110 Debug Probe Emulator Schematic
LP-MSPM0G3519 XDS110 EnergyTrace
                    Schematic Figure 4-4 XDS110 EnergyTrace Schematic
LP-MSPM0G3519 XDS110 Target Interface
                    Schematic Figure 4-5 XDS110 Target Interface Schematic
LP-MSPM0G3519 XDS110 USB Power
                    Schematic Figure 4-6 XDS110 USB Power Schematic
LP-MSPM0G3519 Jumpers and Standoffs Figure 4-7 Jumpers and Standoffs