SLUAAB9A March   2021  – December 2021 UCC25800-Q1

 

  1.   Trademarks
  2. Introduction
  3. Open-Loop LLC Converter Operation Principle
  4. Primary-side and Secondary-side Resonant Configurations
  5. Rectification Methods
    1. 4.1 One Resonant Capacitor, Voltage Doubler
    2. 4.2 Two Resonant Capacitors, Voltage Doubler
    3. 4.3 One Resonant Capacitor, Full-wave Rectifier
  6. LLC Transformer Design Steps
    1. 5.1 Transformer Turns Ratio Selection
    2. 5.2 Transformer Volt-second Rating Calculation
    3. 5.3 Transformer Construction
    4. 5.4 Transformer Winding Selection
    5. 5.5 Transformer Inductance
      1. 5.5.1 Leakage inductance
      2. 5.5.2 Magnetizing inductance
    6. 5.6 Transformer Selections
  7. Negative Voltage Generation
    1. 6.1 Using a Zener Diode
    2. 6.2 Using a Shunt Regulator
    3. 6.3 Using a Shunt Regulator and Linear Regulator
  8. Multiple-output Design
    1. 7.1 One UCC25800-Q1 Drives Each Output
    2. 7.2 Transformer With Multiple Secondary-side Windings
    3. 7.3 Multiple Transformers
  9. EMI Performance
    1. 8.1 EMI Performance With Standalone Converter
    2. 8.2 EMI performance with an inverter power stage
  10. Common-Mode Transient Immunity (CMTI)
  11. 10Summary
  12. 11Revision History

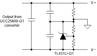
Using a Shunt Regulator

The Zener diode provides a simple and cost effective solution. However, due to the tolerances on the Zener voltage, it might not meet the voltage regulation requirement. A more accurate shunt regulator can be used to improve the voltage regulation, as shown in Figure 6-2.

GUID-5E6EFF92-F34C-4C37-9888-F6528C6F1D6A-low.gif
(a) Regulated negative voltage (b) Regulated positive voltage

Figure 6-2 Splitting A Single Output Voltage Using A Shunt Regulator

In the example of regulated negative voltage, the negative output is regulated by the shunt regulator. The remaining of the voltage is left on the positive output.