SLVUA85A June   2014  – May 2021 TPS65261

 

  1.   Trademarks
  2. 1Background
  3. 2TPS65261 Schematic
  4. 3Board Layout
    1. 3.1 EVM Layout
  5. 4Bench Test Setup Conditions
    1. 4.1 Headers Description and Jumper Placement
    2. 4.2 Jumpers and Switches
  6. 5Power-Up Procedure
  7. 6Bill of Materials
  8. 7Revision History

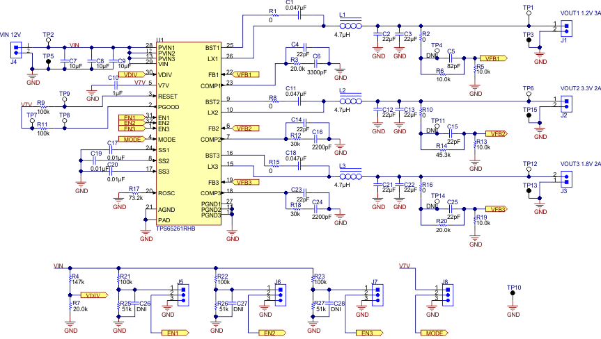
TPS65261 Schematic

Figure 2-1 shows the EVM schematic.

GUID-DD3B3A0C-299E-4556-A6A1-3DEE032AD721-low.gifFigure 2-1 TPS65261 Schematic