SLVUC02B September   2020  – May 2021 TPSM41615 , TPSM41625

 

  1.   Trademarks
  2. 1Description
  3. 2Getting Started
  4. 3Test Point Description
  5. 4Performance Data
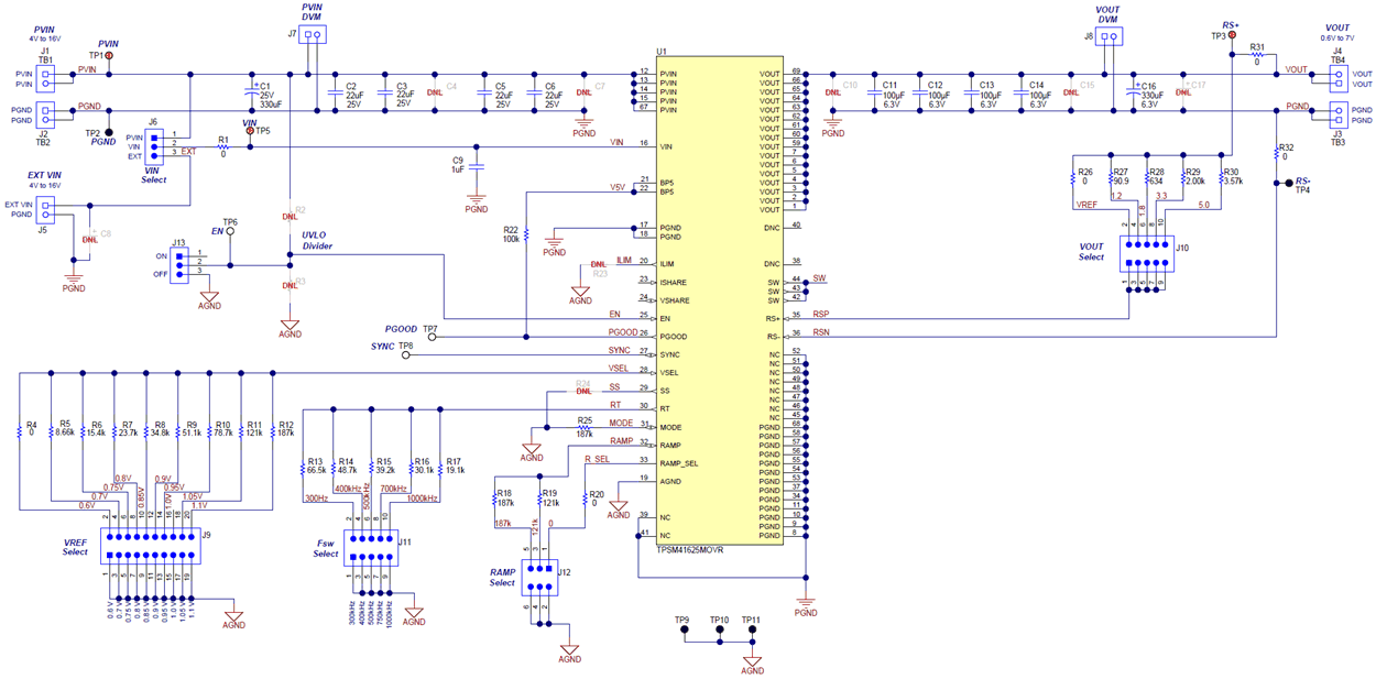
  6. 5Schematic
  7. 6Bill of Materials (BOM)
  8. 7PCB Layout
  9. 8Revision History

Schematic

The schematic for both the TPSM41625EVM and TPSM41615EVM are identical with the only difference being the U1 IC. Figure 5-1 shows the TPSM41625 device.

GUID-8959578C-BBF8-4BED-9F79-F413EF83F884-low.gifFigure 5-1 TPSM41625EVM Schematic