SLVUC69 May   2021

 

  1.   Trademarks
  2. 1Introduction
    1. 1.1 Features
    2. 1.2 Applications
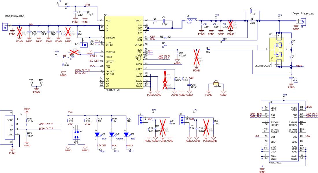
  3. 2Schematic
  4. 3General Configuration and Description
    1. 3.1 Physical Access
    2. 3.2 Adjusting the Switching Frequency
    3. 3.3 Adjusting the Current Limit Value
    4. 3.4 Adjusting the Cable Compensation Value
    5. 3.5 Test Setup
  5. 4Board Layout
  6. 5Bill of Materials

Schematic

GUID-20210510-CA0I-Z4XQ-WRRJ-4VS4DBX3PVRV-low.gif Figure 2-1 TPS2583XAQ1EVM-147 Schematic