SLVUCF2 March   2022 TPS55289

 

  1.   Trademarks
  2. 1Introduction
    1. 1.1 Performance Specification
    2. 1.2 Modification
      1. 1.2.1 Modification
  3. 2Connector, Test Point, and Jumper Descriptions
    1. 2.1 Connector and Test Point Descriptions
    2. 2.2 Jumper Configuration
      1. 2.2.1 JP1 (ENABLE)
      2. 2.2.2 JP6 (SYNC)
      3. 2.2.3 JP7 (I2C Target Address Selection)
      4. 2.2.4 JP8 (Internal or External VCC Selection)
      5. 2.2.5 JP9 and JP10 (External Feedback and Internal Feedback Selection)
  4. 3Test Procedure
  5. 4Software User Interface
    1. 4.1 Install USB2ANY Explorer
    2. 4.2 GUI Installation
    3. 4.3 Interface Hardware Setup
    4. 4.4 User Interface Operation
    5. 4.5 Register Map Screen
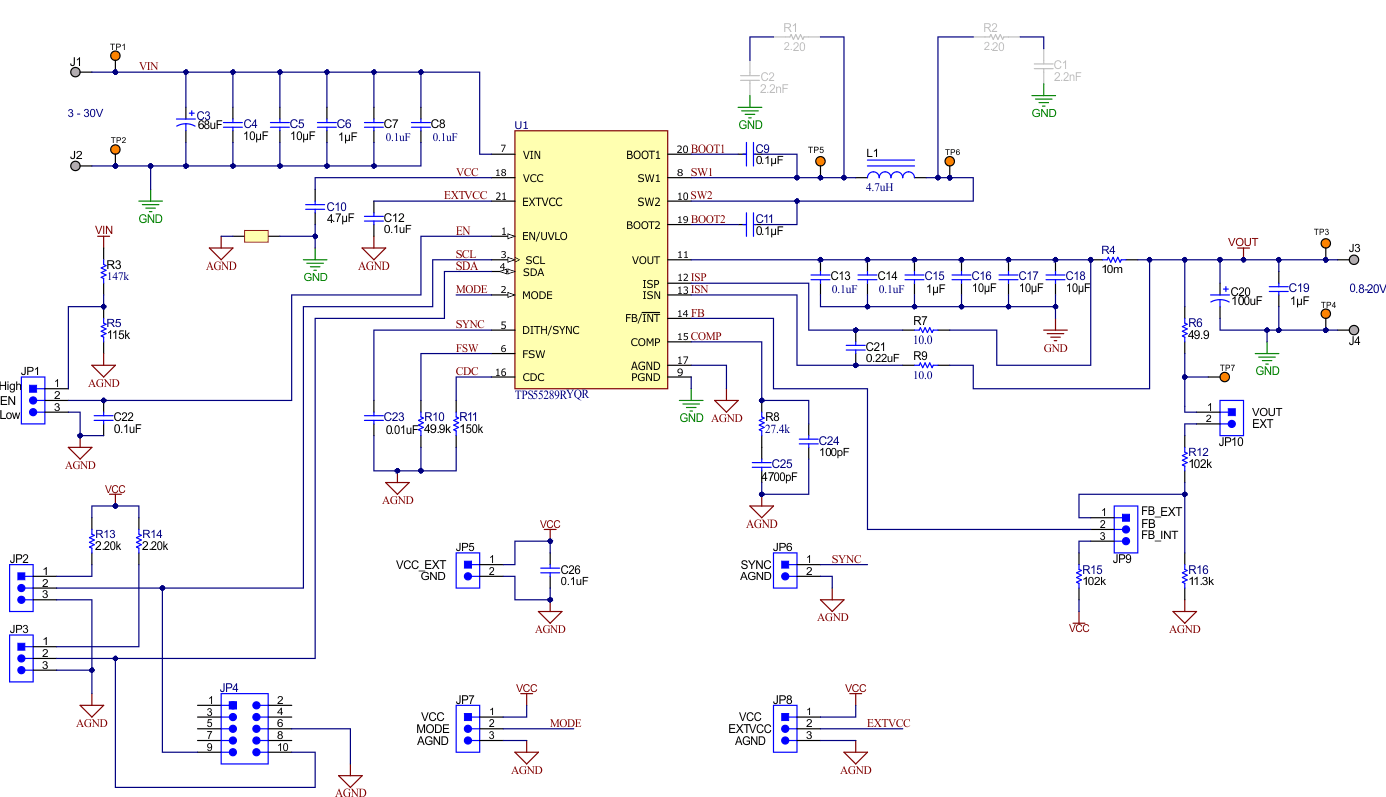
  6. 5Schematic, Bill of Materials, and Board Layout
    1. 5.1 Schematic
    2. 5.2 List of Materials
    3. 5.3 Board Layout

Schematic

GUID-20220303-SS0I-9CPJ-HGNK-XWQHL54L2SWV-low.gif Figure 5-1 TPS55289EVM-093 Schematic