SCAS416Q March   1994  – September 2016 SN74ALVC164245

PRODUCTION DATA.  

  1. Features
  2. Applications
  3. Description
  4. Revision History
  5. Pin Configuration and Functions
  6. Specifications
    1. 6.1  Absolute Maximum Ratings
    2. 6.2  ESD Ratings
    3. 6.3  Recommended Operating Conditions: VCCB at 3.3 V
    4. 6.4  Recommended Operating Conditions: VCCA at 2.5 V
    5. 6.5  Thermal Information
    6. 6.6  Electrical Characteristics: VCCA = 2.7 V to 3.6 V
    7. 6.7  Electrical Characteristics: VCCA = 2.3 V to 2.7 V
    8. 6.8  Switching Characteristics
    9. 6.9  Operating Characteristics
    10. 6.10 Typical Characteristics
  7. Parameter Measurement Information
    1. 7.1 VCCA = 2.5 V ± 0.2 V to VCCB = 3.3 V ± 0.3 V
    2. 7.2 VCCB = 3.3 V ± 0.3 V to VCCA = 2.5 V ± 0.2 V
    3. 7.3 VCCA = 3.3 V ± 0.3 V to VCCB = 5 V ± 0.5 V
    4. 7.4 VCCB = 5 V ± 0.5 V to VCCA = 2.7 V and 3.3 V ± 0.3 V
  8. Detailed Description
    1. 8.1 Overview
    2. 8.2 Functional Block Diagram
    3. 8.3 Feature Description
    4. 8.4 Device Functional Modes
  9. Application and Implementation
    1. 9.1 Application Information
    2. 9.2 Typical Application
      1. 9.2.1 Design Requirements
      2. 9.2.2 Detailed Design Procedure
      3. 9.2.3 Application Curve
  10. 10Power Supply Recommendations
  11. 11Layout
    1. 11.1 Layout Guidelines
    2. 11.2 Layout Example
  12. 12Device and Documentation Support
    1. 12.1 Documentation Support
      1. 12.1.1 Related Documentation
    2. 12.2 Receiving Notification of Documentation Updates
    3. 12.3 Community Resource
    4. 12.4 Trademarks
    5. 12.5 Electrostatic Discharge Caution
    6. 12.6 Glossary
  13. 13Mechanical, Packaging, and Orderable Information

Package Options

Mechanical Data (Package|Pins)
Thermal pad, mechanical data (Package|Pins)
Orderable Information

1 Features

  • Member of the Texas Instruments Widebus™ Family
  • Maximum tpd of 5.8 ns at 3.3 V
  • ±24-mA Output Drive at 3.3 V
  • Control Inputs VIH/VIL Levels Are Referenced to VCCA Voltage
  • Latch-Up Performance Exceeds 250 mA Per JESD 17

2 Applications

  • Electronic Points of Sale
  • Printers and Other Peripherals
  • Motor Drives
  • Wireless and Telecom Infrastructures
  • Wearable Health and Fitness Devices

3 Description

This 16-bit (dual-octal) noninverting bus transceiver contains two separate supply rails. B port has VCCB, which is set to operate at 3.3 V and 5 V. A port has VCCA, which is set to operate at 2.5 V and 3.3 V. This allows for translation from a 2.5-V to a 3.3-V
environment, and vice versa, or from a 3.3-V to a 5-V environment, and vice versa.

The SN74ALVC164245 is designed for asynchronous communication between data buses. The control circuitry (1DIR, 2DIR, 1OE, and 2OE) is powered by VCCA.

To ensure the high-impedance state during power up or power down, the output-enable (OE) input should be tied to VCC through a pullup resistor; the minimum value of the resistor is determined by the current-sinking capability of the driver.

The logic levels of the direction-control (DIR) input and the output-enable (OE) input activate either the B-port outputs or the A-port outputs or place both output ports into the high-impedance mode. The device transmits data from the A bus to the B bus when the B-port outputs are activated, and from the B bus to the A bus when the A-port outputs are activated. The input circuitry on both A and B ports always is active and must have a logic HIGH or LOW level applied to prevent excess ICC and ICCZ.

Device Information(1)

PART NUMBER PACKAGE BODY SIZE (NOM)
SN74ALVC164245 TSSOP (48) 12.50 mm × 6.10 mm
SSOP (48) 15.88 mm × 7.49 mm
BGA MICROSTAR JUNIOR (56) 7.00 mm × 4.50 mm
BGA MICROSTAR JUNIOR (54) 8.00 mm × 5.50 mm
  1. For all available packages, see the orderable addendum at the end of the data sheet.

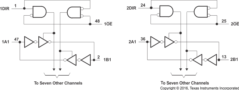
Logic Diagram (Positive Logic)

SN74ALVC164245 ld2_cas416.gif