SLASE60B September   2015  – January 2019 ADC31JB68

PRODUCTION DATA.  

  1. Features
    1.     Transmitted Eye at Output of 18-Inch, 5-mil. FR4 Microstrip Trace at 5 Gb/s With Optimized De-Emphasis
  2. Applications
  3. Description
    1.     Spectrum With –1-dBFS, 450-MHz Input
  4. Revision History
  5. Pin Configuration and Functions
    1.     Pin Functions
  6. Specifications
    1. 6.1 Absolute Maximum Ratings
    2. 6.2 ESD Ratings
    3. 6.3 Recommended Operating Conditions
    4. 6.4 Thermal Information
    5. 6.5 Electrical Characteristics: Converter Performance
    6. 6.6 Electrical Characteristics: Power Supply
    7. 6.7 Electrical Characteristics: Interface
    8. 6.8 Timing Requirements
    9. 6.9 Typical Characteristics
  7. Parameter Measurement Information
    1. 7.1 Interface Circuits
  8. Detailed Description
    1. 8.1 Overview
    2. 8.2 Functional Block Diagram
    3. 8.3 Feature Description
      1. 8.3.1  Analog Inputs and Input Buffer
      2. 8.3.2  Amplitude and Phase Imbalance Correction
      3. 8.3.3  Over-Range Detection
      4. 8.3.4  Input Clock Divider
      5. 8.3.5  SYSREF Detection Gate
      6. 8.3.6  Serial Differential Output Drivers
        1. 8.3.6.1 De-Emphasis Equalization
        2. 8.3.6.2 Serial Lane Inversion
      7. 8.3.7  ADC Core Calibration
      8. 8.3.8  Data Format
      9. 8.3.9  JESD204B Supported Features
      10. 8.3.10 JESD204B Interface
      11. 8.3.11 Transport Layer Configuration
        1. 8.3.11.1 Lane Configuration
        2. 8.3.11.2 Frame Format
        3. 8.3.11.3 ILA Information
      12. 8.3.12 Test Pattern Sequences
      13. 8.3.13 JESD204B Link Initialization
        1. 8.3.13.1 Frame Alignment
        2. 8.3.13.2 Code Group Synchronization
      14. 8.3.14 SPI
    4. 8.4 Device Functional Modes
      1. 8.4.1 Power-Down and Sleep Modes
    5. 8.5 Register Map
      1. 8.5.1 Register Descriptions
        1. 8.5.1.1  CONFIG_A (address = 0x0000) [reset = 0x3C]
          1. Table 6. CONFIG_A
        2. 8.5.1.2  DEVICE CONFIG (address = 0x0002) [reset = 0x00]
          1. Table 7. DEVICE CONFIG
        3. 8.5.1.3  CHIP_TYPE (address = 0x0003 ) [reset = 0x03]
          1. Table 8. CHIP_TYPE
        4. 8.5.1.4  CHIP_ID (address = 0x0005, 0x0004) [reset = 0x00, 0x1B]
          1. Table 9. CHIP_ID
        5. 8.5.1.5  CHIP_VERSION (address =0x0006) [reset = 0x00]
          1. Table 10. CHIP_VERSION
        6. 8.5.1.6  VENDOR_ID (address = 0x000D, 0x000C) [reset = 0x04, 0x51]
          1. Table 11. VENDOR_ID
        7. 8.5.1.7  SPI_CFG (address = 0x0010 ) [reset = 0x01]
          1. Table 12. SPI_CFG
        8. 8.5.1.8  OM1 (Operational Mode 1) (address = 0x0012) [reset = 0xC1]
          1. Table 13. OM1 (Operational Mode 1)
        9. 8.5.1.9  OM2 (Operational Mode 2) (address = 0x0013) [reset = 0x20]
          1. Table 14. OM2 (Operational Mode 2)
        10. 8.5.1.10 IMB_ADJ (Imbalance Adjust) (address = 0x0014) [reset = 0x00]
          1. Table 15. IMB_ADJ (Imbalance Adjust)
        11. 8.5.1.11 OVR_EN (Over-Range Enable) (address = 0x003A) [reset = 0x00]
          1. Table 16. OVR_EN (Over-Range Enable)
        12. 8.5.1.12 OVR_HOLD (Over-Range Hold) (address = 0x003B) [reset = 0x00]
          1. Table 17. OVR_HOLD (Over-Range Hold)
        13. 8.5.1.13 OVR_TH (Over-Range Threshold) (address = 0x003C) [reset = 0x00]
          1. Table 18. OVR_TH (Over-Range Threshold)
        14. 8.5.1.14 DC_MODE (DC Offset Correction Mode) (address = 0x003D) [reset = 0x00]
          1. Table 19. DC_MODE (DC Offset Correction Mode)
        15. 8.5.1.15 SER_CFG (Serial Lane Transmitter Configuration) (address = 0x0047) [reset = 0x00]
          1. Table 20. SER_CFG (Serial Lane Transmitter Configuration)
        16. 8.5.1.16 JESD_CTRL1 (JESD Configuration Control 1) (address = 0x0060) [reset = 0x7F]
          1. Table 21. JESD_CTRL1 (JESD Configuration Control 1)
        17. 8.5.1.17 JESD_CTRL2 (JESD Configuration Control 2) (address = 0x0061) [reset = 0x00]
          1. Table 22. JESD_CTRL2 (JESD Configuration Control 2)
        18. 8.5.1.18 JESD_RSTEP (JESD Ramp Pattern Step) (address = 0x0063, 0x0062) [reset = 0x00, 0x01]
          1. Table 23. JESD_RSTEP (JESD Ramp Pattern Step)
        19. 8.5.1.19 SER_INV (Serial Lane Inversion Control) (address = 0x0064) [reset = 0x00]
          1. Table 24. SER_INV (Serial Lane Inversion Control)
        20. 8.5.1.20 JESD_STATUS (JESD Link Status) (address = 0x006C) [reset = N/A]
          1. Table 25. JESD_STATUS (JESD Link Status)
  9. Application and Implementation
    1. 9.1 Application Information
      1. 9.1.1 Optimizing Converter Performance
        1. 9.1.1.1 Internal Noise Sources
        2. 9.1.1.2 External Noise Sources
      2. 9.1.2 Analog Input Considerations
        1. 9.1.2.1 Differential Analog Inputs and Full Scale Range
        2. 9.1.2.2 Analog Input Network Model
        3. 9.1.2.3 Input Bandwidth
        4. 9.1.2.4 Driving the Analog Input
        5. 9.1.2.5 Clipping and Over-Range
      3. 9.1.3 CLKIN, SYSREF, and SYNCb Input Considerations
        1. 9.1.3.1 Driving the CLKIN+ and CLKIN– Input
        2. 9.1.3.2 Driving the SYSREF Input
        3. 9.1.3.3 SYSREF Signaling
        4. 9.1.3.4 SYSREF Timing
        5. 9.1.3.5 Effectively Using the Detection Gate Feature
        6. 9.1.3.6 Driving the SYNCb Input
      4. 9.1.4 Output Serial Interface Considerations
        1. 9.1.4.1 Output Serial-Lane Interface
        2. 9.1.4.2 Voltage Swing and De-Emphasis Optimization
        3. 9.1.4.3 Minimizing EMI
      5. 9.1.5 JESD204B System Considerations
        1. 9.1.5.1 Frame and LMFC Clock Alignment Procedure
        2. 9.1.5.2 Link Interruption
        3. 9.1.5.3 Clock Configuration Examples
      6. 9.1.6 SPI
    2. 9.2 Typical Application
      1. 9.2.1 Design Requirements
      2. 9.2.2 Design Procedure
      3. 9.2.3 Application Curve
  10. 10Power Supply Recommendations
    1. 10.1 Power Supply Design
    2. 10.2 Decoupling
  11. 11Layout
    1. 11.1 Layout Guidelines
    2. 11.2 Layout Example
  12. 12Device and Documentation Support
    1. 12.1 Related Documentation
    2. 12.2 Receiving Notification of Documentation Updates
    3. 12.3 Community Resources
    4. 12.4 Trademarks
    5. 12.5 Electrostatic Discharge Caution
    6. 12.6 Glossary
  13. 13Mechanical, Packaging, and Orderable Information

Package Options

Mechanical Data (Package|Pins)
Thermal pad, mechanical data (Package|Pins)
Orderable Information

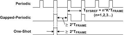
SYSREF Signaling

The SYSREF input may be driven by a number of different types of signals. The supported signal types, shown in Figure 73 (in single-ended form), include periodic, gapped periodic, and one-shot signals. The rising edge of the SYSREF signal is used as a reference to align the internal frame clock and local multi-frame clock (LMFC). To ensure proper alignment of these system clocks, the SYSREF signal must be generated along with the CLKIN signal such that the SYSREF rising edge meets the setup and hold requirements relative to the CLKIN at the ADC31JB68 device inputs.

For each rising clock edge that is detected at the SYSREF input, the ADC31JB68 device compares the current alignment of the internal frame and LMFC with the SYSREF edge and determines if the internal clocks must be re-aligned. In the case that no alignment is needed, the clocks maintain their current alignment and the JESD204B data link is not broken. In the case that re-alignment is needed, the JESD204B data link is broken and the clocks are re-aligned.

ADC31JB68 SYSREF_Type.gifFigure 73. SYSREF Signal Types (Single-Ended Representations)

In the case of a periodic SYSREF signal, the frame and LMFC alignment is established at the first rising edge of SYSREF, and every subsequent rising edge (that properly meets setup and hold requirements) is ignored because the alignment has already been established. A periodic SYSREF must have a period equal to n × K / FS where ‘FS’ is the sampling rate, ‘K’ is the JESD204B configuration parameter indicating the number of frames per multi-frame, and ‘n’ is an integer of one or greater.

Gapped-period signals contain bursts of pulses. The frame and LMFC alignments are established on the first rising edge of the pulse burst. Any rising edge that does not abide by this rule or does not meet the setup and hold requirements forces re-alignment of the clocks.

A one-shot signal contains a single rising edge that establishes the frame and LMFC alignment.

For all types of SYSREF signals, the minimum pulse width is 2 × TFRAME.

TI recommends gapped-periodic or one-shot signals for most applications because the SYSREF signal is not active during normal sampling operation. Periodic signals that toggle constantly introduce spurs into the signal spectrum that degrade the dynamic range of the system.