SBAS778B June   2017  â€“ August 2019 ADS1287

PRODUCTION DATA.  

  1. Features
  2. Applications
  3. Description
    1.     Device Images
      1.      Functional Block Diagram
  4. Revision History
  5. Pin Configuration and Functions
    1.     Pin Functions
  6. Specifications
    1. 6.1 Absolute Maximum Ratings
    2. 6.2 ESD Ratings
    3. 6.3 Recommended Operating Conditions
    4. 6.4 Thermal Information
    5. 6.5 Electrical Characteristics
    6. 6.6 Timing Requirements
    7. 6.7 Switching Characteristics
    8. 6.8 Typical Characteristics
  7. Parameter Measurement Information
    1. 7.1 Noise Performance
  8. Detailed Description
    1. 8.1 Overview
    2. 8.2 Functional Block Diagram
    3. 8.3 Feature Description
      1. 8.3.1 Analog Input and Multiplexer
      2. 8.3.2 Programmable Gain Amplifier (PGA)
      3. 8.3.3 Modulator
        1. 8.3.3.1 Modulator Overrange
      4. 8.3.4 Voltage Reference Inputs (REFP, REFN)
      5. 8.3.5 Digital Filter
        1. 8.3.5.1 Sinc Filter Stage
        2. 8.3.5.2 FIR Filter Stage
        3. 8.3.5.3 Group Delay and Step Response
          1. 8.3.5.3.1 Linear Phase Response
          2. 8.3.5.3.2 Minimum Phase Response
        4. 8.3.5.4 HPF Stage
      6. 8.3.6 Reset (RESET Pin and Reset Command)
      7. 8.3.7 Master Clock Input (CLK)
    4. 8.4 Device Functional Modes
      1. 8.4.1  Operational Mode
      2. 8.4.2  Chop Mode
      3. 8.4.3  Offset
      4. 8.4.4  Power-Down Mode
      5. 8.4.5  Standby Mode
      6. 8.4.6  Synchronization
        1. 8.4.6.1 Pulse-Sync Mode
        2. 8.4.6.2 Continuous-Sync Mode
      7. 8.4.7  Reading Data
        1. 8.4.7.1 Read-Data-Continuous Mode (RDATAC)
        2. 8.4.7.2 Stop-Read-Data-Continuous-Mode (SDATAC)
      8. 8.4.8  Conversion Data Format
      9. 8.4.9  Offset and Full-Scale Calibration Registers
        1. 8.4.9.1 OFC[2:0] Registers
        2. 8.4.9.2 FSC[2:0] Registers
      10. 8.4.10 Calibration Command
        1. 8.4.10.1 OFSCAL Command
        2. 8.4.10.2 GANCAL Command
      11. 8.4.11 User Calibration
    5. 8.5 Programming
      1. 8.5.1 Serial Interface
        1. 8.5.1.1 Chip Select (CS)
        2. 8.5.1.2 Serial Clock (SCLK)
        3. 8.5.1.3 Data Input (DIN)
        4. 8.5.1.4 Data Output (DOUT)
        5. 8.5.1.5 Serial Interface Timeout
        6. 8.5.1.6 Data Ready (DRDY)
      2. 8.5.2 Commands
        1. 8.5.2.1  WAKEUP: Wake Up Command
        2. 8.5.2.2  STANDBY: Standby Mode Command
        3. 8.5.2.3  SYNC: Synchronize ADC Conversions
        4. 8.5.2.4  RESET: Reset Command
        5. 8.5.2.5  RDATAC: Read Data Continuous Mode Command
        6. 8.5.2.6  SDATAC: Stop Read Data Continuous Mode Command
        7. 8.5.2.7  RDATA: Read Data Command
        8. 8.5.2.8  RREG: Read Register Data Command
        9. 8.5.2.9  WREG: Write Register Data Command
        10. 8.5.2.10 OFSCAL: Offset Calibration Command
        11. 8.5.2.11 GANCAL: Gain Calibration Command
    6. 8.6 Register Map
      1. 8.6.1 Register Descriptions
        1. 8.6.1.1 ID/CFG: ID, Configuration Register (address = 00h) [reset = x0h]
          1. Table 22. ID/CFG Register Field Descriptions
        2. 8.6.1.2 CONFIG0: Configuration Register 0 (address = 01h) [reset = 52h]
          1. Table 23. CONFIG0 Register Field Descriptions
        3. 8.6.1.3 CONFIG1: Configuration Register 1 (address = 02h) [reset = 08h]
          1. Table 24. CONFIG1 Register Field Descriptions
        4. 8.6.1.4 High-Pass Filter Corner Frequency (HPFx) Registers (address = 03h, 04h) [reset = 32h, 03h]
          1. Table 25. HPF0, HPF1 Registers Field Description
        5. 8.6.1.5 Offset Calibration (OFCx) Registers (address = 05h, 06h, 07h) [reset = 00h, 00h, 00h]
          1. Table 26. OFC0, OFC1, OFC2 Registers Field Description
        6. 8.6.1.6 Full-Scale Calibration (FSCx) Registers (address = 08h, 09h, 0Ah) [reset = 00h, 00h, 40h]
          1. Table 27. FSC0, FSC1, FSC2 Registers Field Description
  9. Application and Implementation
    1. 9.1 Application Information
    2. 9.2 Typical Applications
      1. 9.2.1 Geophone Application
      2. 9.2.2 Digital Interface
    3. 9.3 Initialization Set Up
  10. 10Power Supply Recommendations
    1. 10.1 Analog Power Supplies
    2. 10.2 Digital Power Supply
    3. 10.3 Power-Supply Sequence
  11. 11Layout
    1. 11.1 Layout Guidelines
  12. 12Device and Documentation Support
    1. 12.1 Receiving Notification of Documentation Updates
    2. 12.2 Community Resources
    3. 12.3 Trademarks
    4. 12.4 Electrostatic Discharge Caution
    5. 12.5 Glossary
  13. 13Mechanical, Packaging, and Orderable Information

Package Options

Mechanical Data (Package|Pins)
Thermal pad, mechanical data (Package|Pins)
Orderable Information

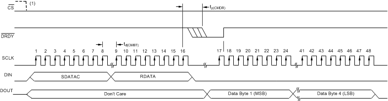
Stop-Read-Data-Continuous-Mode (SDATAC)

In SDATAC mode, a command is required in order to read conversion data. Send the SDATAC command to first engage the mode. Send an RDATA command, as shown in Figure 60, for each data retrieval operation. After the eighth SCLK rising edge of the RDATA command, conversion data are ready when the ADC drives DRDY low (see the Switching Characteristics table for tP(CMDR) timing). tP(CMDR) is dependent on the timing of the command relative to the conversion phase. When DRDY goes low, MSB conversion data appear on DOUT and the data shift operation can begin (see Figure 3 for DRDY to DOUT timing). The RDATA command must be sent at least as often as the data rate or data are lost. Driving CS high cancels the SDATAC mode; therefore, the SDATAC mode must be reset if CS is taken high prior to each RDATA operation.

ADS1287 rd_cmd_sbas778.gif
If CS taken high, send the SDATAC command prior to the RDATA command. SCLK arrows indicate when the data are latched.
Figure 60. Read Data By Command Mode