SLUSBU6B September   2014  – January 2016

PRODUCTION DATA.  

  1. Features
  2. Applications
  3. Description
  4. Revision History
  5. Pin Configuration and Functions
  6. Specifications
    1. 6.1  Absolute Maximum Ratings
    2. 6.2  ESD Ratings
    3. 6.3  Recommended Operating Conditions
    4. 6.4  Thermal Information
    5. 6.5  Electrical Characteristics: Supply Current
    6. 6.6  Digital Input and Output DC Electrical Characteristics
    7. 6.7  Power-on Reset
    8. 6.8  2.5-V LDO Regulator
    9. 6.9  Internal Clock Oscillators
    10. 6.10 ADC (Temperature and Cell Measurement) Characteristics
    11. 6.11 Integrating ADC (Coulomb Counter) Characteristics
    12. 6.12 Data Flash Memory Characteristics
    13. 6.13 I2C-compatible Interface Communication Timing Requirements
    14. 6.14 Typical Characteristics
  7. Detailed Description
    1. 7.1 Overview
    2. 7.2 Functional Block Diagram
    3. 7.3 Feature Description
      1. 7.3.1 Functional Description
    4. 7.4 Device Functional Modes
      1. 7.4.1 Power Modes
      2. 7.4.2 BAT INSERT CHECK Mode
      3. 7.4.3 NORMAL Mode
      4. 7.4.4 SLEEP Mode
      5. 7.4.5 SLEEP+ Mode
      6. 7.4.6 HIBERNATE Mode
    5. 7.5 Programming
      1. 7.5.1 Standard Data Commands
      2. 7.5.2 Control( ): 0x00 and 0x01
      3. 7.5.3 Charger Data Commands
      4. 7.5.4 Communications
        1. 7.5.4.1 I2C Interface
        2. 7.5.4.2 I2C Time Out
        3. 7.5.4.3 I2C Command Waiting Time
        4. 7.5.4.4 I2C Clock Stretching
  8. Application and Implementation
    1. 8.1 Application Information
    2. 8.2 Typical Application
      1. 8.2.1 Design Requirements
      2. 8.2.2 Detailed Design Procedure
        1. 8.2.2.1 BAT Voltage Sense Input
        2. 8.2.2.2 SRP and SRN Current Sense Inputs
        3. 8.2.2.3 Sense Resistor Selection
        4. 8.2.2.4 TS Temperature Sense Input
        5. 8.2.2.5 Thermistor Selection
        6. 8.2.2.6 REGIN Power Supply Input Filtering
        7. 8.2.2.7 VCC LDO Output Filtering
      3. 8.2.3 Application Curves
  9. Power Supply Recommendations
    1. 9.1 Power Supply Decoupling
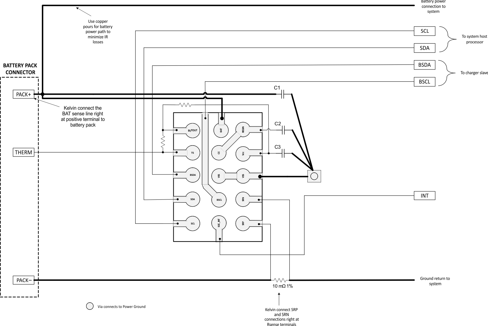
  10. 10Layout
    1. 10.1 Layout Guidelines
      1. 10.1.1 Sense Resistor Connections
      2. 10.1.2 Thermistor Connections
      3. 10.1.3 High-Current and Low-Current Path Separation
    2. 10.2 Layout Example
  11. 11Device and Documentation Support
    1. 11.1 Documentation Support
      1. 11.1.1 Related Documentation
    2. 11.2 Community Resources
    3. 11.3 Trademarks
    4. 11.4 Electrostatic Discharge Caution
    5. 11.5 Glossary
  12. 12Mechanical, Packaging, and Orderable Information

Package Options

Mechanical Data (Package|Pins)
Thermal pad, mechanical data (Package|Pins)
Orderable Information

10 Layout

10.1 Layout Guidelines

10.1.1 Sense Resistor Connections

Kelvin connections at the sense resistor are just as critical as those for the battery terminals themselves. The differential traces should be connected at the inside of the sense resistor pads and not anywhere along the high-current trace path to prevent false increases to measured current that could result when measuring between the sum of the sense resistor and trace resistance between the tap points. In addition, the routing of these leads from the sense resistor to the input filter network and finally into the SRP and SRN pins needs to be as closely matched in length as possible else additional measurement offset could occur. It is further recommended to add copper trace or pour-based "guard rings" around the perimeter of the filter network and coulomb counter inputs to shield these sensitive pins from radiated EMI into the sense nodes. This prevents differential voltage shifts that could be interpreted as real current change to the fuel gauge. All of the filter components need to be placed as close as possible to the coulomb counter input pins.

10.1.2 Thermistor Connections

The thermistor sense input should include a ceramic bypass capacitor placed as close to the TS input pin as possible. The capacitor helps to filter measurements of any stray transients as the voltage bias circuit pulses periodically during temperature sensing windows.

10.1.3 High-Current and Low-Current Path Separation

For best possible noise performance, it is extremely important to separate the low-current and high-current loops to different areas of the board layout. The fuel gauge and all support components should be situated on one side of the boards and tap off of the high-current loop (for measurement purposes) at the sense resistor. Routing the low-current ground around instead of under high-current traces will further help to improve noise rejection.

10.2 Layout Example

bq27532-G1 LayoutExample.gif Figure 17. bq27532-G1 Layout Schematic