SLUSCB3 July 2015
PRODUCTION DATA.

| PIN NAME | NUMBER | TYPE(1) | DESCRIPTION |
|---|---|---|---|
| PBI | 1 | P | Power supply backup input pin |
| VC4 | 2 | IA | Sense voltage input pin for most positive cell, and balance current input for most positive cell |
| VC3 | 3 | IA | Sense voltage input pin for second most positive cell, balance current input for second most positive cell, and return balance current for most positive cell |
| VC2 | 4 | IA | Sense voltage input pin for third most positive cell, balance current input for third most positive cell, and return balance current for second most positive cell |
| VC1 | 5 | IA | Sense voltage input pin for least positive cell, balance current input for least positive cell, and return balance current for third most positive cell |
| SRN | 6 | I | Analog input pin connected to the internal coulomb counter peripheral for integrating a small voltage between SRP and SRN where SRP is the top of the sense resistor. |
| NC | 7 | — | Not internally connected. Connect to VSS. |
| SRP | 8 | I | Analog input pin connected to the internal coulomb counter peripheral for integrating a small voltage between SRP and SRN where SRP is the top of the sense resistor. |
| VSS | 9 | P | Device ground |
| TS1 | 10 | IA | Temperature sensor 1 thermistor input pin |
| TS2 | 11 | IA | Temperature sensor 2 thermistor input pin |
| TS3 | 12 | IA | Temperature sensor 3 thermistor input pin |
| TS4 | 13 | IA | Temperature sensor 4 thermistor input pin |
| NC | 14 | — | Not internally connected |
| BTP_INT | 15 | O | Battery Trip Point (BTP) interrupt output |
| PRES or SHUTDN | 16 | I | Host system present input for removable battery pack or emergency system shutdown input for embedded pack |
| DISP | 17 | — | Display control for LEDs |
| SMBD | 18 | I/OD | SMBus data pin |
| SMBC | 19 | I/OD | SMBus clock pin |
| LEDCNTLA | 20 | — | LED display segment that drives the external LEDs depending on the firmware configuration |
| LEDCNTLB | 21 | — | LED display segment that drives the external LEDs depending on the firmware configuration |
| LEDCNTLC | 22 | — | LED display segment that drives the external LEDs depending on the firmware configuration |
| PTC | 23 | IA | Safety PTC thermistor input pin. To disable, connect both PTC and PTCEN to VSS. |
| PTCEN | 24 | IA | Safety PTC thermistor enable input pin. Connect to BAT. To disable, connect both PTC and PTCEN to VSS. |
| FUSE | 25 | O | Fuse drive output pin |
| VCC | 26 | P | Secondary power supply input |
| PACK | 27 | IA | Pack sense input pin |
| DSG | 28 | O | NMOS Discharge FET drive output pin |
| NC | 29 | — | Not internally connected |
| PCHG | 30 | O | PMOS Precharge FET drive output pin |
| CHG | 31 | O | NMOS Charge FET drive output pin |
| BAT | 32 | P | Primary power supply input pin |
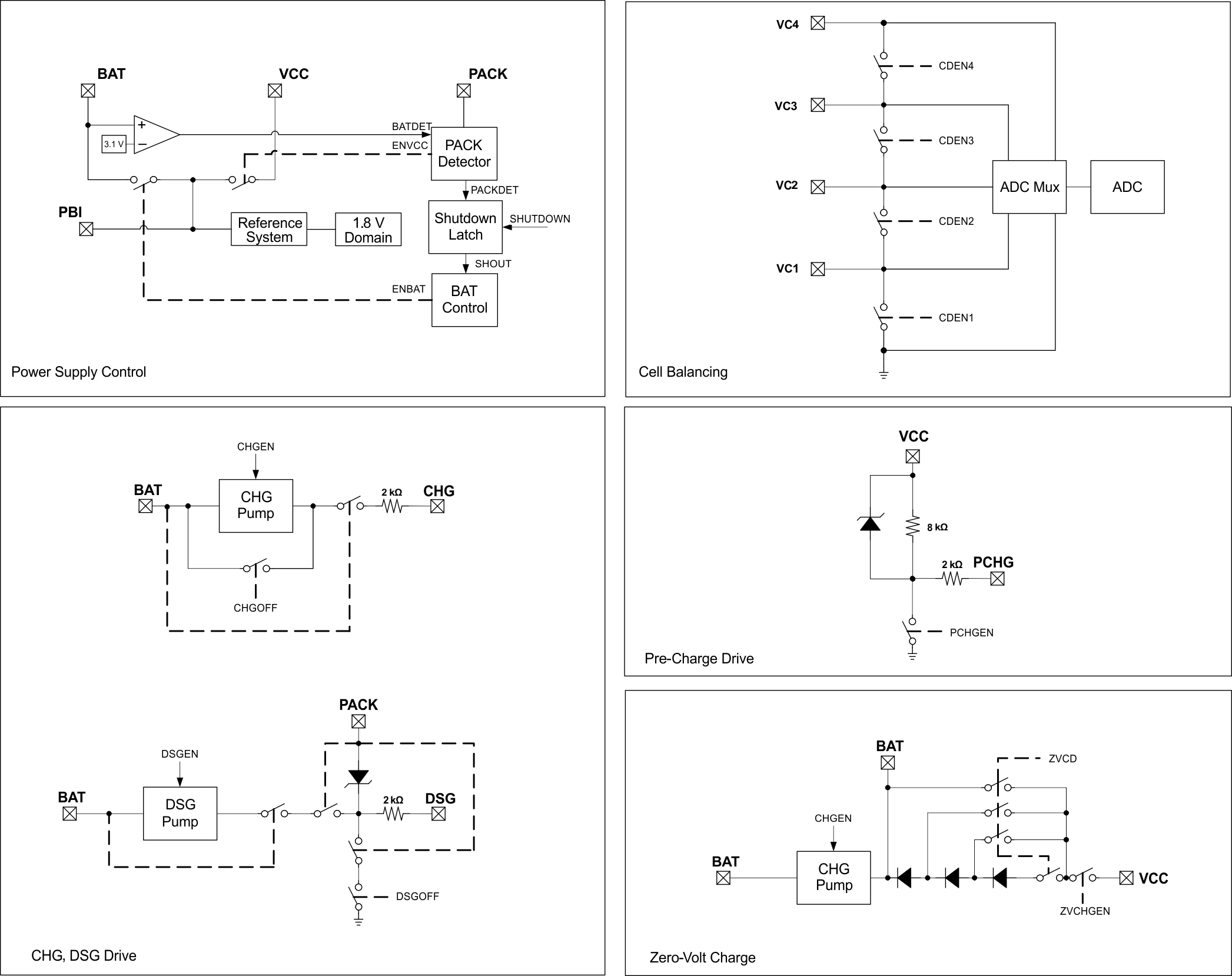
Figure 1. Pin Equivalent Diagram 1
Figure 2. Pin Equivalent Diagram 2
Figure 3. Pin Equivalent Diagram 3