DLPS273B May 2024 – July 2025 DLP472TE
PRODUCTION DATA
| PARAMETER | TEST CONDITIONS | MIN | TYP | MAX | UNIT | |
|---|---|---|---|---|---|---|
| LVCMOS | ||||||
| tr | Rise time(1) | 20% to 80% reference points | 25 | ns | ||
| tf | Fall time(1) | 80% to 20% reference points | 25 | ns | ||
| LOW SPEED INTERFACE (LSIF) | ||||||
| tr | Rise time(2) | 20% to 80% reference points | 450 | ps | ||
| tf | Fall time(2) | 80% to 20% reference points | 450 | ps | ||
| tW(H) | Pulse duration high(3) | LS_CLK 50% to 50% reference points | 3.1 | ns | ||
| tW(L) | Pulse duration low(3) | LS_CLK 50% to 50% reference points | 3.1 | ns | ||
| tsu | Setup time(4) | LS_WDATA valid before rising edge of LS_CLK (differential) | 1.5 | ns | ||
| th | Hold time(4) | LS_WDATA valid after rising edge of LS_CLK (differential) | 1.5 | ns | ||
| HIGH SPEED SERIAL INTERFACE (HSSI) | ||||||
| tr | Rise time(5) - data | from –A1 to A1 minimum eye height specification | 50 | 115 | ps | |
| Rise time(5) - clock | from –A1 to A1 minimum eye height specification | 50 | 135 | ps | ||
| tf | Fall time(5) - data | from A1 to –A1 minimum eye height specification | 50 | 115 | ps | |
| Fall time(5) - clock | from A1 to –A1 minimum eye height specification | 50 | 135 | ps | ||
| tW(H) | Pulse duration high(6) | DCLK 50% to 50% reference points | 0.275 | ns | ||
| tW(L) | Pulse duration low(6) | DCLK 50% to 50% reference points | 0.275 | ns | ||


Figure 5-5 LSIF Timing
Requirements
Figure 5-6 LSIF Rise, Fall Time
Slew
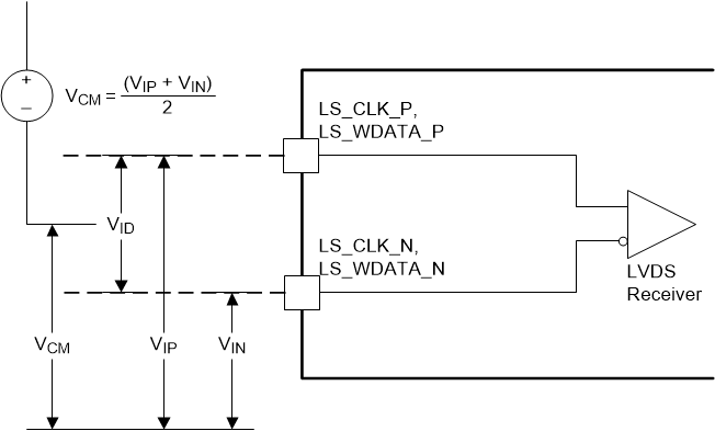
Figure 5-7 LSIF Voltage
Requirements
Figure 5-8 LSIF Equivalent Input
Figure 5-9 LVCMOS Input
Hysteresis
Figure 5-10 LVCMOS Rise, Fall Time Slew
Rate

Figure 5-12 HSSI Eye Characteristics