DLPS043B June 2014 – February 2018 DLPA2000
PRODUCTION DATA.
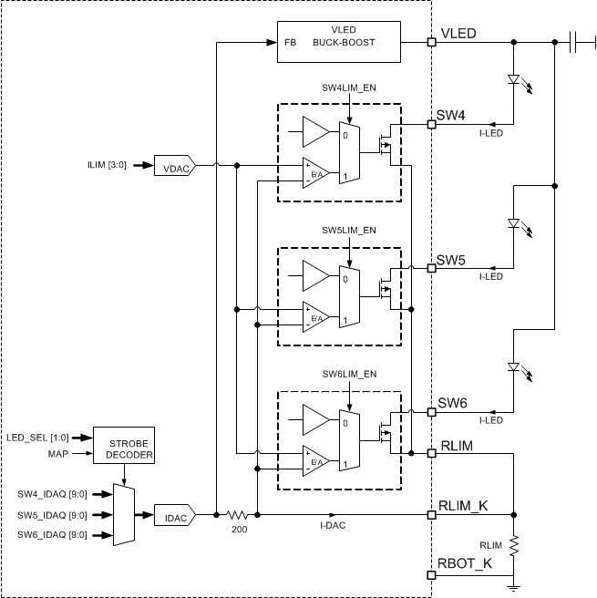
Typically the forward voltages of the green and blue diodes are close to each other (about 3 V to 4 V). However, the forward voltage of the red diode is significantly lower (1.8 V to 2.5 V). This can lead to a current spike in the red diode when the strobe controller switches from green or blue to red because VLED is initially at a higher voltage than required to drive the RED diode. DLPA2000 provides transient current limiting for each switch to limit the current in the LEDs during the transition. The transient current limit value is controlled through the ILIM[3:0] bits in the IREG register. The same register also contains three bits to select which switch employs the transient current limiting feature. In a typical application, the transient current limit will only apply to the RED diode, and the ILIM[3:0] value will typically be set approximately 10% higher than the DC regulation current. The effect that the transient current limit has on the LED current is shown in Figure 8.

| Red LED current without transient current limit. The current overshoots because the buck-boost voltage starts at the (higher) level of the green or blue LED. |
LED current with transient current limit. | |
Figure 9. LED Driver Block Diagram