SLLSEU7E November 2018 – July 2024 ISO7760-Q1 , ISO7761-Q1 , ISO7762-Q1 , ISO7763-Q1
PRODUCTION DATA
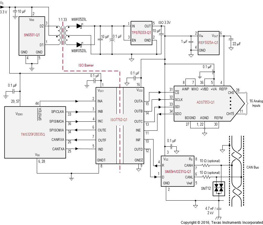
Figure 8-1 shows the isolated serial-peripheral interface (SPI) and controller-area network (CAN) interface implementation.