SNOSBI3C July   2000  – October 2018 LF198-N , LF298 , LF398-N

PRODUCTION DATA.  

  1. Features
  2. Applications
  3. Description
    1.     Device Images
      1.      Typical Connection
      2.      Acquisition Time
  4. Revision History
  5. Pin Configuration and Functions
    1.     Pin Functions
  6. Specifications
    1. 6.1 Absolute Maximum Ratings
    2. 6.2 Recommended Operating Conditions
    3. 6.3 Thermal Information
    4. 6.4 Electrical Characteristics, LF198-N and LF298
    5. 6.5 Electrical Characteristics, LF198A-N
    6. 6.6 Electrical Characteristics, LF398-N
    7. 6.7 Electrical Characteristics, LF398A-N (OBSOLETE)
    8. 6.8 Typical Characteristics
  7. Parameter Measurement Information
    1. 7.1 TTL and CMOS 3 V ≤ VLOGIC (Hi State) ≤ 7 V
    2. 7.2 CMOS 7 V ≤ VLOGIC (Hi State) ≤ 15 V
    3. 7.3 Operational Amplifier Drive
  8. Detailed Description
    1. 8.1 Overview
    2. 8.2 Functional Block Diagram
    3. 8.3 Feature Description
    4. 8.4 Device Functional Modes
  9. Application and Implementation
    1. 9.1 Application Information
      1. 9.1.1 Hold Capacitor
      2. 9.1.2 DC and AC Zeroing
      3. 9.1.3 Logic Rise Time
      4. 9.1.4 Sampling Dynamic Signals
      5. 9.1.5 Digital Feedthrough
    2. 9.2 Typical Applications
      1. 9.2.1  X1000 Sample and Hold
        1. 9.2.1.1 Design Requirements
        2. 9.2.1.2 Detailed Design Procedure
        3. 9.2.1.3 Application Curves
      2. 9.2.2  Sample and Difference Circuit
      3. 9.2.3  Ramp Generator With Variable Reset Level
      4. 9.2.4  Integrator With Programmable Reset Level
      5. 9.2.5  Output Holds at Average of Sampled Input
      6. 9.2.6  Increased Slew Current
      7. 9.2.7  Reset Stabilized Amplifier
      8. 9.2.8  Fast Acquisition, Low Droop Sample and Hold
      9. 9.2.9  Synchronous Correlator for Recovering Signals Below Noise Level
      10. 9.2.10 2-Channel Switch
      11. 9.2.11 DC and AC Zeroing
      12. 9.2.12 Staircase Generator
      13. 9.2.13 Differential Hold
      14. 9.2.14 Capacitor Hysteresis Compensation
  10. 10Power Supply Recommendations
  11. 11Layout
    1. 11.1 Layout Guidelines
    2. 11.2 Layout Example
  12. 12Device and Documentation Support
    1. 12.1 Device Support
      1. 12.1.1 Device Nomenclature
    2. 12.2 Related Links
    3. 12.3 Community Resources
    4. 12.4 Trademarks
    5. 12.5 Electrostatic Discharge Caution
    6. 12.6 Glossary
  13. 13Mechanical, Packaging, and Orderable Information

Package Options

Mechanical Data (Package|Pins)
Thermal pad, mechanical data (Package|Pins)
Orderable Information

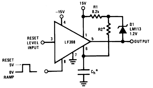
Ramp Generator With Variable Reset Level

The circuit configuration shown in Figure 29 generates a ramp signal with variable reset level. The rise or fall time may be computed by Equation 2.

LF198-N LF298 LF398-N LF198A-N LF398A-N ramp_generator_with_variable_reset_level_snosbi3.gifFigure 29. Ramp Generator With Variable Reset Level
Equation 2. LF198-N LF298 LF398-N LF198A-N LF398A-N equation_02_snosbi3.gif