SNOS455H May   2000  – March 2025 LM4050-N , LM4050-N-Q1

PRODUCTION DATA  

  1.   1
  2. Features
  3. Applications
  4. Description
  5. Pin Configuration and Functions
  6. Specifications
    1. 5.1  Absolute Maximum Ratings
    2. 5.2  ESD Ratings
    3. 5.3  Recommended Operating Conditions
    4. 5.4  Thermal Information
    5. 5.5  Electrical Characteristics: 2V Option
    6. 5.6  Electrical Characteristics: 2.5V Option
    7. 5.7  Electrical Characteristics: 4.1V Option
    8. 5.8  Electrical Characteristics: 5V Option
    9. 5.9  Electrical Characteristics: 8.2V Option
    10. 5.10 Electrical Characteristics: 10V Option
    11. 5.11 Typical Characteristics
      1. 5.11.1 Start-Up Characteristics
  7. Parameter Measurement Information
    1.     20
  8. Detailed Description
    1. 7.1 Overview
    2. 7.2 Functional Block Diagram
    3. 7.3 Feature Description
    4. 7.4 Device Functional Modes
  9. Application and Implementation
    1. 8.1 Application Information
    2. 8.2 Typical Applications
      1. 8.2.1 Shunt Regulator
        1. 8.2.1.1 Design Requirements
        2. 8.2.1.2 Detailed Design Procedure
        3. 8.2.1.3 Application Curve
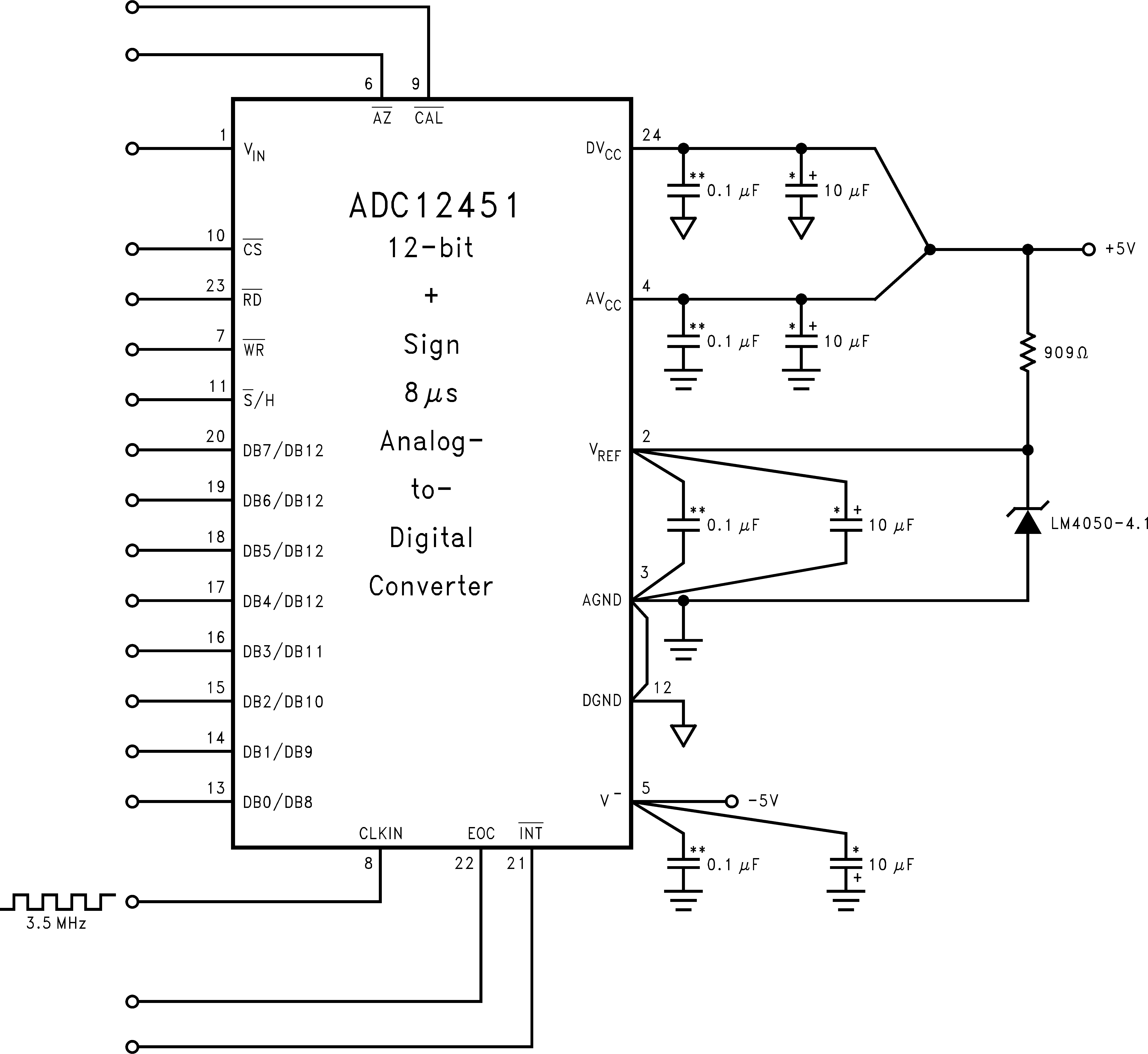
      2. 8.2.2 Precision Reference for an Analog-to-Digital Converter
        1. 8.2.2.1 Design Requirements
        2. 8.2.2.2 Detailed Design Procedure
      3. 8.2.3 VOUT Bounded Amplifier
        1. 8.2.3.1 Design Requirements
        2. 8.2.3.2 Detailed Design Procedure
      4. 8.2.4 VIN Bounded Amplifier
        1. 8.2.4.1 Design Requirements
        2. 8.2.4.2 Detailed Design Procedure
      5. 8.2.5 ±4.096 Precision Reference
        1. 8.2.5.1 Design Requirements
        2. 8.2.5.2 Detailed Design Procedure
      6. 8.2.6 ±1mA Precision Current Sources
        1. 8.2.6.1 Design Requirements
        2. 8.2.6.2 Detailed Design Procedure
    3. 8.3 Power Supply Recommendations
    4. 8.4 Layout
      1. 8.4.1 Layout Guidelines
      2. 8.4.2 Layout Example
  10. Device and Documentation Support
    1. 9.1 Support Resources
    2. 9.2 Trademarks
    3. 9.3 Electrostatic Discharge Caution
    4. 9.4 Glossary
  11. 10Revision History
  12. 11Mechanical, Packaging, and Orderable Information

Package Options

Mechanical Data (Package|Pins)
Thermal pad, mechanical data (Package|Pins)
Orderable Information

Precision Reference for an Analog-to-Digital Converter

LM4050-N LM4050-N-Q1 LM4050-N-4.1'S Nominal 4.096 Breakdown Voltage
          Gives ADC12451 1MV/LSB
**Ceramic monolithic *Tantalum
Figure 8-3 LM4050-N-4.1'S Nominal 4.096 Breakdown Voltage Gives ADC12451 1MV/LSB