SNAS393D March   2007  – November 2016 LME49720

PRODUCTION DATA.  

  1. Features
  2. Applications
  3. Description
  4. Revision History
  5. Device Comparison Table
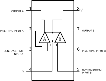
  6. Pin Configuration and Functions
  7. Specifications
    1. 7.1 Absolute Maximum Ratings
    2. 7.2 ESD Ratings
    3. 7.3 Recommended Operating Conditions
    4. 7.4 Thermal Information
    5. 7.5 Electrical Characteristics
    6. 7.6 Typical Characteristics
  8. Parameter Measurement Information
    1. 8.1 Distortion Measurements
  9. Detailed Description
    1. 9.1 Overview
    2. 9.2 Functional Block Diagram
    3. 9.3 Feature Description
      1. 9.3.1 Capacitive Load
      2. 9.3.2 Balance Cable Driver
    4. 9.4 Device Functional Modes
  10. 10Application and Implementation
    1. 10.1 Application Information
    2. 10.2 Typical Applications
      1. 10.2.1 Single Ended Converter
        1. 10.2.1.1 Design Requirements
        2. 10.2.1.2 Detailed Design Procedure
          1. 10.2.1.2.1 Surface Mount Capacitors
        3. 10.2.1.3 Application Curves
      2. 10.2.2 Other Applications
  11. 11Power Supply Recommendations
    1. 11.1 Power Supply Decoupling Capacitors
  12. 12Layout
    1. 12.1 Layout Guidelines
      1. 12.1.1 Component Placement
    2. 12.2 Layout Example
  13. 13Device and Documentation Support
    1. 13.1 Receiving Notification of Documentation Updates
    2. 13.2 Community Resources
    3. 13.3 Trademarks
    4. 13.4 Electrostatic Discharge Caution
    5. 13.5 Glossary
  14. 14Mechanical, Packaging, and Orderable Information

Package Options

Mechanical Data (Package|Pins)
Thermal pad, mechanical data (Package|Pins)
Orderable Information

Detailed Description

Overview

The LME49720 audio operational amplifier delivers superior audio signal amplification for outstanding audio performance.

To ensure that the most challenging loads are driven without compromise, the LME49720 has a high slew rate of ±20V/μs and an output current capability of ±26mA. Further, dynamic range is maximized by an output stage that drives 2kΩ loads to within 1V of either power supply voltage and to within 1.4V when driving 600Ω loads.

The LME49720's outstanding CMRR (120dB), PSRR (120dB), and VOS (0.1mV) give the amplifier excellent operational amplifier DC performance.

The LME49720 has a wide supply range of ±2.5V to ±17V. Over this supply range the LME49720’s input circuitry maintains excellent common-mode and power supply rejection, as well as maintaining its low input bias current. The LME49720 is unity gain stable. This Audio Operational Amplifier achieves outstanding AC performance while driving complex loads with values as high as 100pF.

The LME49720 is available in 8–lead narrow body SOIC, 8–lead PDIP, and 8–lead TO-99. Demonstration boards are available for each package.

Functional Block Diagram

LME49720 30003855.gif

Feature Description

Capacitive Load

The LME49720 is a high speed op amp with excellent phase margin and stability. Capacitive loads up to 100pF will cause little change in the phase characteristics of the amplifiers and are therefore allowable.

Capacitive loads greater than 100pF must be isolated from the output. The most straightforward way to do this is to put a resistor in series with the output. This resistor will also prevent excess power dissipation if the output is accidentally shorted.

Balance Cable Driver

With high peak-to-peak differential output voltage and plenty of low distortion drive current, the LME49720 makes an excellent balanced cable driver. Combining the single-to-differential configuration with a balanced cable driver results in a high performance single-ended input to balanced line driver solution.

Although the LME49720 can drive capacitive loads up to 100pF, cable loads exceeding 100pF can cause instability. For such applications, series resistors are needed on the outputs before the capacitive load.

Device Functional Modes

This device does not have operation mode.