SBOS997 August   2020  – MONTH  LMH9135

PRODUCTION DATA  

  1. Features
  2. Applications
  3. Description
  4. Revision History
  5. Pin Configuration and Functions
    1.     Pin Functions
  6. Specifications
    1. 6.1 Absolute Maximum Ratings
    2. 6.2 ESD Ratings
    3. 6.3 Recommended Operating Conditions
    4. 6.4 Thermal Information
    5. 6.5 Electrical Characteristics
    6. 6.6 Typical Characteristics
  7. Detailed Description
    1. 7.1 Overview
    2. 7.2 Functional Block Diagram
    3. 7.3 Feature Description
    4. 7.4 Device Functional Modes
  8. Application and Implementation
    1. 8.1 Application Information
    2. 8.2 Typical Application
      1. 8.2.1 Design Requirements
      2. 8.2.2 Detailed Design Procedure
      3. 8.2.3 Application Curves
  9. Power Supply Recommendations
  10. 10Layout
    1. 10.1 Layout Guidelines
    2. 10.2 Layout Example
  11. 11Device and Documentation Support
    1. 11.1 Documentation Support
      1. 11.1.1 Related Documentation
    2. 11.2 Receiving Notification of Documentation Updates
    3. 11.3 Support Resources
    4. 11.4 Trademarks
    5. 11.5 Electrostatic Discharge Caution
    6. 11.6 Glossary
  12. 12Mechanical, Packaging, and Orderable Information

Package Options

Mechanical Data (Package|Pins)
Thermal pad, mechanical data (Package|Pins)
Orderable Information

Typical Application

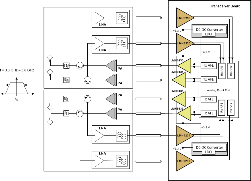
LMH9135 is typically used in a four transmit and four receive (4T/4R) array of active antenna system for 5G, TDD, wireless base station applications. Such a system is shown in Figure 8-1, where the LMH9135 is used in the transmit path as an active balun that converts differential DAC output from Tx AFE to single-ended signal. Also shown in the figure is the application of LMH9235 chip, which is the counter-part of LMH9135 in the Receive path.

GUID-F47C6011-5D68-4138-A745-C73A77E8F7D8-low.gifFigure 8-1 LMH9135 in a 4T/4R 5G Active Antenna System

The 4T/4R system can be scaled to 16T/16R, 64T/64R, or higher antenna arrays that result in proportional scaling of the overall system power dissipation. As a result of the proportional scaling factor for multiple channels in a system, the individual device power consumption must be reduced to dissipate less overall heat in the system. Operating on a single 3.3-V supply, the LMH9135 consumes only about 400 mW and therefore provides power saving to the customer. Multiple LMH9135 devices can be powered from a single DC/DC converter or a low-dropout regulator (LDO) operating on a 3.3-V supply. A DC/DC converter provides the most power efficient way of generating the 3.3-V supply. However, care must be taken when using the DC/DC converter to minimize the switching noise using inductor chokes and adequate isolation must be provided between the analog and digital power domains.