SNVSAG3B November   2015  – December 2024 LMR14030-Q1

PRODUCTION DATA  

  1.   1
  2. Features
  3. Applications
  4. Description
  5. Pin Configuration and Functions
  6. Specifications
    1. 5.1 Absolute Maximum Ratings
    2. 5.2 ESD Ratings
    3. 5.3 Recommended Operating Conditions
    4. 5.4 Thermal Information
    5. 5.5 Electrical Characteristics
    6. 5.6 Switching Characteristics
    7. 5.7 Typical Characteristics
  7. Detailed Description
    1. 6.1 Overview
    2. 6.2 Functional Block Diagram
    3. 6.3 Feature Description
      1. 6.3.1  Fixed Frequency Peak Current Mode Control
      2. 6.3.2  Slope Compensation
      3. 6.3.3  Sleep-mode
      4. 6.3.4  Low Dropout Operation and Bootstrap Voltage (BOOT)
      5. 6.3.5  Adjustable Output Voltage
      6. 6.3.6  Enable and Adjustable Undervoltage Lockout
      7. 6.3.7  External Soft-start
      8. 6.3.8  Switching Frequency and Synchronization (RT/SYNC)
      9. 6.3.9  Power Good (PGOOD)
      10. 6.3.10 Over Current and Short Circuit Protection
      11. 6.3.11 Overvoltage Protection
      12. 6.3.12 Thermal Shutdown
    4. 6.4 Device Functional Modes
      1. 6.4.1 Shutdown Mode
      2. 6.4.2 Active Mode
      3. 6.4.3 CCM Mode
      4. 6.4.4 Light Load Operation
  8. Application and Implementation
    1. 7.1 Application Information
    2. 7.2 Typical Application
      1. 7.2.1 Design Requirements
      2. 7.2.2 Detailed Design Procedure
        1. 7.2.2.1 Output Voltage Set-Point
        2. 7.2.2.2 Switching Frequency
        3. 7.2.2.3 Output Inductor Selection
        4. 7.2.2.4 Output Capacitor Selection
        5. 7.2.2.5 Schottky Diode Selection
        6. 7.2.2.6 Input Capacitor Selection
        7. 7.2.2.7 Bootstrap Capacitor Selection
        8. 7.2.2.8 Soft-start Capacitor Selection
      3. 7.2.3 Application Curves
    3. 7.3 Power Supply Recommendations
    4. 7.4 Layout
      1. 7.4.1 Layout Guidelines
      2. 7.4.2 Layout Example
  9. Device and Documentation Support
    1. 8.1 Device Support
      1. 8.1.1 Third-Party Products Disclaimer
    2. 8.2 Documentation Support
      1. 8.2.1 Related Documentation
      2. 8.2.2 Related Products
    3. 8.3 Receiving Notification of Documentation Updates
    4. 8.4 Support Resources
    5. 8.5 Trademarks
    6. 8.6 Electrostatic Discharge Caution
    7. 8.7 Glossary
  10. Revision History
  11. 10Mechanical, Packaging, and Orderable Information

Package Options

Mechanical Data (Package|Pins)
Thermal pad, mechanical data (Package|Pins)
Orderable Information

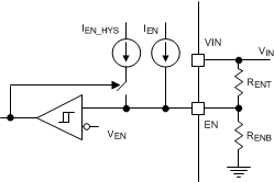
Enable and Adjustable Undervoltage Lockout

The LMR14030-Q1 is enabled when the VIN pin voltage rises above 3.7 V (typical) and the EN pin voltage exceeds the enable threshold of 1.2 V (typical) for at least 25μs. The LMR14030-Q1 is disabled when the VIN pin voltage falls below 3.42 V (typical) or when the EN pin voltage is below 1.2 V for at least 25μs. The EN pin has an internal pull-up current source (typically IEN = 1 μA) that enables operation of the LMR14030-Q1 when the EN pin is floating.

Many applications benefit from the employment of an enable divider RENT and RENB in Figure 6-3 to establish a precision system UVLO level for the stage. System UVLO can be used for supplies operating from utility power as well as battery power. System UVLO can be used for sequencing, making sure of reliable operation, or supply protection, such as a battery. An external logic signal can also be used to drive EN input for system sequencing and protection.

When EN terminal voltage exceeds 1.2 V, an additional hysteresis current (typically IHYS = 3.6 μA) is sourced out of EN terminal. When the EN terminal is pulled below 1.2 V, IHYS current is removed. This additional current facilitates adjustable input voltage UVLO hysteresis. Use Equation 2 and Equation 3 to calculate RENT and RENB for desired UVLO hysteresis voltage.

LMR14030-Q1 System UVLO By Enable DividersFigure 6-3 System UVLO By Enable Dividers
Equation 2. LMR14030-Q1
Equation 3. LMR14030-Q1

where VSTART is the desired voltage threshold to enable LMR14030-Q1, VSTOP is the desired voltage threshold to disable device.